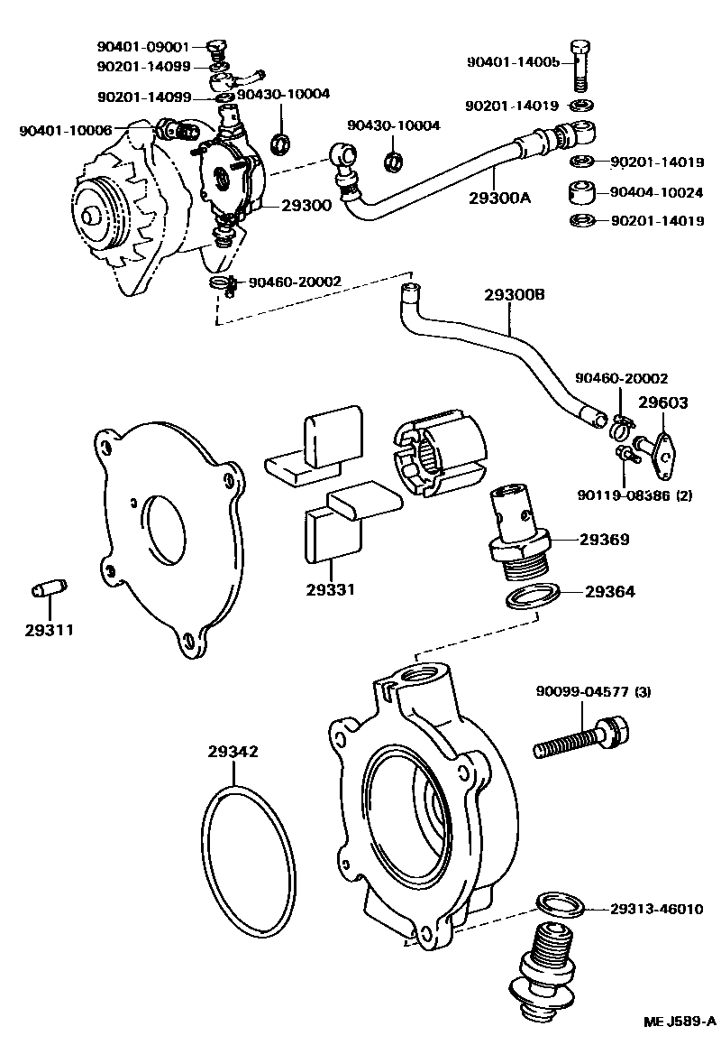
VACUUM PUMP

29300PUMP ASSY, VACUUM
CHINA SPEC
29300AHOSE, VACUUM PUMP OIL INLET
CHINA SPEC
29300BHOSE, VACUUM PUMP OIL OUTLET
CHINA SPEC
29311PIN, VACUUM PUMP DOWEL, NO.1
29331BLADE, VACUUM PUMP, A
CHINA SPEC
29342PACKING, VACUUM PUMP
CHINA SPEC
29364WASHER, VACUUM PUMP
29369VALVE SUB-ASSY, CHECK
CHINA SPEC
29603PIPE, VACUUM PUMP OIL OUTLET
2931346010
main29313-46010
9009904577
main90099-04577
9011908386
main90119-08386
9020114019
main90201-14019
9020114099
main90201-14099
9040109001
main90401-09001
9040110006
main90401-10006
9040114005
main90401-14005
9040410024
main90404-10024
9043010004
main90430-10004
9046020002
main90460-20002
20 parts on this diagram · 2 diagrams in section