E
EPC Data

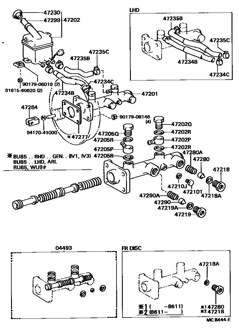
BRAKE MASTER CYLINDER

Parts diagram
04493CYLINDER KIT, BRAKE MASTER
main04493-36070i198409-198708
main04493-36080i198409-198611
FR DISC
main04493-36081i198611-198708
FR DISC
main04493-36090i198409-198708
47201CYLINDER SUB-ASSY, BRAKE MASTER
main47201-36160i198409-198708
main47201-36170i198409-198708
main47201-36180i198409-198708
FR DISC
main47201-36190i198409-198708
FR DISC
main47201-36200i198409-198708
main47201-36210i198409-198708
47202RESERVOIR SUB-ASSY, BRAKE MASTER CYLINDER
main47220-36040i198409-198708
47202PUNION, RESERVOIR(FOR BRAKE MASTER CYLINDER SIDE)
main90405-13137i198409-198708
47202QBOLT, RESERVOIR UNION(FOR BRAKE MASTER CYLINDER SIDE)
main90401-16002i198409-198708
47202RGASKET, RESERVOIR UNION(FOR BRAKE MASTER CYLINDER SIDE)
main90430-16242i198409-198708
47205PUNION, RESERVOIR(FOR BRAKE MASTER CYLINDER REAR SIDE)
main90405-13137i198409-198708
47205QBOLT, RSVR UNION, NO.2(FOR BRAKE MASTER CYLINDER RR SIDE)
main90401-16002i198409-198708
47205RGASKET, RESERVOIR UNION(FOR BRAKE MASTER CYLINDER REAR SIDE)
main90430-16242i198409-198708
47210JGASKET(FOR MASTER CYLINDER)
main90430-06104i198409-198708
47210TBOLT(FOR BRAKE MASTER CYLINDER)
main90109-06008i198409-198708
47218PLUG, MASTER CYLINDER FLUID OUTLET
main47218-36030i198409-198708
main47218-36060i198611-198708
FR DISC
47218AGASKET(FOR FLUID OUTLET PLUG)
main90430-11001i198409-198708
47219PLUG, MASTER CYLINDER FLUID OUTLET(FOR REAR SIDE)
main47218-36030i198409-198708
47219AGASKET(FOR FLUID OUTLET PLUG REAR SIDE)
main90430-11001i198409-198708
47230CAP ASSY, BRAKE MASTER CYLINDER RESERVOIR FILLER
main47230-28010i198409-198708
47234BTUBE, RESERVOIR, NO.1
main47234-36100i198409-198708
main47234-36110i198409-198708
main47234-36120i198409-198708
main47234-36130i198409-198708
47234CCLIP(FOR RESERVOIR TUBE NO.1)
main90467-16002i198409-198708
47235BTUBE, BRAKE MASTER CYRINDER RESERVOIR, NO.2
main47235-36100i198409-198708
main47235-36110i198409-198708
main47235-36120i198409-198708
main47235-36130i198409-198708
47235CCLIP(FOR BRAKE MASTER CYLINDER RESERVOIR TUBE NO.2)
main90467-16002i198409-198708
47264CLEVIS, MASTER CYLINDER PUSH ROD
main47264-22010i198409-198708
main47264-22020i198409-198708
47277SPACER, MASTER CYLINDER
main47277-36010i198508-198708
47280VALVE ASSY, BRAKE MASTER CYLINDER OUTLET CHECK
main47280-36010i198409-198611
FR DISC
main47281-30020i198409-198708
47280ASPRING, COMPRESSION
main90501-05012i198409-198708
47290VALVE ASSY, MASTER CYLINDER OUTLET(FOR REAR SIDE)
main47281-30020i198409-198708
47290ASPRING, COMPRESSION(FOR FLUID OUTLET REAR SIDE)
main90501-05012i198409-198708
47299STRAINER, BRAKE MASTER CYLINDER RESERVOIR
main47299-26020i198409-198708
9017906019
9017908146
9161560620
9412041000

31 parts on this diagram · 1 diagram in section

BRAKE MASTER CYLINDER — Toyota Parts Diagram with OEM Numbers & Prices | EPC Data