E
EPC Data

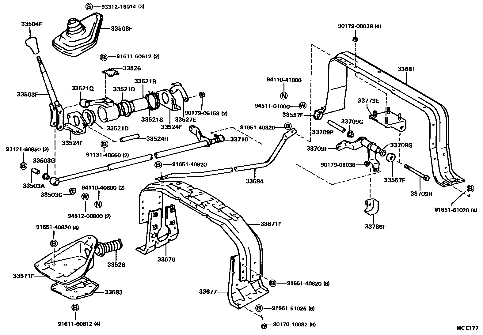
SHIFT LEVER & RETAINER

Parts diagram
33503ACOLLAR(FOR SHIFT LEVER)
main90387-08009×2i198409-198708
33503FLEVER SUB-ASSY, SHIFT(FOR FLOOR SHIFT)
main33503-36050i198409-198508
main33503-36060i198409-198508
33503GBUSH(FOR SHIFT LEVER)
main90389-11006×4i198409-198708
33504FKNOB SUB-ASSY, SHIFT LEVER
main33504-24010-01i198409-198508
BLACK
main33504-36050-01i198508-198708
BLACK
33508FBOOT SUB-ASSY, CONTROL SHAFT (FOR FLOOR SHIFT)
main33508-36010i198409-198708
main33508-36020i198409-198708
33521DBUSH (FOR SHIFT LEVER HOUSING)
main90389-38004×2i198409-198708
33521QHOUSING, SHIFT LEVER (FOR FLOOR SHIFT)
main33521-36050i198409-198708
33521RCOLLAR (FOR SHIFT LEVER HOUSING)
main90387-34001i198409-198708
33521SSPRING (FOR SHIFT LEVER HOUSING)
main90508-26063i198409-198708
main90508-26067i198409-198708
main90508-26070i198409-198708
33524FBRACKET, CONTROL LEVER HOUSING SUPPORT (FOR FLOOR SHIFT)
main33524-36030×2i198409-198708
33524HCOLLER (FOR CONTROL LEVER HOUSING SUPPORT BRACKET)
main90387-06026×2i198409-198708
33526PLATE, SHIFT LEVER SUPPORT, NO.1
main33526-36010i198409-198708
main33526-36030i198409-198708
33527EPLATE, SHIFT LEVER SUPPORT, NO.2
main33527-36130i198409-198708
33528COVER, CONTROL SHAFT
main33528-36020i198409-198708
33557FCOVER, CONTROL BELLCRANK DUST (FOR FLOOR SHIFT)
main33557-36020×2i198409-198708
33571FBRACKET, CONTROL SHAFT, LOWER NO.2
main33571-36090i198409-198708
main33571-36100i198409-198708
main33571-36110i198409-198708
33583BRACKET, CONTROL SHAFT, LOWER NO.2
main33583-36020i198409-198708
main33583-36030i198409-198708
main33583-36040i198409-198708
33671FSUPPORT, CONTROL ROD, NO.1
main33607-36040i198409-198708
main33607-36050i198409-198708
main33671-36040i198409-198708
33676SUPPORT, CONTROL ROD MEMBER, RH (FOR FLOOR SHIFT)
main33676-36010i198409-198708
33677SUPPORT, CONTROL ROD MEMBER, LH (FOR FLOOR SHIFT)
main33677-36010i198409-198708
33681MEMBER, CONTROL ROD, REAR
main33681-36010i198409-198508
main33681-36011i198508-198708
main33681-36020i198508-198708
33684ROD, CONTROL MEMBER BRACE
main33684-36010i198409-198708
RH
main33684-36020i198409-198708
LH
main33684-36030i198409-198708
33709FSHAFT SUB-ASSY, CROSS, NO.1 (FOR FLOOR SHIFT)
main33709-36290i198409-198708
main33709-36300i198409-198508
main33709-36310i198409-198708
main33709-36320i198409-198708
main33709-36330i198508-198708
33709GBUSH (FOR CROSS SHAFT, NO.1
main90386-13007×4i198409-198508
33709HBOLT, HEXAGON (FOR CROSS SHAFT)
main90101-10117i198409-198708
main90101-10279i198409-198708
33709PCOLLAR (FOR CROSS SHAFT)
main90387-10002i198409-198708
main90387-10064i198409-198708
33710ROD ASSY, GEAR SHIFTING, NO.1
main33710-36190i198409-198708
main33710-36200i198409-198508
main33710-36210i198409-198708
main33710-36220i198409-198708
main33710-36230i198508-198708
33773ESUPPORT, CROSS SHAFT, NO.1
main33773-36080i198409-198708
main33773-36090×2i198409-198508
33786FINSULATOR, CROSS SHAFT LEVER HEAT, NO.2 (FOR FLOOR SHIFT)
9017010082
9017906158
9017908038
9112160850
9113140660
9161160612
9161160812
9165140820
9165161020
9166161025
9331216014
9411040800
9411041000
9451101000
9451200800

44 parts on this diagram · 7 diagrams in section

SHIFT LEVER & RETAINER — Toyota Parts Diagram with OEM Numbers & Prices | EPC Data