E
EPC Data

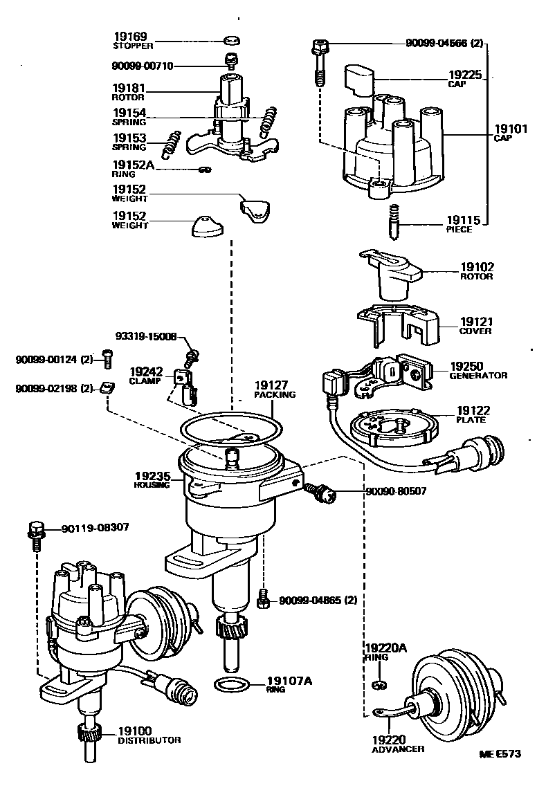
DISTRIBUTOR

Parts diagram
19100DISTRIBUTOR ASSY
main19100-35160i198409-198708
main19100-71010i198409-198608
main19100-71020i198409-198608
main19100-73020i198409-198608
CHINA SPEC
main19100-73040i198608-198708
main19100-73070i198608-198708
CHINA SPEC
main19100-73080i198610-198708
SWITZERLAND SPEC
19101CAP SUB-ASSY, DISTRIBUTOR
main19101-35120i198409-198708
main19101-71020i198409-198708
19102ROTOR SUB-ASSY, DISTRIBUTOR
main19102-10020i198507-198601
main19102-16060i198409-198708
main19102-26150i198409-198507
main19102-26151i198601-198608
main19102-26151i198610-198708
SWITZERLAND SPEC
main19102-33012i198409-198708
main19102-35160i198507-198601
19107ARING, O, DISTRIBUTOR HOUSING
main90099-14020i198409-198708
19115PIECE, DISTRIBUTOR CAP, CENTER
main19115-50010i198409-198708
19121COVER, DUST PROOF
main19121-38030i198409-198708
main19121-38210i198409-198708
19122PLATE, STATIONARY, DISTRIBUTOR
main19122-26211i198409-198708
main19122-88262i198409-198708
19127PACKING, DUST PROOF
main19127-15010i198409-198708
main19127-15021i198409-198708
19152WEIGHT, GOVERNOR
main19152-63010i198409-198708
main19152-71010i198508-198708
19152ARING, SNAP(FOR GOVERNOR WEIGHT)
main90099-07122i198409-198708
19153SPRING, GOVERNOR, A
main19153-35160i198409-198708
main19153-71012i198409-198608
main19153-73010i198409-198608
CHINA SPEC
main19153-73040i198608-198708
main19153-73070i198608-198708
CHINA SPEC
19154SPRING, GOVERNOR, B
main19153-71012i198409-198608
main19153-73010i198409-198608
CHINA SPEC
main19153-73070i198608-198708
CHINA SPEC
main19154-35160i198409-198708
main19154-73040i198608-198708
19169STOPPER, CAM GREASE
main19169-32010i198409-198608
main19169-63011i198608-198708
19181ROTOR, DISTRIBUTOR, SIGNAL
main19181-31170i198409-198708
19220ADVANCER ASSY, VACUUM, DISTRIBUTOR
main19220-35160i198409-198708
main19220-71011i198409-198608
main19220-73030i198608-198708
main19220-73070i198608-198708
CHINA SPEC
19220ARING, SNAP(FOR DISTRIBUTOR VACUUM ADVANCER)
main90099-07109i198409-198708
19225CAP, RUBBER
main19225-41140i198409-198708
19235HOUSING, DISTRIBUTOR
main19235-35160i198409-198708
19242CLAMP, CORD
main19242-37080i198409-198708
19250GENERATOR ASSY, SIGNAL
main19250-37080i198409-198708
9009080507
9009900124
9009900710
9009902198
9009904566
9009904865
9011908307
9331915008

28 parts on this diagram · 2 diagrams in section

DISTRIBUTOR — Toyota Parts Diagram with OEM Numbers & Prices | EPC Data