E
EPC Data

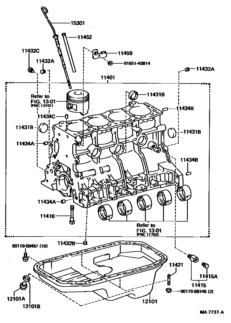
CYLINDER BLOCK

Parts diagram
11401BLOCK SUB-ASSY, CYLINDER
main11401-39445i198409-198708
main11401-79086i198502-198608
main11401-79145i198409-198502
CHINA SPEC
main11401-79146i198502-198608
CHINA SPEC
main11401-79205i198608-198708
main11401-79335i198608-198708
CHINA SPEC
main11410-78010i198409-198708
11415COCK SUB-ASSY, WATER DRAIN(FOR CYLINDER BLOCK)
main90910-09070i198409-198504
main96431-53828i198504-198708
11415APLUG, WATER DRAIN COCK(FOR CYLINDER BLOCK)
main90910-09072i198409-198504
main96432-23814i198504-198708
11416BOLT(FOR CRANKSHAFT BEARING CAP SET)
main90105-14024i198409-198708
*14-2.0PX94-38
main90910-02032i198409-198708
main90910-02042i198409-198708
*12-1.25PX75-25
11421BOLT, STUD(FOR OIL PAN)
main92122-40814i198409-198708
L=26,S=12&12
11431BPLUG, TIGHT, NO.2(FOR CYLINDER BLOCK)
main90331-40003i198409-198708
OD=40
main96411-43500i198409-198708
OD=35
main96411-44000i198409-198708
OD=40
11432APLUG, W/HEAD TAPER SCREW, NO.1
main90344-53002i198707-198708
RR
main90344-53008i198409-198708
FR
main90344-53011i198409-198707
RR
11432BPLUG, W/HEAD TAPER SCREW, NO.2
main90344-52003i198705-198708
main90344-52013i198409-198705
main90344-53011i198409-198708
11432CPLUG, W/HEAD TAPER SCREW, NO.3
main90345-51006i198409-198708
11434APIN, STRAIGHT(FOR TIMING GEAR COVER SET)
main90250-08015i198409-198708
L=24,OD=8,L=24,OD=8
main90250-08120i198409-198708
L=18,OD=8,L=18,OD=8
main90253-11021i198409-198708
L=8,OD=11
11434BPIN, STRAIGHT(FOR CLUTCH HOUSING SET)
main90250-08120i198409-198708
L=18,OD=8,L=18,OD=8
main90250-10113i198409-198708
L=22,OD=10,L=22,OD=10
main90250-12003i198409-198708
OD=12,OD=12
11434CPIN, STRAIGHT (FOR CYLINDER HEAD SET)
main90250-08016i198409-198708
L=16,OD=8,L=16,OD=8
main90250-08120i198409-198708
L=18,OD=8
11452GUIDE, OIL LEVEL GAGE
main11452-35010i198409-198708
main11452-71020i198409-198708
main11452-78010i198409-198708
11459SUPPORT, OIL LEVEL GAGE GUIDE
main11459-35010i198409-198708
main11459-71011i198409-198708
12101PAN SUB-ASSY, OIL
main12101-35020i198409-198708
main12101-71020i198409-198504
main12101-71021i198504-198708
main12111-78010i198409-198708
12101APLUG(FOR OIL PAN DRAIN)
main90341-12012i198409-198708
main90341-18089i198409-198708
12101BGASKET(FOR OIL PAN DRAIN PLUG)
main90202-18001i198409-198708
ID=18.3
main90430-12009i198504-198504
ID=12
main90430-12011i198409-198708
ID=12
main90430-18244i198409-198504
ID=18
1301
15301GAGE SUB-ASSY, OIL LEVEL
main15301-35020i198409-198708
main15301-71020i198409-198708
main15301-78010i198409-198708
9011908487
9017908146
9165140814

22 parts on this diagram · 3 diagrams in section

CYLINDER BLOCK — Toyota Parts Diagram with OEM Numbers & Prices | EPC Data