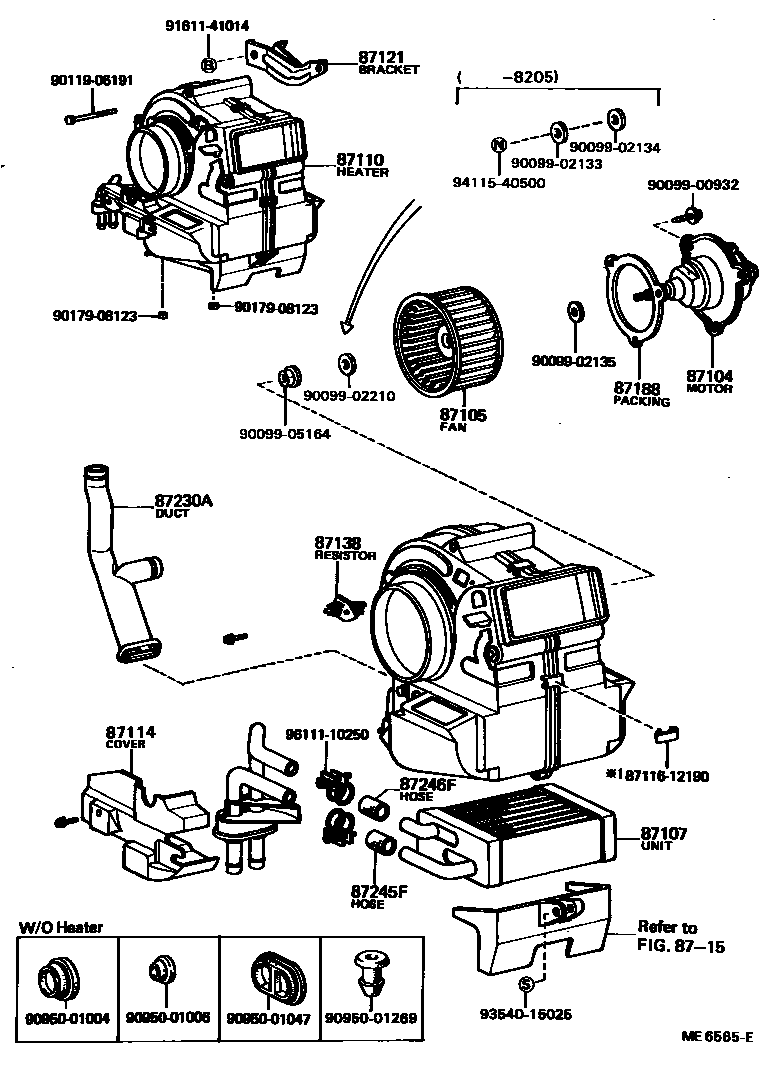
HEATING & AIR CONDITIONING - HEATER UNIT & BLOWER

87104MOTOR SUB-ASSY, HEATER BLOWER
24V
12V
24V
12V
87105FAN SUB-ASSY, HEATER BLOWER
87107UNIT SUB-ASSY, HEATER RADIATOR
12V & 24V,FIN PITCH=2.8
24V,CHINA SPEC
87110HEATER ASSY
12V
12V
12V
24V
24V,W/SIDE DEFROSTER
12V,W/SIDE DEFROSTER
24V
12V,W/SIDE DEFROSTER
12V,W/SIDE DEFROSTER
12V,FIN PITCH=2.8
12V,FIN PITCH=2.8
24V
24V,CHINA SPEC
87114COVER, HEATER
87121BRACKET, HEATER, FRONT RH
87138RESISTOR, HEATER BLOWER
12V
12V
24V
12V
24V
12V
8715HEATING & AIR CONDITIONING - CONTROL & AIR DUCT
87188PACKING, HEATER BLOWER MOTOR
87230ADUCT ASSY, HEATER AIR
87245FHOSE, HEATER WATER, INLET F
L=45
87246FHOSE, HEATER WATER, OUTLET F
L=45
8711612190SPRING, HEATER CASE FASTENING
main87116-12190
9009900932
main90099-00932
9009902133
main90099-02133
9009902134
main90099-02134
9009902135
main90099-02135
9009902210
main90099-02210
9009905164
main90099-05164
9011906191
main90119-06191
9017908123
main90179-08123
9095001004
main90950-01004
9095001006
main90950-01006
9095001047
main90950-01047
9095001269
main90950-01269
9161141014
main91611-41014
9354015025
main93540-15025
9411540500
main94115-40500
9611110250
main96111-10250
29 parts on this diagram · 1 diagram in section