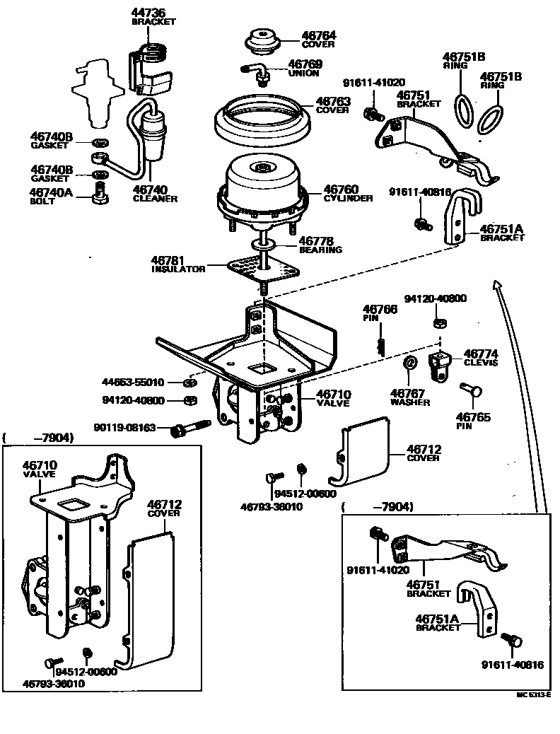
44736BRACKET, AIR CLEANER
main44736-36010iBU20,30,HU30..RHD..WT..GEN197708-197802 main44736-36011iBU20,30,HU30..RHD..WT..GEN197802-197907 46710VALVE ASSY, EXHAUST BRAKE
main46710-25010iBU36;BU20,30..RHD..(T1,T3)..(GEN,GHI)198204-198411 main46710-36010iBU20,30,HU30..RHD..WT..GEN197708-197904 main46710-36011iBU20,30,HU30..RHD..WT..GEN197904-197907 46712COVER, EXHAUST VALVE LINK
main46712-36010iBU20,30,HU30..RHD..WT..GEN197708-197904 main46712-36020iBU20,30,HU30..RHD..WT..GEN197904-197907 46740CLEANER ASSY, EXHAUST RETARDER
main46740-36011iBU20,30,HU30..RHD..WT..GEN197708-197907 46740ABOLT, UNION(FOR EXHAUST BRAKE CLEANER ASSY)
main90401-12097iBU20,30,HU30..RHD..WT..GEN197708-197907 46740BGASKET(FOR EXHAUST BRAKE CLEANER ASSY)
main90430-12247×2iBU20,30,HU30..RHD..WT..GEN197708-197907 46751BRACKET, EXHAUST BRAKE, NO.1
main46702-36050iBU36,40;BU20,30..RHD..(T1,T3)..(GEN,GHI)198204-198411 46751ABRACKET, EXHAUST BRAKE, NO.2
main17561-26090iBU20,30,HU30..RHD..WT..GEN197708-197709 main17561-38010iBU36,40;BU20,30..RHD..(T1,T3)..(GEN,GHI)198008-198411 main46753-36010iBU20,30,HU30..RHD..WT..GEN197709-197904 46751BRING, O(FOR EXHAUST BRAKE BRACKET)
main90301-34207×2iBU20,30,HU30..RHD..WT..GEN197708-197907 46760CYLINDER ASSY, EXHAUST RETARDER VACUUM
main46760-36010iBU20,30,HU30..RHD..WT..GEN197708-197904 main46760-36020iBU20,30,HU30..RHD..WT..GEN197904-197907 46763COVER, VACUUM CYLINDER DUST, NO.1
main46763-36010iBU20,30,HU30..RHD..WT..GEN197708-197907 46764COVER, VACUUM CYLINDER DUST, NO.2
main46764-36010iBU20,30,HU30..RHD..WT..GEN197708-197907 46765PIN, VACUUM CYLINDER CLEVIS
main46765-36010iBU20,30,HU30..RHD..WT..GEN197708-197907 46766PIN, VACUUM CYLINDER CLEVIS SNAP
main46766-36010iBU20,30,HU30..RHD..WT..GEN197708-197907 46767WASHER, VACUUM CLEVIS
main46767-36010iBU20,30,HU30..RHD..WT..GEN197708-197907 46769UNION, VACUUM CYLINDER
main46769-36010iBU20,30..RHD..(T1,T3)..(GEN,GHI)198008-198411 46774CLEVIS, EXHAUST BRAKE ROD
main46744-25010iBU20,30..RHD..(T1,T3)..(GEN,GHI)198204-198411 main46774-36010iBU20,30,HU30..RHD..WT..GEN197708-197904 main46774-36020iBU20,30..RHD..TR..(GEN,GHI)198008-198204 46778BEARING, VACUUM CYLINDER
main46778-36010iBU20,30,HU30..RHD..WT..GEN197708-197907 46781INSULATOR, EXHAUST BRAKE CHAMBER, NO.1
main46781-36010iBU20,30,HU30..RHD..WT..GEN197708-197907 4465355010HUB SUB-ASSY, BOOSTER
4679336010BOLT, EXHAUST VALVE LINK COVER