E
EPC Data

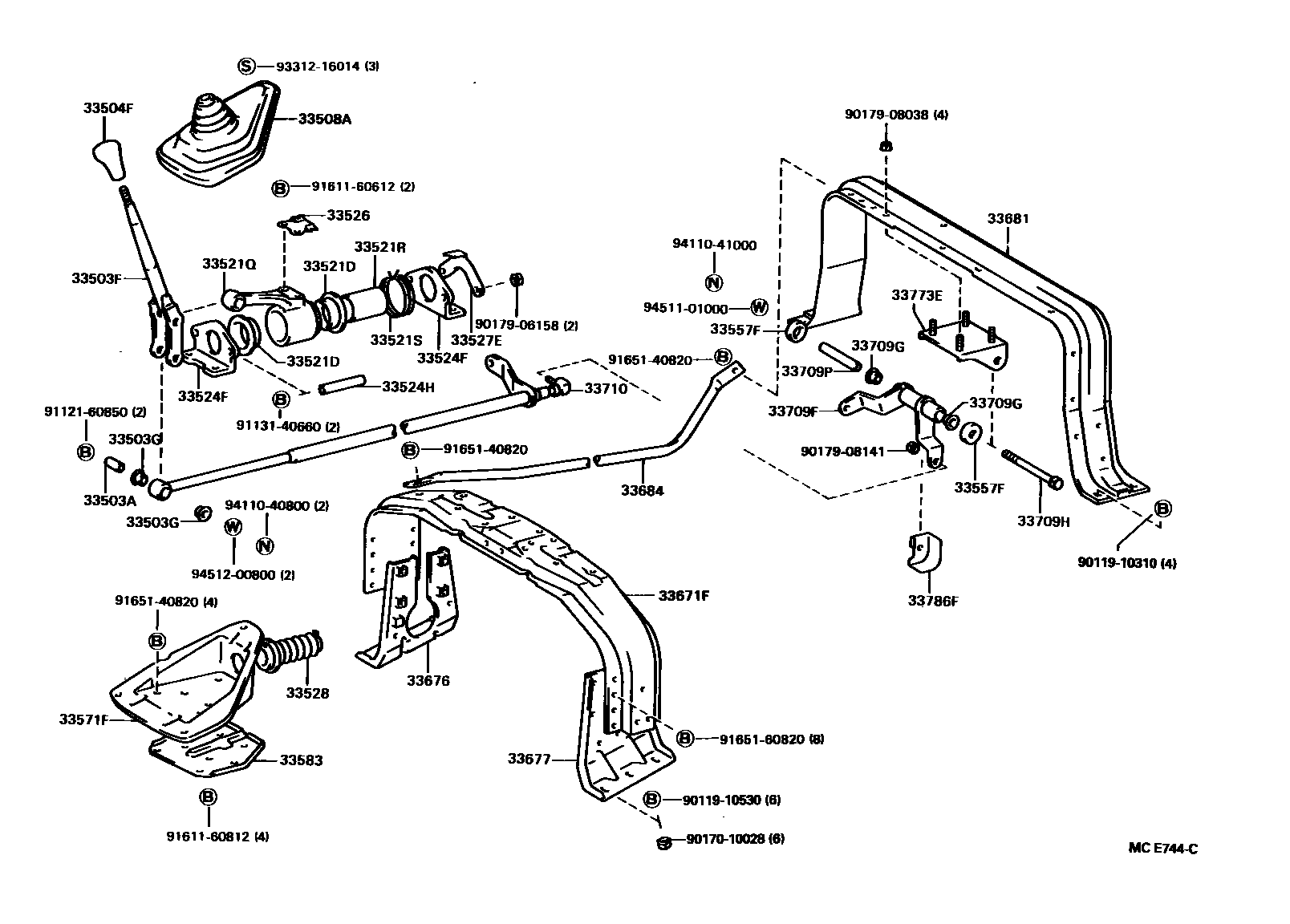
SHIFT LEVER & RETAINER

Parts diagram
33503ACOLLAR(FOR SHIFT LEVER)
main90387-08009×2i198808-199401
main90387-08065×2i199401-199703
33503FLEVER SUB-ASSY, SHIFT(FOR FLOOR SHIFT)
main33501-36210i199112-199401
HONGKONG CUSTOM PACKAGE
main33501-36211i199401-199505
HONGKONG CUSTOM PACKAGE
main33501-36230i199305-199401
TAIWAN SPEC
main33501-36231i199401-199505
TAIWAN SPEC
main33503-36060i198808-199305
main33503-36061i199401-199703
main33503-36100i198808-199401
main33503-36101i199401-199505
main33503-36110i198808-199204
33503GBUSH(FOR SHIFT LEVER)
main90389-11006×4i198808-199703
33504FKNOB SUB-ASSY, SHIFT LEVER
main33504-24010-06i198808-199109
BROWN,TRIM4#
main33504-24010-48i199109-199309
GRAY,TRIM1#
main33504-35030-B1i199309-199505
BLUISH GRAY,TRIM1#
main33504-36050-06i198808-199109
BROWN,TRIM4#
main33504-36050-B0i199109-199309
GRAY,TRIM1#
main33504-36051-B0i199309-199703
GRAY,TRIM1#
main33504-36070-06i198808-199109
BROWN,TRIM4#
main33504-36070-B0i199109-199204
GRAY,TRIM1#
main33542-36050i198808-199505
FOR SUPER SHIFT
33508ABOOT SUB-ASSY, DUST (FOR FLOOR 3HIFT)
main33508-36010i198808-199703
main33508-36020i198808-199305
main33508-36030i198808-199505
main33508-36040i198808-199204
main33508-36070i199305-199505
TAIWAN SPEC
33521DBUSH (FOR SHIFT LEVER HOUSING)
main90389-38004×2i198808-199703
33521QHOUSING, SHIFT LEVER (FOR FLOOR SHIFT)
main33521-36050i198808-199401
main33521-36051i199401-199703
33521RCOLLAR (FOR SHIFT LEVER HOUSING)
main90387-34001i198808-199703
33521SSPRING (FOR SHIFT LEVER HOUSING)
main90508-26063i198808-199505
main90508-26067i198808-199703
main90508-26070i198808-199505
33524FBRACKET, CONTROL LEVER HOUSING SUPPORT (FOR FLOOR SHIFT)
main33524-36030×2i198808-199703
33524HCOLLER (FOR CONTROL LEVER HOUSING SUPPORT BRACKET)
main90387-06026×2i198808-199703
33526PLATE, SHIFT LEVER SUPPORT, NO.1
main33526-36010i198808-199505
main33526-36030i198808-199703
33527EPLATE, SHIFT LEVER SUPPORT, NO.2
main33527-36130i198808-199703
33528COVER, CONTROL SHAFT
main33528-36020i198808-199703
33557FCOVER, CONTROL BELLCRANK DUST (FOR FLOOR SHIFT)
main33557-36020×2i198808-199703
33571FBRACKET, CONTROL SHAFT, LOWER NO.2
main33571-36090i198808-199703
main33571-36100i198808-199505
main33571-36110i198808-199505
main33571-36160i198808-199505
33583BRACKET, CONTROL SHAFT, LOWER NO.2
main33583-36030i199305-199505
main33583-36040i198808-199505
main33583-36050i198808-198910
main33583-36090i199305-199505
TAIWAN SPEC
33671FSUPPORT, CONTROL ROD, NO.1
main33607-36050i198808-199505
main33607-36080i198808-199703
main33671-36080i198808-199305
main33671-36081i199305-199505
33676SUPPORT, CONTROL ROD MEMBER, RH (FOR FLOOR SHIFT)
main33676-36011i198808-199505
33677SUPPORT, CONTROL ROD MEMBER, LH (FOR FLOOR SHIFT)
main33677-36010i198808-199505
33681MEMBER, CONTROL ROD, REAR
main33681-36011i198808-199703
main33681-36020i198808-199505
33684ROD, CONTROL MEMBER BRACE
main33684-36010i198808-199505
RH
main33684-36020i198808-199305
LH
main33684-36021i199305-199505
LH
main33684-36030i198808-199703
33709FSHAFT SUB-ASSY, CROSS, NO.1 (FOR FLOOR SHIFT)
main33709-36290i198808-199505
main33709-36310i198808-199703
main33709-36320i198808-199004
main33709-36321i199004-199505
main33709-36330i198808-199505
33709GBUSH (FOR CROSS SHAFT, NO.1
main90386-13007×2i198808-199703
33709HBOLT, HEXAGON (FOR CROSS SHAFT)
main90101-10117i198808-199703
main90101-10279i198808-199505
33709PCOLLAR (FOR CROSS SHAFT)
main90387-10002i198808-199505
main90387-10064i198808-199703
33710ROD ASSY, GEAR SHIFTING, NO.1
main33710-36190i198808-199401
main33710-36191i199401-199505
main33710-36210i198808-199401
main33710-36211i199401-199703
main33710-36220i198808-199004
main33710-36221i199004-199401
main33710-36222i199401-199505
main33710-36230i198808-199401
main33710-36231i199401-199505
33773ESUPPORT, CROSS SHAFT, NO.1
main33773-36080i198808-199505
33786FINSULATOR, CROSS SHAFT LEVER HEAT, NO.2 (FOR FLOOR SHIFT)
main33786-36020i198808-199505
9011910310
9011910530
9017010028
9017906158
9017908038
9017908141
9112160850
9113140660
9161160612
9161160812
9165140820
9165160820
9331216014
9411040800
9411041000
9451101000
9451200800

46 parts on this diagram · 7 diagrams in section

SHIFT LEVER & RETAINER — Toyota Parts Diagram with OEM Numbers & Prices | EPC Data