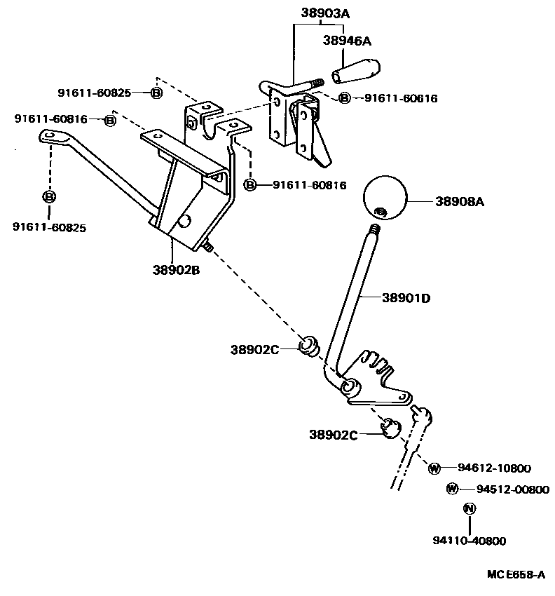
POWER TAKE-OFF LEVER & LINK

38901DLEVER SUB-ASSY, VALVE CONTROL
38902BBRACKET SUB-ASSY, VALVE CONTROL LEVER
38902CBUSH (FOR VALVE CONTROL LEVER)
38903ABRACKET SUB-ASSY, VALVE CONTROL LEVER LOCK
38908AKNOB SUB-ASSY, CONTROL LEVER
38946AKNOB, VALVE LOCK LEVER
9161160616
main91611-60616
9161160816
main91611-60816
9161160825
main91611-60825
9411040800
main94110-40800
9451200800
main94512-00800
9461210800
main94612-10800
12 parts on this diagram · 8 diagrams in section