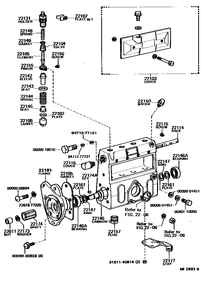
22102PLATE SET, VALVE HOLDER LOCK
main22102-58230×2i11B,13B..BU61,62,65,81,82,85,86..5F198708-198710 main22102-77021×2i13B..BU85..LHD..IV3; B..BU60,70,80..GEN,GHD198708-198808 TAIWAN SPEC
22103COVER SUB-ASSY, INJECTION PUMP
main22103-58230i11B,13B..BU61,62,65,81,82,85,86..5F198708-198710 22104VALVE SUB-ASSY, INJECTION PUMP DELIVERY
main22104-58230×4i13B..BU85;11B,13B..BU61,62,65,81,82,86..GEN,GHD,SA198708-198710 main22104-77020×4i13B..BU85..LHD..IV3; B..BU60,70,80198708-198808 TAIWAN SPEC
22105ELEMENT SUB-ASSY, INJECTION PUMP
22106TAPPET SUB-ASSY, INJECTION PUMP
main22106-46010×4i11B..BU61,65..GEN;B,11B,13B..BU60,62,70,8#..5F198708-198710 22114RACK, CONTROL
main22114-36010i11B,13B..BU61,62,65,81,82,85,86..5F198708-198710 main22114-48030i13B..BU85..LHD..IV3; B..BU60,70,80198708-198808 TAIWAN SPEC
22116COVER, CONTROL RACK
main22116-46010i13B..BU85..LHD..IV3; B..BU60,70,80198708-198808 TAIWAN SPEC
main22116-56230i11B,13B..BU61,62..TS;11B..BU65,81,86..ARL,GEN,GHD; 11B..BU65..GEN..CBU;11B..BU61,81,86..(GEN,GHD)..(CBU,IV3)198708-198808 W(HAC) OR W(HAC) & W(TACHOMETER)
22131HOLDER, DELIVERY VALVE
main22131-77020×4i13B..BU85..LHD..IV3; B..BU60,70,80198708-198808 TAIWAN SPEC
main22131-78030×4i11B,13B..BU61,62,65,81,82,85,86..5F198708-198710 22142SLEEVE, PLUNGER CONTROL
main22142-58230×4i11B,13B..BU61,62,65,81,82,85,86..5F198708-198710 main22142-77020×4i13B..BU85..LHD..IV3; B..BU60,70,80198708-198808 TAIWAN SPEC
22143SEAT, SPRING UPPER
main22143-77020×4iB,11B,13B..BU6#,70,8#,93..5F198710-198808 22144SPRING, PUMP PLUNGER
main22144-46010×4iB,11B,13B..BU6#,70,8#,93..5F198710-198808 22145SEAT, SPRING, LOWER
main22145-46010×4i13B..BU85..LHD..IV3; B..BU60,70,80198708-198808 TAIWAN SPEC
main22145-78030×4i11B,13B..BU61,62,65,81,82,85,86..5F198708-198710 22146CAMSHAFT, INJECTION PUMP
main22146-56010i13B..BU85..LHD..IV3; B..BU60,70,80198708-198808 TAIWAN SPEC
main22146-58230i13B..BU62,85..GEN..(CBU,IV3); 13B..BU85..ARL;11B..BU61,65,81,86198708-198808 W(HAC) & W(TACHOMETER) OR W(TACHOMETER)
main22146-68230i13B..BU62,82,85,93..GEN,GHD198710-198808 22146ABEARING(FOR INJECTION CAMSHAFT)
main90033-66011i11B,13B..BU61,62,65,81,82,85,86,93..GEN,GHD,SA198710-198808 GOVERNOR SIDE
main90099-10151i11B,13B..BU61,62,65,81,82,85,86..GEN,GHD,SA198708-198710 TIMER SIDE
22147RING, CAMSHAFT ADJUST
main22147-78030i11B,13B..BU61,62,65,81,82,85,86..GEN,GHD,SA198708-198710 NO.2
22148SPRING, DELIVERY VALVE
main22148-46010×4i13B..BU85..LHD..IV3; B..BU60,70,80198708-198808 TAIWAN SPEC
main22148-78030×4i11B,13B..BU61,62,65,81,82,85,86,93..5F198710-198808 22149GASKET, DELIVERY VALVE
main22149-76010×4i13B..BU85..LHD..IV3; B..BU60,70,80198708-198808 TAIWAN SPEC
main22149-78030×4i11B,13B..BU61,62,65,81,82,85,86..5F198708-198710 22150BLEEDER SUB-ASSY, AIR
main22150-67010i13B..BU85..LHD..IV3; B..BU60,70,80198708-198808 22155PINION, PLUNGER CONTROL
main22155-76010×4iB,11B,13B..BU6#,70,8#..5F198708-198710 22156SCREW, PLUNGER CONTROL PINION CLAMP
main22156-76010×4iB,11B,13B..BU6#,70,8#..5F198708-198710 22157PLUG, INJECTION PUMP FELT PLATE
main22157-48023×4i13B..BU85..LHD..IV3; B..BU60,70,80..GEN,GHD; B..BU60..ARL198708-198808 TAIWAN SPEC; W(HAC) & W(TACHOMETER) OR W(TACHOMETER)
main22157-48024×4i11B,13B..BU61,62,65,81,82,85,86,93..5F198710-198808 22161PLATE, CAMSHAFT SHIM
main22161-76010×3i11B,13B..BU61,62,65,81,82,85,86,93..GEN,GHD,SA198710-198808 T=0.10
main22162-76010×3i11B,13B..BU61,62,65,81,82,85,86,93..GEN,GHD,SA198710-198808 T=0.12
main22163-76010×3i11B..BU61,65,81,86..GEN,GHD; 11B..BU65..GEN..CBU;11B..BU61,81,86..(GEN,GHD)..(CBU,IV3); B..BU60,70,80..GEN,GHD198708-198808 T=0.14; T=0.14,W(HAC)
main22164-76010×3i11B..BU61,81,86..GEN..(CBU,IV3); 11B..BU65..GEN..CBU; 11B..BU81..GHD; 13B..BU85..LHD..IV3; B,11B..BU60,61,65..ARL; B..BU60,70,80..GEN,GHD198708-198808 T=0.16; T=0.16,TAIWAN SPEC; T=0.16,W(HAC) & W(TACHOMETER) OR W(TACHOMETER); T=0.16,W(TACHOMETER)
main22165-76010×3i11B..BU61,81,86..GEN..(CBU,IV3); 11B..BU65..GEN..CBU; 11B..BU81..GHD; 13B..BU85..LHD..IV3; B,11B..BU60,61,65..ARL; B..BU60,70,80..GEN,GHD198708-198808 T=0.18; T=0.18,TAIWAN SPEC; T=0.18,W(HAC) & W(TACHOMETER) OR W(TACHOMETER); T=0.18,W(TACHOMETER)
main22166-76010×2i13B..BU85..LHD..IV3; B..BU60,70,80..GEN,GHD; B..BU60..ARL198708-198808 T=0.50; T=0.50,TAIWAN SPEC; T=0.50,W(HAC) & W(TACHOMETER) OR W(TACHOMETER)
main22166-78032×3i11B,13B..BU61,62,65,81,82,85,86..5F198708-198710 T=0.10
main22166-78033×3i11B,13B..BU61,62,65,81,82,85,86,93..5F198710-198808 T=0.15
main22166-78034×3i11B,13B..BU61,62,65,81,82,85,86..5F198708-198710 T=0.30
main22166-78035×3i11B,13B..BU61,62,65,81,82,85,86..5F198708-198710 T=0.50
22173WASHER, SPRING
main22173-46010i13B..BU85..LHD..IV3; B..BU60,70,80198708-198808 22174SHAFT, SPLINE
main22174-47010i13B..BU85..LHD..IV3; B..BU60,70,80198708-198808 TAIWAN SPEC
main22174-58201×2i13B..BU85;11B,13B..BU61,62,65,81,82,86..GEN,GHD,SA198708-198710 22174AKEY(FOR SPLINE SHAFT)
main90099-13002i13B..BU85..LHD..IV3; B..BU60,70,80..GEN,GHD; B..BU60..ARL198708-198808 TAIWAN SPEC
main90099-13023×2i11B..BU61,65..ARL; 11B..BU65..GEN..CBU;11B..BU61,81,86..(GEN,GHD)..(CBU,IV3); 13B..BU62,85..ARL; 13B..BU62,85..GEN..(CBU,IV3)198708-198808 W(HAC) & W(TACHOMETER); W(HAC) & W(TACHOMETER) OR W(TACHOMETER); W(TACHOMETER)
22177STAY, INJECTION PUMP BODY
main22177-56042i13B..BU85..LHD..IV3; B..BU60,70,80198708-198808 22181FLANGE, INJECTION PUMP
main22181-56040i13B..BU85..LHD..IV3; B..BU60,70,80198708-198808 TAIWAN SPEC
main22181-58230i11B,13B..BU61,62,65,81,82,85,86,93..5F198710-198808 22182PLATE, TAPPET ADJUSTING SHIM
main22182-46010×4iB,11B,13B..BU6#,70,8#..5F198708-198710 T=0.10
main22183-46010×4iB,11B,13B..BU6#,70,8#,93..5F198710-198808 T=0.20
main22184-46010×4iB,11B,13B..BU6#,70,8#,93..5F198710-198808 T=0.30
main22185-46010×4iB,11B,13B..BU6#,70,8#,93..5F198710-198808 T=0.40
main22186-46010×4iB,11B,13B..BU6#,70,8#..5F198708-198710 T=0.50
main22186-48010×4iB,11B,13B..BU6#,70,8#,93..5F198710-198808 T=0.15
main22187-46010×4iB,11B,13B..BU6#,70,8#..5F198708-198710 T=0.60
main22188-46010×4iB,11B,13B..BU6#,70,8#,93..5F198710-198808 T=0.70
main22189-46010×4iB,11B,13B..BU6#,70,8#,93..5F198710-198808 T=0.80
main22189-48031×4iB,11B,13B..BU6#,70,8#..5F198708-198710 T=0.90
main22189-48032×4iB,11B,13B..BU6#,70,8#..5F198708-198710 T=1.00
main22189-48033×4iB,11B,13B..BU6#,70,8#..5F198708-198710 T=1.10
main22189-48034×4iB,11B,13B..BU6#,70,8#..5F198708-198710 T=1.20
main22189-48035×4iB,11B,13B..BU6#,70,8#..5F198708-198710 T=1.30
main22189-48036×4iB,11B,13B..BU6#,70,8#,93..5F198710-198808 T=1.40
22195GASKET, BEARING COVER
main22195-48030i13B..BU85..LHD..IV3; B..BU60,70,80198708-198808 TAIWAN SPEC
main22195-58230i11B,13B..BU61,62,65,81,82,85,86,93..5F198710-198808 22611NUT, TIMER ROUND
main22611-46010i13B..BU85..LHD..IV3; B..BU60,70,80198708-198808 TAIWAN SPEC
main22611-58200i11B,13B..BU61,62,65,81,82,85,86,93198710-198808 2261877020GASKET, TIMER SCREW