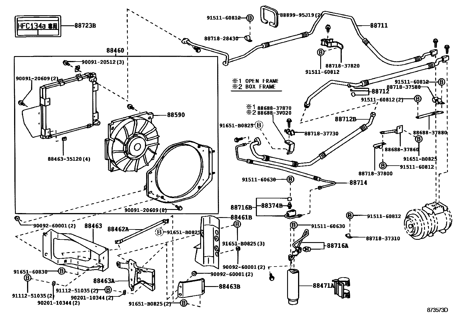
HEATING & AIR CONDITIONING - COOLER PIPING

88374BVALVE, SERVICE, NO.1
88460CONDENSER ASSY, COOLER
88461BCOVER, COOLER CONDENSER
88462AHOLDER, CONDENSER
88463BRACKET, COOLER CONDENSER, NO.1
88463ABRACKET, COOLER CONDENSER, NO.2
88463BBRACKET, COOLER CONDENSER, NO.3
88471ATANK, RECEIVER
88590BLOWER ASSY, W/SHROUD
88711HOSE, COOLER REFRIGERANT DISCHARGE, NO.1
88712HOSE, COOLER REFRIGERANT SUCTION, NO.1
88712BHOSE, COOLER REFRIGERANT SUCTION
88714HOSE, COOLER REFRIGERANT LIQUID, NO.1
88716APIPE, COOLER REFRIGERANT LIQUID, A
88716BPIPE, COOLER REFRIGERANT LIQUID, B
88723BLABEL, COOLER SERVICE CAUTION
AUSTRALIA SPEC
8846335120BRACKET, COOLER CONDENSER, NO.1
main88463-35120
8868837860BRACKET, COOLER DIAPHRAGM
main88688-37860
8868837870BRACKET, COOLER DIAPHRAGM
main88688-37870
8868837880BRACKET, COOLER DIAPHRAGM
main88688-37880
886883V020BRACKET, COOLER DIAPHRAGM
main88688-3V020
8871828430PIPE, COOLER REFRIGERANT SUCTION, NO.2
main88718-28430
8871837310PIPE, COOLER REFRIGERANT SUCTION, NO.2
main88718-37310
8871837580PIPE, COOLER REFRIGERANT SUCTION, NO.2
main88718-37580
8871837730PIPE, COOLER REFRIGERANT SUCTION, NO.2
main88718-37730
8871837800PIPE, COOLER REFRIGERANT SUCTION, NO.2
main88718-37800
8871837820PIPE, COOLER REFRIGERANT SUCTION, NO.2
main88718-37820
8889995J19COVER, EVAPORATOR
main88899-95J19
9009120512
main90091-20512
9009120609
main90091-20609
9009260001
main90092-60001
9020110344
main90201-10344
9111251035
main91112-51035
9151160630
main91511-60630
9151160812
main91511-60812
9165160830
main91651-60830
91651B0825
main91651-B0825
37 parts on this diagram · 4 diagrams in section