E
EPC Data

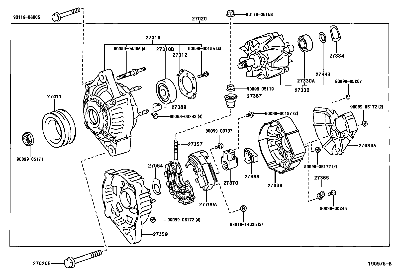
ALTERNATOR

Parts diagram
27020ALTERNATOR ASSY
main27060-58390i199907-200212
24V 50A
main27060-78010i200010-200206
24V 50A
27020EBOLT(FOR ALTERNATOR)
main90031-05027i200010-200206
main90148-10001i199907-200212
27039COVER, ALTERNATOR REAR END
main27039-50090i200010-200206
main27039-58400i199907-200212
27039ACOVER, ALTERNATOR REAR END, NO.2
main27039-58330i200010-200206
main27041-58400i199907-200212
27064SEAL, ALTERNATOR PLATE
main27064-42010i199907-200212
27310FRAME ASSY, DRIVE END, ALTERNATOR
main27310-58080i200010-200206
main27310-58400i199907-200212
24V 50A
27310BBEARING(FOR ALTERNATOR DRIVE END FRAME)
main90099-10192i200010-200206
main90099-10192i199907-200212
24V 50A
27312PLATE, RETAINER
main27312-42010i200010-200206
main27312-42010i199907-200212
24V 50A
27330ROTOR ASSY, ALTERNATOR
main27330-58050i200010-200206
main27330-58050i199907-200212
24V 50A
27330ABEARING(FOR ALTERNATOR ROTOR)
main90099-10140i200010-200206
main90099-10140i199907-200212
24V 50A
27357HOLDER, ALTERNATOR, W/RECTIFIER
main27357-17080i199907-200212
27359FRAME, ALTERNATOR RECTIFIER END
main27359-58050i200010-200206
main27359-58400i199907-200212
27365PLATE, TERMINAL
main27365-55080i199907-200212
27370HOLDER ASSY, ALTERNATOR BRUSH
main27370-75060i199907-200212
27384WASHER
main27384-50030i199907-200212
27387INSULATOR, TERMINAL
main27387-42021i199907-200212
27388COVER, ALTERNATOR BRUSH
main27388-46220i199907-200212
27389INSULATOR, TERMINAL
main27389-42010i199907-200212
27411PULLEY, ALTERNATOR
main27411-58330i199907-200212
24V 50A
main27411-89102i200010-200206
27443COVER, ALTERNATOR BEARING
main27443-63020i199907-200212
27700AREGULATOR ASSY, GENERATOR
main27700-58060i200010-200206
main27700-58060i199907-200212
24V 50A
9009900195
9009900197
9009900243
9009900246
9009904966
9009905119
9009905171
9009905172
9009905267
9011908B05
9017906158
9331914025

33 parts on this diagram · 2 diagrams in section

ALTERNATOR — Toyota Parts Diagram with OEM Numbers & Prices | EPC Data