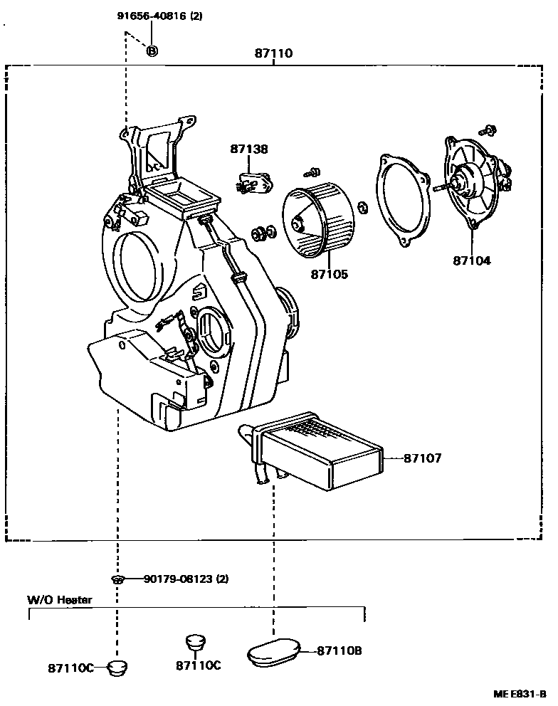
HEATING & AIR CONDITIONING - HEATER UNIT & BLOWER

87104MOTOR SUB-ASSY, HEATER BLOWER
CHINA OR ALGERIA SPEC,HEAVY DUTY; HEAVY DUTY
87105FAN SUB-ASSY, HEATER BLOWER
W/HEATER
W/HEATER
W/BOOST VENTILATOR
W/BOOST VENTILATOR
87107UNIT SUB-ASSY, HEATER RADIATOR
STD DUTY
HEAVY DUTY
HEAVY DUTY
87110HEATER ASSY
STD DUTY
STD DUTY,CHINA OR ALGERIA SPEC
STD DUTY,CHINA SPEC
HEAVY DUTY
HEAVY DUTY,CHINA SPEC
HEAVY DUTY,CHINA SPEC
HEAVY DUTY
87110BPLUG, HOLE (FOR HEATER PIPE HOLE)
87110CPLUG, HOLE (FOR HEATER INSTALLATION HOLE)
87138RESISTOR, HEATER BLOWER
CHINA OR ALGERIA SPEC
9017908123
main90179-08123
9165640816
main91656-40816
9 parts on this diagram · 3 diagrams in section