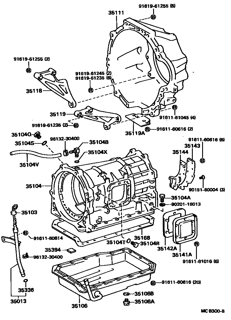
TRANSMISSION CASE & OIL PAN (ATM)

35013TUBE SUB-ASSY, TRANSMISSION OIL FILLER
35103GAGE SUB-ASSY, TRANSMISSION OIL LEVEL
35104CASE SUB-ASSY, AUTOMATIC TRANSMISSION
35104APLUG, AUTOMATIC TRANSMISSION CASE
35104BPLUG, BREATHER, NO.1 (ATM)
35104QPLUG, NO.1 (FOR TRANSAXLE CASE)
35104RPLUG, NO.2 (FOR TRANSAXLE CASE)
35104SRING, O (FOR TRANSAXLE CASE PLUG NO.1)
35104TRING, O (FOR TRANSAXLE CASE PLUG NO.2)
35104VHOSE (FOR BREATHER PLUG)
35104XRING, O (FOR BREATHER PLUG)
35106PAN SUB-ASSY, AUTOMATIC TRANSMISSION OIL
35106APLUG SUB-ASSY, DRAIN (ATM)
35106BGASKET, DRAIN PLUG (ATM)
35111HOUSING, AUTOMATIC TRANSMISSION
35118PLATE, STIFENER, RH (ATM)
35119PLATE, STIFENER, LH (ATM)
35119ACOVER, TRANSMISSION HOUSING
35141ACOVER, TRANSMISSION POWER TAKE-OFF (ATM)
35142AGASKET, TRANSMISSION POWER TAKE-OFF COVER(ATM)
35143COVER, TRANSMISSION CASE, REAR
35144GASKET, TRANSMISSION CASE REAR COVER
35168GASKET, AUTOMATIC TRANSMISSION OIL PAN
35336RING, O (FOR TRANSMISSION OIL FILLER TUBE)
35394MAGNET, OIL CLEANER (FOR TRANSMISSION)
9015160004
main90151-60004
9020116013
main90201-16013
9161160616
main91611-60616
9161160814
main91611-60814
9161161016
main91611-61016
9161161045
main91611-61045
9161961235
main91619-61235
9161961245
main91619-61245
9161961255
main91619-61255
9613230400
main96132-30400
35 parts on this diagram · 1 diagram in section