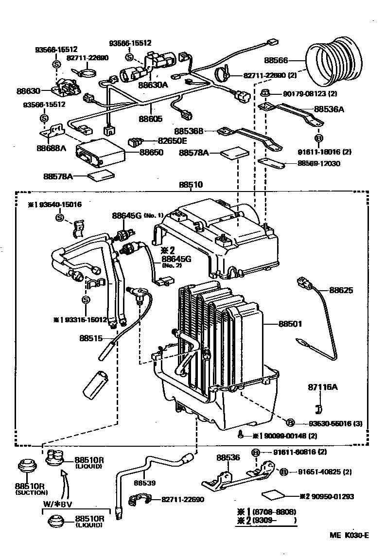
HEATING & AIR CONDITIONING - COOLER UNIT

82650EBREAKER ASSY, WIRING CIRCUIT
14A
87116ASPRING, HOLDING (FOR COOLER UNIT CASE)
main87116-14010×6iLY61..T2,T3;YY61..T2,TW;YY61..LHD..T3;LY61,YY52..TW..ST; YY61..RHD..ST199309-199505
88501EVAPORATOR SUB-ASSY, COOLER, NO.1
88510UNIT ASSY, COOLER
DEALER OPTION
SINGAPORE SPEC
88510RGROMMET (FOR COOLER UNIT)
main90099-21010iLY60,YY61..WT; LY60..LHD; LY60..RHD..ST..GEN; YY52,61..LHD; YY61..RHD..ST198708-198808
LIQUID PIPE
LIQUID PIPE
main90480-36010iLY60,YY61..WT; LY60..LHD; LY60..RHD..ST..GEN; YY52,61..LHD; YY61..RHD..ST198708-198808
SUCTION PIPE
88515VALVE, COOLER EXPANSION
88536BRACKET, COOLING UNIT, NO.1
DEALER OPTION
MAKER OPTION
88536ABRACKET, COOLING UNIT, NO.2
88536BBRACKET, COOLING UNIT, NO.3
W(BOOST VENTILATOR)
88539HOSE, COOLER UNIT DRAIN, NO.1
W(BOOST VENTILATOR)
88566DUCT, COOLER AIR, NO.1
88578APACKING, COOLER STABILIZER AMPLIFIER
88605HARNESS SUB-ASSY, COOLER WIRING, NO.1
DEALER OPTION
DEALER OPTION
MAKER OPTION
SINGAPORE SPEC
MAKER OPTION
DEALER OPTION
DEALER OPTION
88625THERMISTOR, COOLER, NO.1
88630RELAY ASSY, COOLER
88630ARELAY ASSY, COOLER
W(BOOST VENTILATOR)
88645GSWITCH, PRESSURE
NO.1; NO.2
NO.1; W(BOOST VENTILATOR),NO.1
NO.1; NO.2
88650AMPLIFIER ASSY, COOLER STABILIZER
DEALER OPTION
88688ABRACKET, COOLER STABILIZER AMPLIFIER
8271122690WIRE, FUSE TO FUSE(FOR COMBUSTION HEATER)
main82711-22690
8856912030CLAMP (FOR COOLER RELAY)
main88569-12030
9009900148
main90099-00148
9017908123
main90179-08123
9095001293
main90950-01293
9161118016
main91611-18016
9161160816
main91611-60816
9165140825
main91651-40825
9331515012
main93315-15012
9353055016
main93530-55016
9354015016
main93540-15016
9356615512
main93566-15512
31 parts on this diagram · 1 diagram in section