E
EPC Data

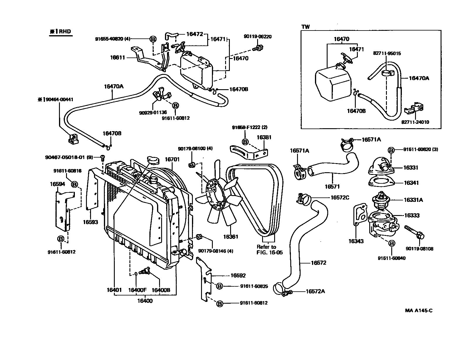
RADIATOR & WATER OUTLET

Parts diagram
16331OUTLET, WATER
main16331-54030i198708-198808
main16331-54090i198808-199505
main16331-71010i198708-199505
16331ATHERMOSTAT
main90916-03046i199201-199505
*WAX 82-95
main90916-03069i198708-199201
*WAX 82-95
main90916-03099×2i198708-198805
*WAX 88-100
16333HOUSING, WATER OUTLET
main16303-54030i198808-198906
IRELAND SPEC
main16303-54040i198808-198906
main16333-54050i198708-198808
main16333-54111i198906-198910
IRELAND SPEC
main16333-54121i198906-199108
main16333-54122i199108-199505
16341GASKET, WATER OUTLET
main16341-54011i198708-198808
main16341-54030i198808-199110
main16341-54040i199110-199505
main16341-71010i198708-198912
main16341-71011i198912-199505
16343GASKET, WATER OUTLET HOUSING
main16343-54011i198708-198808
main16343-54030i198808-199110
main16343-54040i199110-199505
16361FAN
main16361-38010i199208-199505
SINGAPORE SPEC
main16361-44032i198708-199208
main16361-54020i198708-198808
main16361-54040i198808-199505
16381BAR, FAN BELT ADJUSTING
main16381-54011i198708-198808
main16381-54060i198808-199505
main16381-73011i198708-199505
16400RADIATOR ASSY
main16400-54500i198708-198808
main16400-54511i198708-198808
main16400-54680i198808-199501
main16400-54681i199501-199505
main16400-54700i198808-199505
main16400-73130i198708-199505
main16400-73140i198708-199505
16400BPLUG, RADIATOR DRAIN COCK
main16417-24051i198808-199505
main16417-58090i198708-199505
16400FPACKING(FOR RADIATOR DRAIN COCK)
main16418-24051i198708-199505
16401CAP SUB-ASSY, RADIATOR
main16401-71010i198708-199505
16470TANK ASSY, RADIATOR RESERVE
main16470-54141i198708-199008
main16470-54150i198708-199008
16470AHOSE OR PIPE(FOR RADIATOR RESERVE TANK)
main16567-54050i199008-199505
main16567-54060i198708-199505
main90447-12088i199008-199505
L=1435
main90447-12089i198708-199505
L=1215
16470BCLAMP OR CLIP(FOR RADIATOR RESERVE TANK HOSE)
main90467-11085×2i198708-199505
16471CAP SUB-ASSY, RESERVE TANK
main16405-54120i198708-199008
main16405-54151i199008-199505
16472HOSE, BREATHER
main85338-71030i198708-199008
16571HOSE, RADIATOR, INLET
main16571-54240i198901-199505
main16571-54250i198708-198901
main16571-71050i198708-199505
16571ACLAMP OR CLIP, HOSE(FOR RADIATOR INLET)
main90467-37001×2i198708-199505
16572HOSE, RADIATOR, OUTLET
main16572-54240i198708-198808
main16572-54290i198808-199505
main16572-71040i198708-199505
16572ACLAMP OR CLIP, HOSE(FOR RADIATOR OUTLET NO.1)
main90467-37002×2i198708-199505
main96111-10460i198708-199505
RADIATOR SIDE
main96111-10500i198808-199505
ENGINE SIDE
16572CCLAMP OR CLIP, HOSE(FOR RADIATOR OUTLET NO.2)
main96111-10500i198708-198808
16592GUIDE, RADIATOR AIR, NO.3
main16592-54020i198708-198808
main16592-54030i198808-199505
LH
main16594-54060i198808-199505
RH
16593GUIDE, RADIATOR AIR, NO.1
main16593-56030i198708-199505
16594GUIDE, RADIATOR AIR, NO.2
main16594-54040i198708-198808
16611BRACKET, RADIATOR RESERVE TANK
main16611-54080i198708-199008
16701SHROUD SUB-ASSY, FAN
main16701-54120i198708-198808
main16701-54190i198808-199505
main16701-71010i198708-199505
8271124010WIRE, FUSE TO FUSE(FOR COMBUSTION HEATER)
8271195015WIRE, FUSE TO FUSE(FOR COMBUSTION HEATER)
9011906220
9011908108
9017906100
9017908146
9046400441
904670501801
9092901136
9161160812
9161160816
9161160820
9161160825
9161160840
9165540820
91659F1222

43 parts on this diagram · 3 diagrams in section

RADIATOR & WATER OUTLET — Toyota Parts Diagram with OEM Numbers & Prices | EPC Data