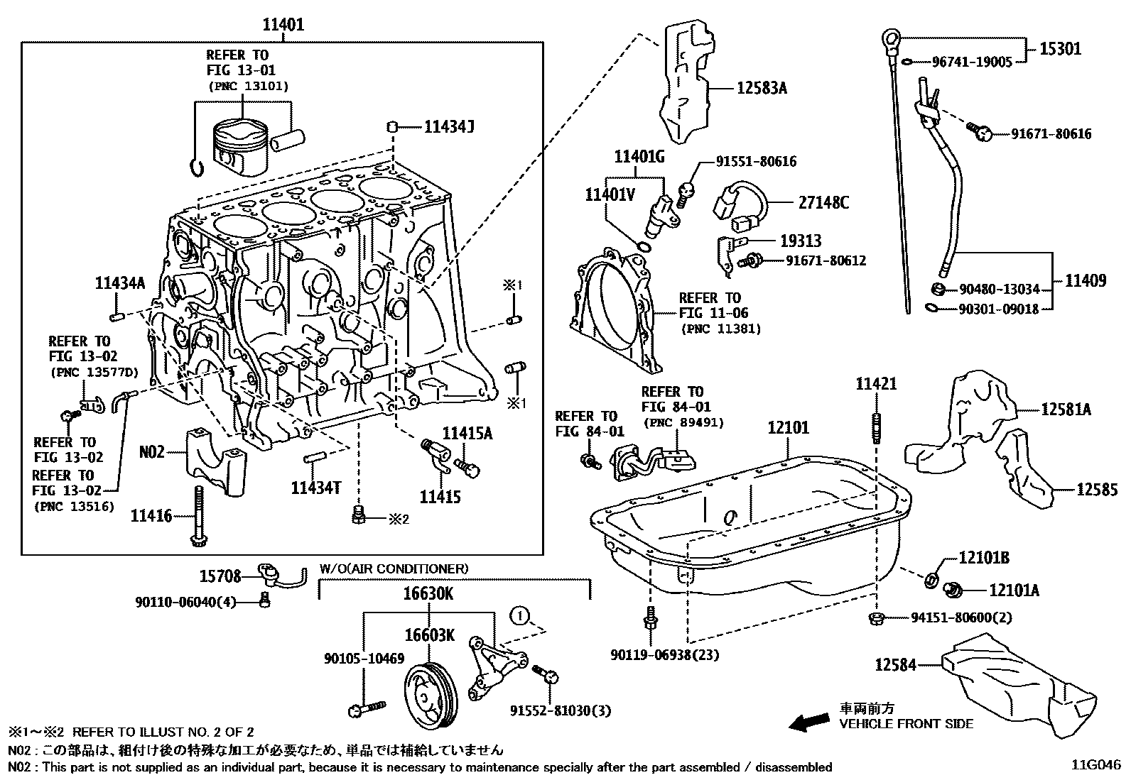
CYLINDER BLOCK

1106
11401GSENSOR, CRANK POSITION
11401VO-RING, CRANK POSITION SENSOR
11409GUIDE SUB-ASSY, OIL LEVEL GAGE
11415COCK SUB-ASSY, WATER DRAIN(FOR CYLINDER BLOCK)
11415APLUG, WATER DRAIN COCK(FOR CYLINDER BLOCK)
11416BOLT(FOR CRANKSHAFT BEARING CAP SET)
11421BOLT, STUD(FOR OIL PAN)
11434APIN, STRAIGHT(FOR TIMING GEAR COVER SET)
L=18,OD=8
L=8,OD=11
11434JPIN, RING (FOR CYLINDER HEAD SET)
11434TPIN, RING(FOR TIMING BELT IDLER BRACKET SET)
12101PAN SUB-ASSY, OIL
12101APLUG(FOR OIL PAN DRAIN)
12101BGASKET(FOR OIL PAN DRAIN PLUG)
12581AINSULATOR, CYLINDER BLOCK, NO.1
12583AINSULATOR, CYLINDER BLOCK, NO.3
12584INSULATOR, CYLINDER BROCK, NO.4
12585INSULATOR, CYLINDER BROCK, NO.5
1301
1302
15301GAGE SUB-ASSY, OIL LEVEL
15708NOZZLE SUB-ASSY, OIL, NO.1
16603KPULLEY SUB-ASSY, IDLER
16630KPULLEY ASSY, IDLER
19313BRACKET, CRANK POSITION SENSOR HARNESS
27148CWIRE, CONNECTING
8401
9010510469
main90105-10469
9011006040
main90110-06040
9011906938
main90119-06938
9030109018
main90301-09018
9048013034
main90480-13034
9155180616
main91551-80616
9155281030
main91552-81030
9167180612
main91671-80612
9167180616
main91671-80616
9415180600
main94151-80600
9674119005
main96741-19005
39 parts on this diagram · 4 diagrams in section