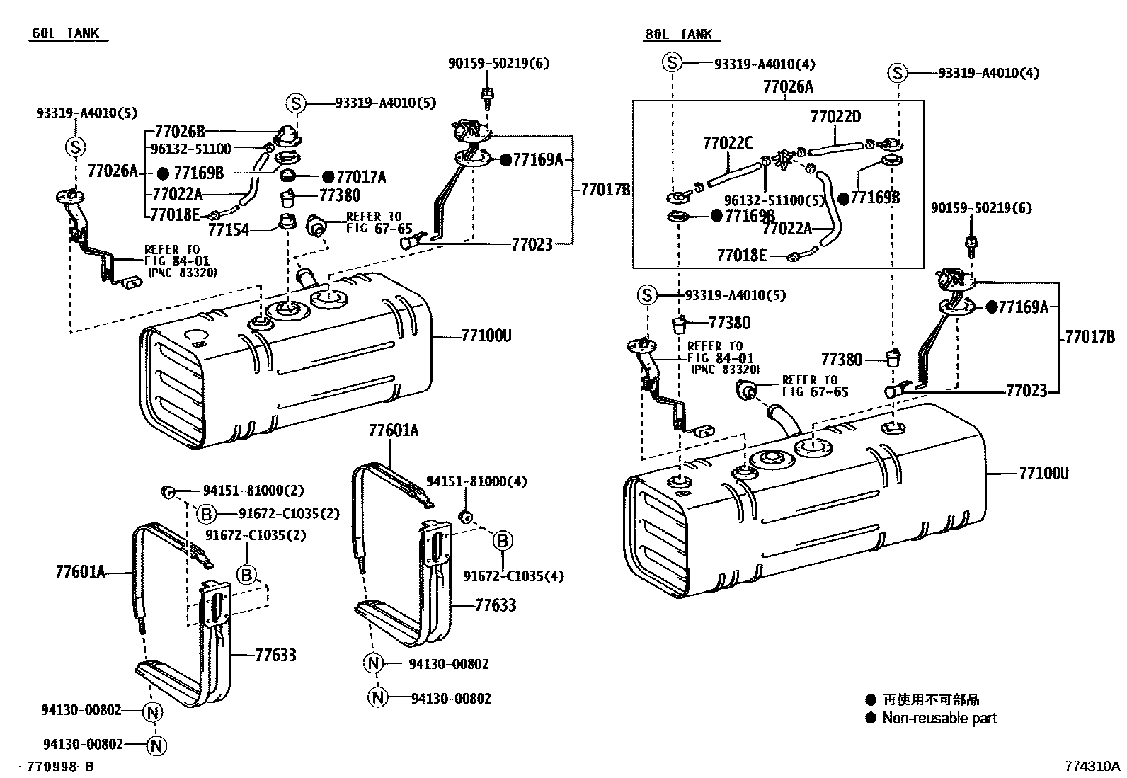
FUEL TANK & TUBE

6765
77017AGASKET, FUEL TANK VENT
77017BTUBE SUB-ASSY, FUEL TANK VENT
77018ETUBE SUB-ASSY, FUEL TANK EVAPORATION VENT
77022AHOSE, FUEL(FOR FUEL EVAPORATIVE SEPARATOR)
*H,L=400
77022CHOSE OR TUBE(FOR FUEL EVAPORATIVE SEPARATOR)
77022DHOSE OR TUBE(FOR FUEL EVAPORATIVE SEPARATOR)
77023FILTER SUB-ASSY, FUEL SUCTION TUBE
77026ATUBE SUB-ASSY, FUEL EVAPORATION, NO.1
77026BTUBE SUB-ASSY, FUEL EVAPORATION, NO.1
77100UTANK SUB-ASSY, FUEL
830 X 304 X 304
1075 X 304 X 304
830 X 304 X 304
1075 X 304 X 304
77169AGASKET, FUEL SUCTION TUBE SET
77380VALVE ASSY, FUEL CUT OFF
77601ABAND SUB-ASSY, FUEL TANK, NO.1
77633STAY, FUEL TANK
8401
9015950219
main90159-50219
91672C1035
main91672-C1035
93319A4010
main93319-A4010
9413000802
main94130-00802
9415181000
main94151-81000
9613251100
main96132-51100
24 parts on this diagram · 5 diagrams in section