E
EPC Data

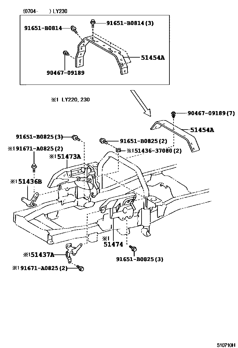
SUSPENSION CROSSMEMBER & UNDER COVER

Parts diagram
51436BBRACKET, ENGINE SIDE COVER, NO.1 RH
main51436-25030i200107-202111
51437ABRACKET, ENGINE SIDE COVER, NO.1 LH
main51047-25010i200107-202111
51454ASILENCER, ENGINE REAR COVER
main51454-25030i200107
main51480-25010i200704-201007
main51480-25011i201008-202011
main51480-25020i200704-201007
main51480-25021i201008
51473ACOVER SUB-ASSY, ENGINE SIDE, RH
main51473-25050i200107-200607
main51473-25060i200608-202111
51474COVER SUB-ASSY, ENGINE SIDE, LH
main51474-25040i200107-202111
main51474-25050i200108-201502
5143637080PROTECTOR, ENGINE FRONT SUPPORT
9046709189
91651B0814
91651B0825
91671A0825

10 parts on this diagram · 2 diagrams in section

SUSPENSION CROSSMEMBER & UNDER COVER — Toyota Parts Diagram with OEM Numbers & Prices | EPC Data