E
EPC Data

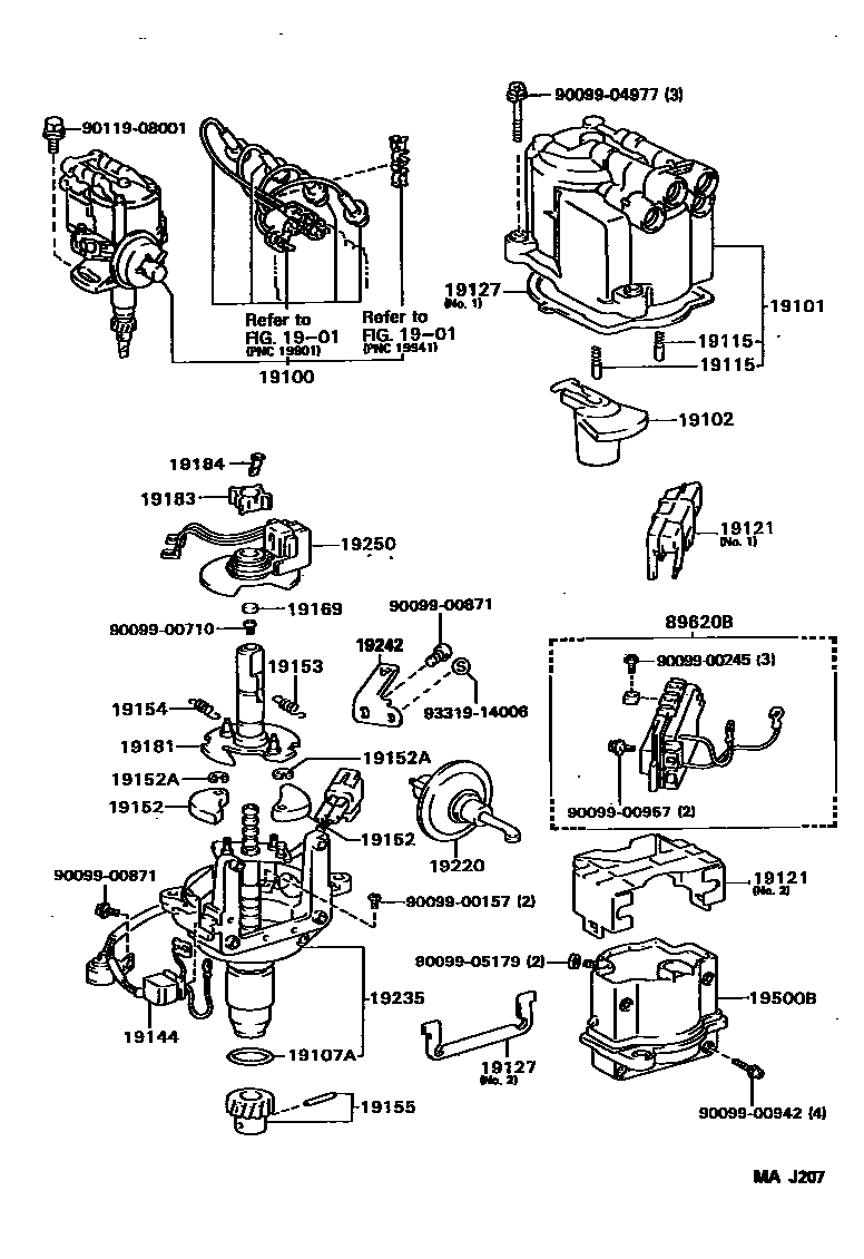
DISTRIBUTOR

Parts diagram
1901IGNITION COIL & SPARK PLUG / GLOW PLUG
19100DISTRIBUTOR ASSY
main19030-72080i199505-199605
main19030-73110i199505
CHINA SPEC
main19030-73131i199505-199605
19101CAP SUB-ASSY, DISTRIBUTOR
main19101-71010i199505
19102ROTOR SUB-ASSY, DISTRIBUTOR
main19102-16040i199505-199605
main19102-16060i199505-199605
19107ARING, O, DISTRIBUTOR HOUSING
main90099-14090i199505
19115PIECE, DISTRIBUTOR CAP, CENTER
main19115-63010×2i199505
19121COVER, DUST PROOF
main19121-63010i199505
NO.1
main19121-63040i199505
NO.2
19127PACKING, DUST PROOF
main19127-63010i199505
NO.1
main19127-63020i199505
NO.2
19144LEAD, DISTRIBUTOR BREAKER
main19144-73060i199505-199605
main19144-73070i199505-199605
19152WEIGHT, GOVERNOR
main19152-63010×2i199505
19152ARING, SNAP(FOR GOVERNOR WEIGHT)
main90099-07122×2i199505
19153SPRING, GOVERNOR, A
main19153-72060i199505
main19153-73050i199505
CHINA SPEC
19154SPRING, GOVERNOR, B
main19153-72060i199505
main19153-73050i199505
CHINA SPEC
19155GEAR, SPIRAL, DISTRIBUTOR
main19195-71010i199505-199603
main19195-72090i199603
19169STOPPER, CAM GREASE
main19169-63011i199505
19181ROTOR, DISTRIBUTOR, SIGNAL
main19181-72011i199505
main19181-73060i199505
CHINA SPEC
19183ROTOR, SIGNAL
main19183-63030i199505
19184SPRING, ROTOR SET
main19184-63010i199505
19220ADVANCER ASSY, VACUUM, DISTRIBUTOR
main19220-72070i199505-199605
main19220-73130i199505-199605
19235HOUSING, DISTRIBUTOR
main19235-72011i199505
19242CLAMP, CORD
main19242-72030i199505
19250GENERATOR ASSY, SIGNAL
main19251-63011i199505
19500BCOIL ASSY, IGNITION
main90919-02139i199505
89620BIGNITER ASSY
main89620-32020i199505
9009900157
9009900245
9009900710
9009900871
9009900942
9009900957
9009904977
9009905179
9011908001
9331914006

34 parts on this diagram · 1 diagram in section

DISTRIBUTOR — Toyota Parts Diagram with OEM Numbers & Prices | EPC Data