E
EPC Data

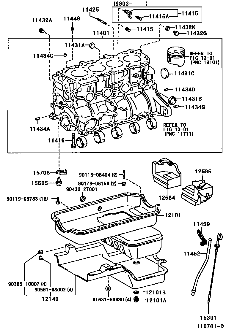
CYLINDER BLOCK

Parts diagram
11401BLOCK SUB-ASSY, CYLINDER
main11401-59505i199505
main11401-59645i199805
main11401-79148i199505-199512
CHINA SPEC
main11401-79149i199512
CHINA SPEC
main11401-79735i199505-199512
main11401-79736i199512
11415COCK SUB-ASSY, WATER DRAIN(FOR CYLINDER BLOCK)
main90345-53030i199505-199803
main90910-09110i199803
main96431-53828i199505
11415APLUG, WATER DRAIN COCK(FOR CYLINDER BLOCK)
main90910-09087i199803
main96432-23814i199505
11416BOLT(FOR CRANKSHAFT BEARING CAP SET)
main90910-02032i199505
main90910-02061i199505
11425BOLT, STUD(FOR OIL FILTER)
main90116-08157i199505-199511
main92112-60825i199511-199705
main92112-80825i199705
11431APLUG, TIGHT, NO.1(FOR CYLINDER BLOCK)
main96411-01800i199505
main96411-42500i199505
11431BPLUG, TIGHT, NO.2(FOR CYLINDER BLOCK)
main96411-43500i199505
11431CPLUG, TIGHT, NO.3(FOR CYLINDER BLOCK)
main96411-45000i199505
11432APLUG, W/HEAD TAPER SCREW, NO.1
main90345-51006i199505
11432GPLUG, W/HEAD STRAIGHT SCREW, NO.5
main90341-12006i199505-199610
11432KGASKET, W/HEAD STRAIGHT SCREW PLUG
main90430-12221i199505-199610
11434APIN, STRAIGHT(FOR TIMING GEAR COVER SET)
main90250-08120i199505
L=18,OD=8
main90253-11021i199505
L=8,OD=11
11434CPIN, STRAIGHT (FOR CYLINDER HEAD SET)
main90253-15005i199505
L=7,OD=14.5
11434DPIN, STRAIGHT(FOR ENGINE REAR OIL SEAL)
main90253-11021i199505
L=8,OD=11
11434GPIN, STRAIGHT(FOR END PLATE)
main90250-10113i199505
11448ORIFICE, CYLINDER BLOCK OIL
main11448-54020i199505
11452GUIDE, OIL LEVEL GAGE
main11452-54090i199505
main11452-71020i199505
11459SUPPORT, OIL LEVEL GAGE GUIDE
main11459-71011i199505
main90929-01203i199505
12101PAN SUB-ASSY, OIL
main12101-54212i199505-199708
main12101-54260i199505-199808
main12101-54261i199808
main12101-73020i199505
12101APLUG(FOR OIL PAN DRAIN)
main90341-12012i199505
12101BGASKET(FOR OIL PAN DRAIN PLUG)
main90430-12031i199505
12140COVER, OIL PAN
main12140-54010i199505
12584INSULATOR, CYLINDER BROCK, NO.4
main12584-54011i199505
12585INSULATOR, CYLINDER BROCK, NO.5
main12585-54011i199505
1301
15301GAGE SUB-ASSY, OIL LEVEL
main15301-54080i199505-199805
main15301-54140i199805
main15301-71020i199505
15605VALVE SUB-ASSY, OIL CHECK
main15605-54010i199505
15708NOZZLE SUB-ASSY, OIL, NO.1
main15708-54060i199505
9011608404
9011908783
9017908150
9038510007
9043027001
9056108002
9163160830

35 parts on this diagram · 3 diagrams in section

CYLINDER BLOCK — Toyota Parts Diagram with OEM Numbers & Prices | EPC Data