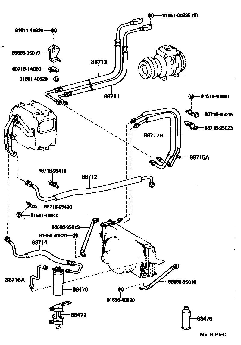
HEATING & AIR CONDITIONING - COOLER PIPING

88470RECEIVER & DRYER ASSY, COOLER
MAKER OPTION
DEALER OPTION
88472BRACKET, RECEIVER TANK, NO.1
88479FREON GAS, AIR CONDITIONER (DRUM, COOLER REFRIGERANT)
400G
88711HOSE, COOLER REFRIGERANT DISCHARGE, NO.1
MAKER OPTION
MAKER OPTION
88712HOSE, COOLER REFRIGERANT SUCTION, NO.1
88713HOSE, COOLER REFRIGERANT SUCTION, NO.2
MAKER OPTION
MAKER OPTION
88714HOSE, COOLER REFRIGERANT LIQUID, NO.1
88715APIPE, COOLER REFRIGERANT DISCHARGE, A
88716APIPE, COOLER REFRIGERANT LIQUID, A
88717BPIPE, COOLER REFRIGERANT SUCTION, B
8868895013BRACKET, COOLER DIAPHRAGM
main88688-95013
8868895018BRACKET, COOLER DIAPHRAGM
main88688-95018
8868895019BRACKET, COOLER DIAPHRAGM
main88688-95019
887181A080PIPE, COOLER REFRIGERANT SUCTION, NO.2
main88718-1A080
8871895015PIPE, COOLER REFRIGERANT SUCTION, NO.2
main88718-95015
8871895023PIPE, COOLER REFRIGERANT SUCTION, NO.2
main88718-95023
8871895419PIPE, COOLER REFRIGERANT SUCTION, NO.2
main88718-95419
8871895420PIPE, COOLER REFRIGERANT SUCTION, NO.2
main88718-95420
9161140816
main91611-40816
9161140820
main91611-40820
9161140840
main91611-40840
9165140620
main91651-40620
9165160835
main91651-60835
9165640820
main91656-40820
24 parts on this diagram · 5 diagrams in section