E
EPC Data

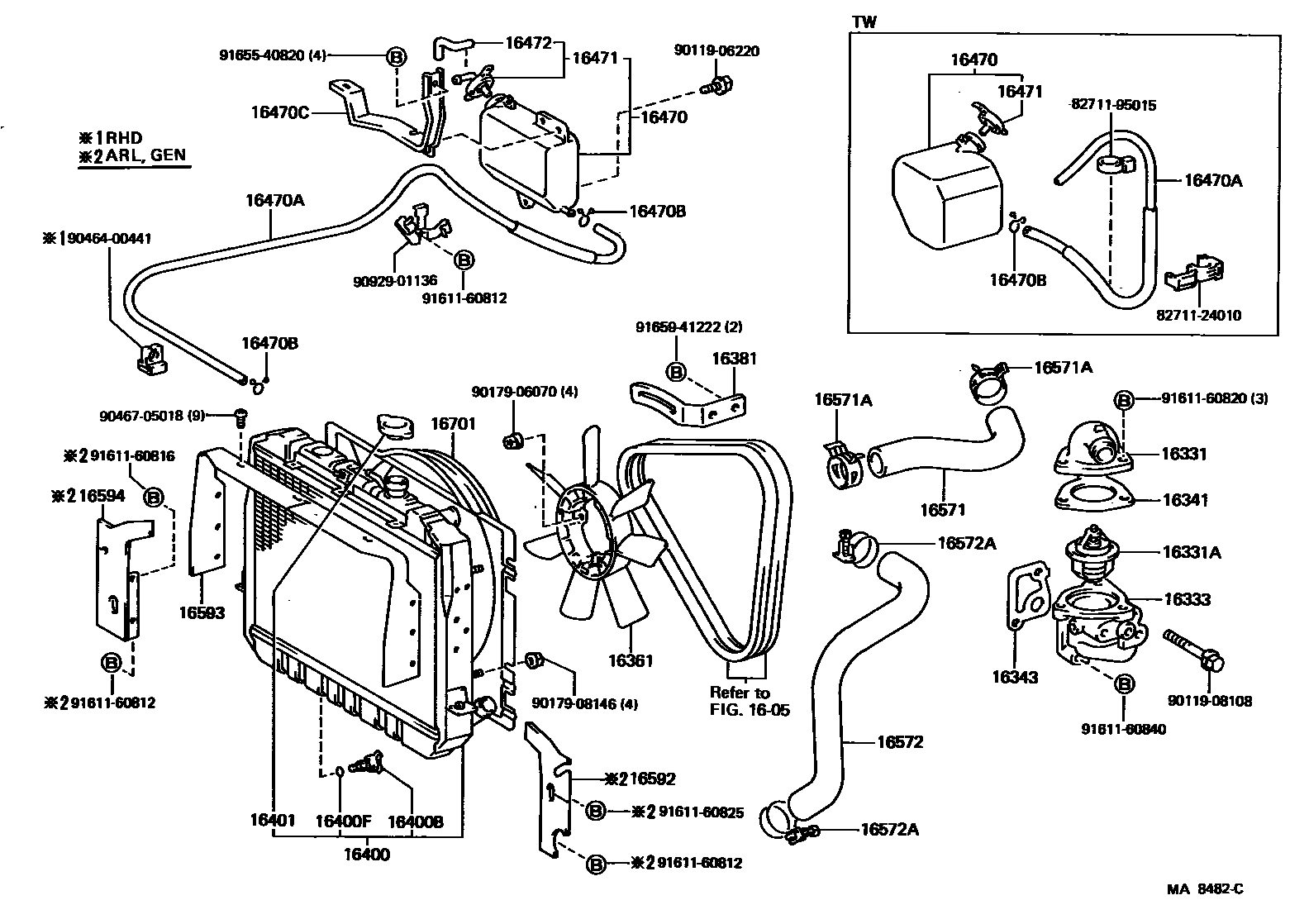
RADIATOR & WATER OUTLET

Parts diagram
16331OUTLET, WATER
main16331-54030i198508-198708
main16331-71010i198508-198708
16331ATHERMOSTAT
main90916-03062i198508-198708
*WAX 88-100,*WAX88-100
main90916-03069i198508-198708
*WAX 82-95
16333HOUSING, WATER OUTLET
main16333-54050i198508-198708
16341GASKET, WATER OUTLET
main16341-54011i198508-198708
main16341-71010i198508-198708
16343GASKET, WATER OUTLET HOUSING
main16343-54011i198508-198708
16361FAN
main16361-38010i198608-198708
main16361-44032i198508-198608
main16361-54020i198508-198708
16381BAR, FAN BELT ADJUSTING
main16381-54011i198508-198708
main16381-73011i198508-198708
16400RADIATOR ASSY
main16400-54500i198508-198708
main16400-54510i198508-198608
main16400-54511i198608-198708
main16400-73130i198508-198708
main16400-73140i198508-198708
16400BPLUG, RADIATOR DRAIN COCK
main16417-58090i198508-198708
16400FPACKING(FOR RADIATOR DRAIN COCK)
main16418-24051i198508-198708
16401CAP SUB-ASSY, RADIATOR
main16401-71010i198508-198708
16470TANK ASSY, RADIATOR RESERVE
main16470-54140i198508-198706
main16470-54141i198706-198708
main16470-54150i198508-198708
16470AHOSE OR PIPE(FOR RADIATOR RESERVE TANK)
main16567-54010i198508-198708
main16567-54020i198508-198708
main90447-12061i198508-198708
main90447-12062i198508-198708
16470BCLAMP OR CLIP(FOR RADIATOR RESERVE TANK HOSE)
main90467-11085×2i198508-198708
16470CBRACKET(FOR RADIATOR RESERVE TANK)
main16611-54080i198508-198708
16471CAP SUB-ASSY, RESERVE TANK
main16405-54120i198508-198708
main16405-54150i198508-198706
main16405-54151i198706-198708
16472HOSE, BREATHER
main85338-71030i198508-198708
16571HOSE, RADIATOR, INLET
main16571-54250i198508-198708
main16571-71050i198508-198708
16571ACLAMP OR CLIP, HOSE(FOR RADIATOR INLET)
main90467-37001×2i198508-198708
16572HOSE, RADIATOR, OUTLET
main16572-54240i198508-198708
main16572-71040i198508-198708
RADIATOR TO PIPE
main16573-71020i198508-198708
PIPE TO INLET
16572ACLAMP OR CLIP, HOSE(FOR RADIATOR OUTLET NO.1)
main90467-37002×4i198508-198708
main96111-10460i198508-198708
RADIATOR SIDE
main96111-10500i198508-198708
ENGINE SIDE
16592GUIDE, RADIATOR AIR, NO.3
main16592-54020i198508-198708
16593GUIDE, RADIATOR AIR, NO.1
main16593-56030i198508-198708
16594GUIDE, RADIATOR AIR, NO.2
main16594-54040i198508-198708
16701SHROUD SUB-ASSY, FAN
main16701-54120i198508-198708
main16701-54131i198608-198708
W/RADIATOR SHUTTER
main16701-71010i198508-198708
8271124010WIRE, FUSE TO FUSE(FOR COMBUSTION HEATER)
8271195015WIRE, FUSE TO FUSE(FOR COMBUSTION HEATER)
9011906220
9011908108
9017906070
9017908146
9046400441
9046705018
9092901136
9161160812
9161160816
9161160820
9161160825
9161160840
9165540820
9165941222

42 parts on this diagram · 2 diagrams in section

RADIATOR & WATER OUTLET — Toyota Parts Diagram with OEM Numbers & Prices | EPC Data