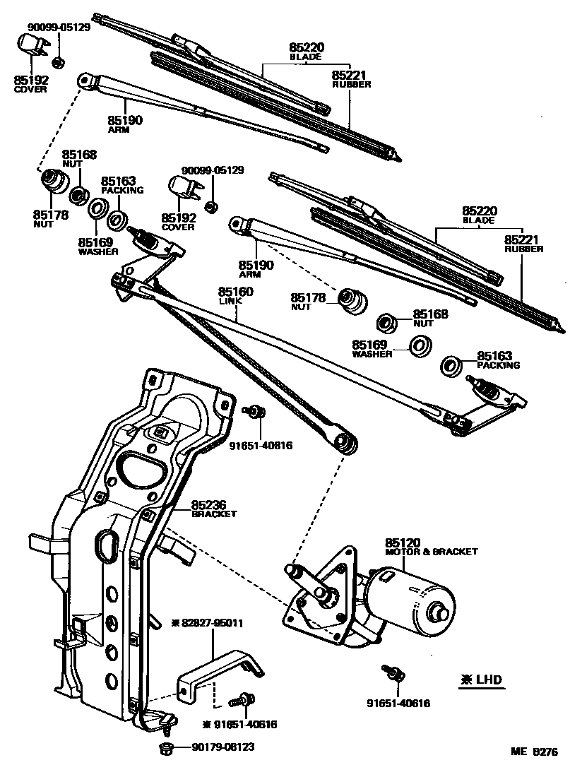
WINDSHIELD WIPER

85160LINK ASSY, WINDSHIELD WIPER
85163PACKING, WINDSHIELD WIPER PIVOT
85168NUT, WINDSHIELD WIPER LINK PIVOT
85169WASHER, WINDSHIELD WIPER LINK PIVOT, NO.1
85178NUT (FOR FRONT WIPER ARM SETTING)
85190ARM ASSY, WINDSHIELD WIPER
85192COVER, WINDSHIELD WIPER ARM
85220BLADE ASSY, WINDSHIELD WIPER
85221BLADE, WINDSHIELD WIPER
85236BRACKET, WINDSHIELD WIPER
8282795011PROTECTOR, REAR FLOOR SIDE HARNESS, RH
main82827-95011
9009905129
main90099-05129
9017908123
main90179-08123
9165140616
main91651-40616
9165140816
main91651-40816
16 parts on this diagram · 1 diagram in section