E
EPC Data

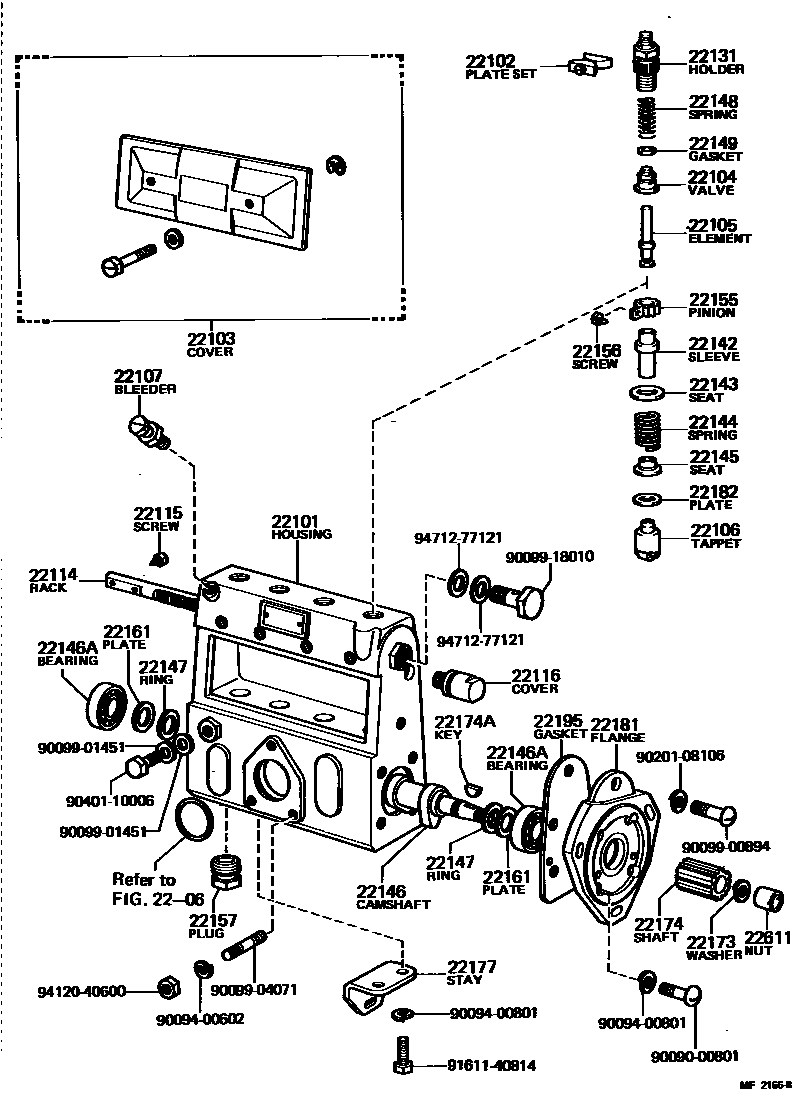
INJECTION PUMP BODY

Parts diagram
2206
22101HOUSING SUB-ASSY, INJECTION PUMP
main22101-54020i198207-198404
main22101-54230i198404-198504
main22101-64230i198408-198507
main22101-64250i198504-198507
main22190-48032i197903-198308
22102PLATE SET, VALVE HOLDER LOCK
main22102-77021×3i197903-198308
22103COVER SUB-ASSY, INJECTION PUMP
main22103-48030i197903-198308
22104VALVE SUB-ASSY, INJECTION PUMP DELIVERY
main22104-54010×4i197903-198004
main22104-54060×4i197909-198004
HONG KONG SPEC
main22104-77020×4i197903-198308
22105ELEMENT SUB-ASSY, INJECTION PUMP
main22105-48110×4i197903-198308
22106TAPPET SUB-ASSY, INJECTION PUMP
main22106-46010×4i197903-198308
22107BLEEDER SUB-ASSY, AIR
main22150-67010i197903-198308
22114RACK, CONTROL
main22114-48030i197903-198308
22115SCREW, RACK GUIDE
main22115-77020i197903-198308
22116COVER, CONTROL RACK
main22116-46010i197903-198308
22131HOLDER, DELIVERY VALVE
main22131-54010×4i197903-198201
main22131-54110×4i198201-198507
main22131-77020×4i197903-198308
22142SLEEVE, PLUNGER CONTROL
main22142-77020×4i197903-198308
22143SEAT, SPRING UPPER
main22143-54010×2i197903-198507
main22143-77020×4i197903-198308
22144SPRING, PUMP PLUNGER
main22144-46010×4i197903-198308
main22144-54010×2i197903-198201
main22144-54180×2i198201-198308
main22144-54190×2i198308-198507
22145SEAT, SPRING, LOWER
main22145-46010×4i197903-198308
main22145-54010i197903-198507
22146CAMSHAFT, INJECTION PUMP
main22146-56010i197903-198308
22146ABEARING(FOR INJECTION CAMSHAFT)
main90099-10087×2i197903-198308
22147RING, CAMSHAFT ADJUST
main22147-77020×2i197903-198308
22148SPRING, DELIVERY VALVE
main22148-46010×4i197903-198308
main22148-54010×4i197903-198507
22149GASKET, DELIVERY VALVE
main22149-54010×4i197903-198507
main22149-76010×4i197903-198308
22155PINION, PLUNGER CONTROL
main22155-76010×4i197903-198308
22156SCREW, PLUNGER CONTROL PINION CLAMP
main22156-76010×4i197903-198308
22157PLUG, INJECTION PUMP FELT PLATE
main22157-48023×4i197903-198308
22161PLATE, CAMSHAFT SHIM
main22161-76010i197903-198308
T=0.10,T=0.10
main22162-76010i197903-198308
T=0.12,T=0.12
main22163-76010i197903-198308
T=0.14,T=0.14
main22164-76010i197903-198308
T=0.16,T=0.16
main22165-76010i197903-198308
T=0.18,T=0.18
main22166-76010i197903-198308
T=0.50,T=0.50
22173WASHER, SPRING
main22173-46010i197903-198308
22174SHAFT, SPLINE
main22174-47010i197903-198308
22174AKEY(FOR SPLINE SHAFT)
main90099-13002i197903-198308
22177STAY, INJECTION PUMP BODY
main22177-48030i197903-198308
22181FLANGE, INJECTION PUMP
main22181-48031i197903-198308
22182PLATE, TAPPET ADJUSTING SHIM
main22182-46010i197903-198308
T=0.10,T=0.10
main22182-54010×2i197903-198507
T=0.5,T=0.5
main22183-46010i197903-198308
T=0.20,T=0.20
main22183-54010×2i197903-198507
T=0.8,T=0.8
main22184-46010i197903-198308
T=0.30,T=0.30
main22184-54010×2i197903-198507
T=1.0,T=1.0
main22185-46010i197903-198308
T=0.40,T=0.40
main22185-54010×2i197903-198507
T=1.2,T=1.2
main22186-46010i197903-198308
T=0.50,T=0.50
main22186-48010i197903-198308
T=0.15,T=0.15
main22186-54010×2i197903-198507
T=1.5,T=1.5
main22187-46010i197903-198308
T=0.60,T=0.60
main22187-54010×2i197903-198507
T=1.8,T=1.8
main22188-46010i197903-198308
T=0.70,T=0.70
main22188-54010×2i197903-198507
T=2.0,T=2.0
main22189-46010i197903-198308
T=0.80,T=0.80
main22189-48031i197903-198308
T=0.90,T=0.90
main22189-48032i197903-198308
T=1.00,T=1.00
main22189-48033i197903-198308
T=1.10,T=1.10
main22189-48034i197903-198308
T=1.20,T=1.20
main22189-48035i197903-198308
T=1.30,T=1.30
main22189-48036i197903-198308
T=1.40,T=1.40
22195GASKET, BEARING COVER
main22195-48030i197903-198308
22611NUT, TIMER ROUND
main22611-46010i197903-198308
9009000801
9009400602
9009400801
9009900894
9009901451
9009904071
9009918010
9020108106
9040110006
9161140814
9412040600
9471277121

45 parts on this diagram · 4 diagrams in section

INJECTION PUMP BODY — Toyota Parts Diagram with OEM Numbers & Prices | EPC Data