E
EPC Data

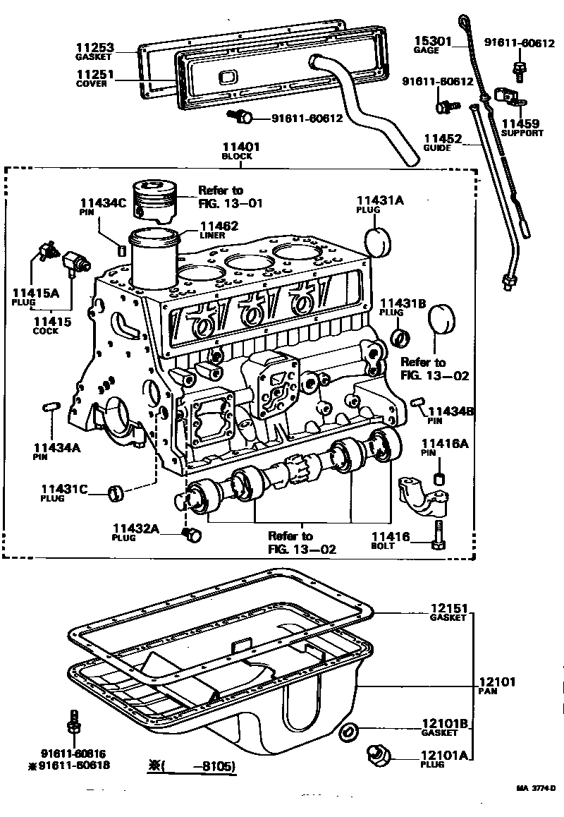
CYLINDER BLOCK

Parts diagram
11251COVER, VALVE PUSH ROD
main11203-31011i197903-198507
main11203-48020i197903-198308
main11204-44010i198005-198507
FR
main11251-44010i198005-198507
RR
main11251-44010i197903-198308
11253GASKET, VALVE PUSH ROD COVER
main11253-31011i197903-198507
main11253-40010i197903-198507
main11253-46010i197903-198308
11401BLOCK SUB-ASSY, CYLINDER
main11401-39127i197903-198507
main11401-49227i197903-198507
main11401-49237i197903-198308
CHINA SPEC
main11401-49335i198105-198204
main11401-49336i198204-198308
main11401-59066i197903-198105
main11401-59067i198105-198107
main11401-59106i198107-198202
main11401-59107i198202-198207
main11401-59185i198207-198304
main11401-59235i198304-198308
main11401-59245i198308-198407
main11401-59246i198407-198507
11415COCK SUB-ASSY, WATER DRAIN(FOR CYLINDER BLOCK)
main90910-09056i197903-197905
main90910-09070i198405-198504
main96431-03833i197903-198504
main96431-53828i198504-198507
11415APLUG, WATER DRAIN COCK(FOR CYLINDER BLOCK)
main90910-09072i198405-198504
main96431-23814i197903-198407
main96431-23814i198407-198504
L=28
main96432-23814i198504-198507
L=24
11416BOLT(FOR CRANKSHAFT BEARING CAP SET)
main90910-02029i197903-198308
*12-1.25PX75-22
main90910-02038i197903-198507
*12-1.25PX67-21
main90910-02061i197903-198507
*12-1.25PX80-24
main90910-02064i197903-198507
*12-1.25PX62-21
11416APIN, RING(FOR CRANKSHAFT BEARING CAP SET)
main90253-15005i197903-198507
main90253-16014i197903-198507
11431APLUG, TIGHT, NO.1(FOR CYLINDER BLOCK)
main90330-21012i197903-198507
OD=21
main90331-50015i197903-198205
OD=50
main96411-42500i197903-198507
OD=25
main96411-45000i197903-198507
OD=50
11431BPLUG, TIGHT, NO.2(FOR CYLINDER BLOCK)
main96411-43000i197903-198507
OD=30
main96411-43500i197903-198507
OD=35
main96411-45000i197903-198507
OD=50
11431CPLUG, TIGHT, NO.3(FOR CYLINDER BLOCK)
main90330-21012i197903-198308
OD=21
main90331-27041i197903-198507
OD=27
main96411-45000i197903-198507
OD=50
11432APLUG, W/HEAD TAPER SCREW, NO.1
main90345-51003i197903-198308
main90345-51006i198210-198507
main90345-51025i197903-198210
11434APIN, STRAIGHT(FOR TIMING GEAR COVER SET)
main90250-08120i197903-198308
L=18,OD=8,L=18,OD=8
main90250-10192i197903-198507
L=22,OD=10,L=22,OD=10
main90253-11001i197903-198507
L=11,OD=11,L=11,OD=11
11434BPIN, STRAIGHT(FOR CLUTCH HOUSING SET)
main90250-08054i197903-198308
L=23,OD=8,L=23,OD=8
main90250-10052i197903-198507
L=20,OD=10,L=20,OD=10
main90250-10192i197903-198507
L=22,OD=10,L=22,OD=10
11434CPIN, STRAIGHT (FOR CYLINDER HEAD SET)
main90250-06037i197903-198308
L=12,OD=6,L=12,OD=6
main90250-08074i197903-198308
L=15,OD=8,L=15,OD=8
main90253-15005i197903-198507
L=7,OD=14.5,L=7,OD=14.5
11452GUIDE, OIL LEVEL GAGE
main11452-31020i197903-198507
main11452-44020i197903-198001
main11452-44030i198001-198507
main11452-48020i197903-198308
main11452-54020i197903-198101
main11452-54021i198101-198507
11459SUPPORT, OIL LEVEL GAGE GUIDE
main11495-48010i197903-198308
main90461-10270i198101-198507
main90461-10346i197903-198101
11462LINER, CYLINDER
main11461-48011i197903-198308
main11461-54010i197903-198308
12101PAN SUB-ASSY, OIL
main12101-39245i197903-198507
main12101-49196i197903-198105
main12101-49197i198105-198308
main12101-49216i197903-198507
main12101-54051i198407-198504
main12101-54052i198504-198507
main12101-59095i197903-197909
main12101-59096i197909-198003
main12101-59125i198003-198407
12101APLUG(FOR OIL PAN DRAIN)
main90341-18089i197903-198507
main90341-25054i197903-198105
12101BGASKET(FOR OIL PAN DRAIN PLUG)
main90430-18013i198411-198507
main90430-18244i197903-198507
main90430-25013i197903-198105
12151GASKET, OIL PAN
main12151-30010i197903-198507
main12151-44010i197903-198507
main12151-48010i197903-198105
main12151-48011i198105-198308
main12151-54010i197903-197909
main12151-54020i197909-198507
1301
1302
15301GAGE SUB-ASSY, OIL LEVEL
main15301-31050i197903-198507
main15301-44050i197903-198001
main15301-44080i198001-198507
main15301-48021i197903-198308
main15301-54030i197903-198507
9161160612
9161160618
9161160816

27 parts on this diagram · 5 diagrams in section

CYLINDER BLOCK — Toyota Parts Diagram with OEM Numbers & Prices | EPC Data