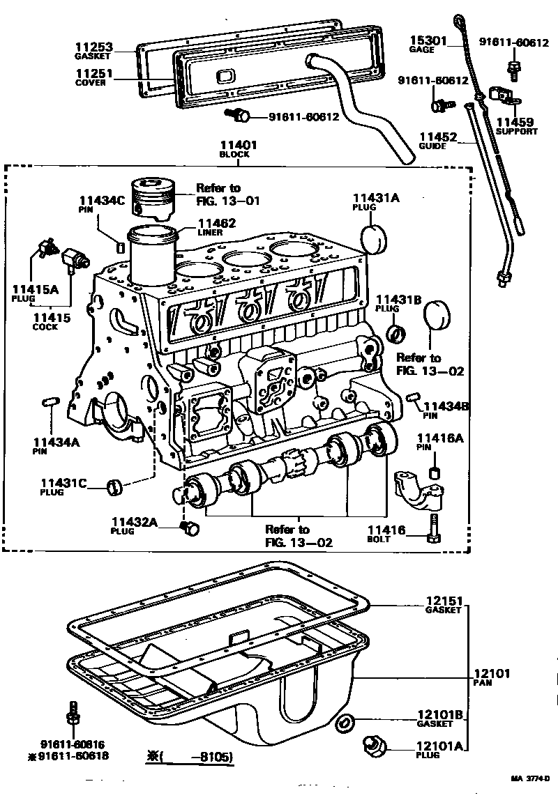
CYLINDER BLOCK

11251COVER, VALVE PUSH ROD
FR
RR
11253GASKET, VALVE PUSH ROD COVER
11401BLOCK SUB-ASSY, CYLINDER
CHINA SPEC
sub11401-49337
sub11401-59155
sub11401-59195
sub11401-59195
sub11401-59236
11415COCK SUB-ASSY, WATER DRAIN(FOR CYLINDER BLOCK)
11415APLUG, WATER DRAIN COCK(FOR CYLINDER BLOCK)
L=24
11416BOLT(FOR CRANKSHAFT BEARING CAP SET)
*12-1.25PX75-22
*12-1.25PX80-24
11416APIN, RING(FOR CRANKSHAFT BEARING CAP SET)
11431APLUG, TIGHT, NO.1(FOR CYLINDER BLOCK)
OD=21
OD=50
OD=25
OD=50
11431BPLUG, TIGHT, NO.2(FOR CYLINDER BLOCK)
OD=30
OD=35
OD=50
11431CPLUG, TIGHT, NO.3(FOR CYLINDER BLOCK)
OD=21
OD=27
OD=50
11432APLUG, W/HEAD TAPER SCREW, NO.1
11434APIN, STRAIGHT(FOR TIMING GEAR COVER SET)
L=18,OD=8,L=18,OD=8
L=22,OD=10,L=22,OD=10
L=11,OD=11,L=11,OD=11
11434BPIN, STRAIGHT(FOR CLUTCH HOUSING SET)
L=23,OD=8,L=23,OD=8
L=20,OD=10,L=20,OD=10
L=22,OD=10,L=22,OD=10
11434CPIN, STRAIGHT (FOR CYLINDER HEAD SET)
L=12,OD=6,L=12,OD=6
L=15,OD=8,L=15,OD=8
L=7,OD=14.5,L=7,OD=14.5
11452GUIDE, OIL LEVEL GAGE
11459SUPPORT, OIL LEVEL GAGE GUIDE
11462LINER, CYLINDER
1301
1302
15301GAGE SUB-ASSY, OIL LEVEL
9161160612
main91611-60612
9161160618
main91611-60618
9161160816
main91611-60816
27 parts on this diagram · 5 diagrams in section