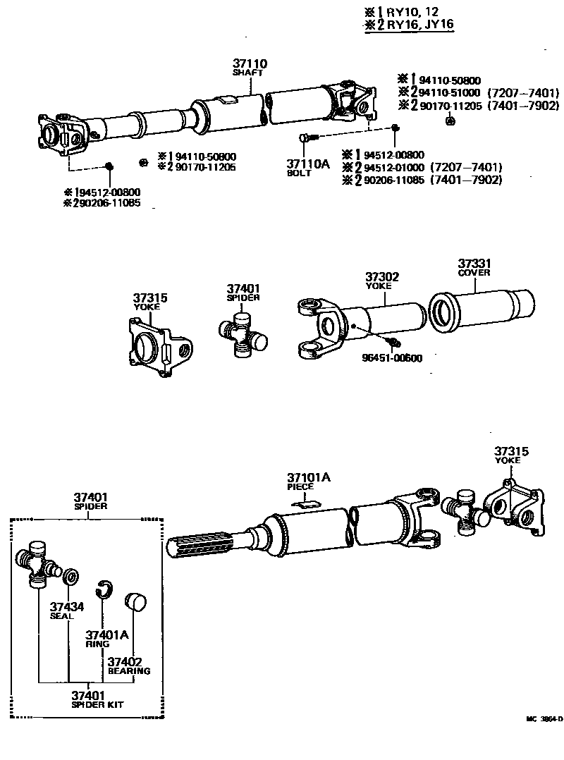
PROPELLER SHAFT & UNIVERSAL JOINT

37101APIECE, BALANCE, NO.1 (FOR PROPELLER SHAFT)
10G.
20G.
30G.
5G,5G.
10G,L=20.7,10G.
20G,L=41.4,20G.
30G,L=62.2,30G.
2G,T=2.0,2G.
4G,T=2.0,4G.
6G,L=12.4,6G.
8G,L=16.6,8G.
12G,L=24.9,12G.
14G,L=29.0,14G.
16G,L=33.2,16G.
18G,L=37.3,18G.
22G,L=45.6,22G.
24G,L=49.7,24G.
26G,L=53.9,26G.
28G,L=58.1,28G.
37110SHAFT ASSY, PROPELLER
L=927.5,OD=65
L=927.5,OD=65
L=1025,OD=65
L=1025,OD=65
L=1025,OD=65
L=1146,OD=65
L=1144,OD=65
L=1146,OD=65
L=1118,OD=65
L=1118,OD=65
L=1116,OD=65
37110ABOLT (FOR PROPELLER SHAFT)
*8-1.25PX25-12
37302YOKE SUB-ASSY, UNIVERSAL JOINT SLEEVE
37315YOKE, UNIVERSAL JOINT FLANGE
37331COVER, SLIDING SHAFT DUST
37401SPIDER KIT, UNIVERSAL JOINT
37401ARING, HOLE SNAP (FOR SPIDER BEARING)
T=1.50,T=1.50
T=1.56,T=1.55
T=1.59,T=1.60
T=1.2
T=1.25
T=1.30
T=1.35
T=2.375-2.425,T=2.4
T=2.425-2.475,T=2.45
T=2.475-2.525,T=2.5
T=1.40
T=1.45
T=1.50
T=1.55
37402BEARING SUB-ASSY, UNIVERSAL JOINT SPIDER
37434SEAL, UNIVERSAL JOINT SPIDER BEARING
9017011205
main90170-11205
9020611085
main90206-11085
9411050800
main94110-50800
9411051000
main94110-51000
9451200800
main94512-00800
9451201000
main94512-01000
9645100600
main96451-00600
17 parts on this diagram · 1 diagram in section