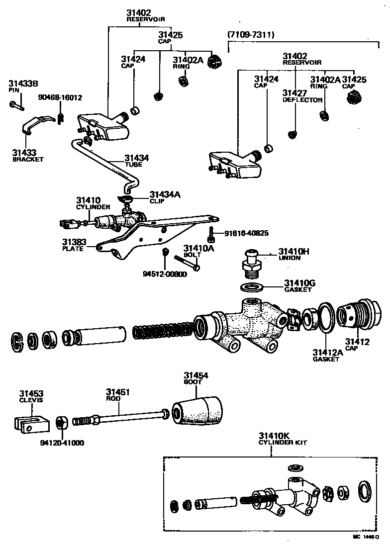
CLUTCH MASTER CYLINDER

31383PLATE, PEDAL SUPPORT SHAFT SET
31402RESERVOIR SUB-ASSY, CLUTCH MASTER CYLINDER
FOR SINGLE M/C
FOR SINGLE M/C
FOR TANDEM M/C
FOR TANDEM M/C
31402ARING, O(FOR RESERVOIR CAP SET)
31410CYLINDER ASSY, CLUTCH MASTER
31410GGASKET(FOR CLUTCH MASTER CYLINDER UNION)
31410HUNION(FOR CLUTCH MASTER CYLINDER)
31410KCYLINDER KIT, CLUTCH MASTER
31412CAP, CLUTCH MASTER CYLINDER
31412AGASKET(FOR CLUTCH MASTER CYLINDER CAP)
31424CAP, RESERVOIR(FOR CLUTCH MASTER CYLINDER)
31425CAP, CLUTCH MASTER CYLINDER RESERVOIR FILLER
31427DEFLECTOR, FILLER CAP FLUID
31433BRACKET, CLUTCH RESERVOIR
31433BPIN, W/HOLE(FOR MASTER CYLINDER RESERVOIR SET)
31434TUBE, CLUTCH RESERVOIR
31434ACLIP(FOR CLUTCH RESERVOIR TUBE)
31451ROD, CLUTCH MASTER CYLINDER PUSH
31453CLEVIS, CLUTCH MASTER CYLINDER PUSH ROD
31454BOOT, CLUTCH MASTER CYLINDER
9046816012
main90468-16012
9161640825
main91616-40825
9412041000
main94120-41000
9451200800
main94512-00800
24 parts on this diagram · 1 diagram in section