E
EPC Data

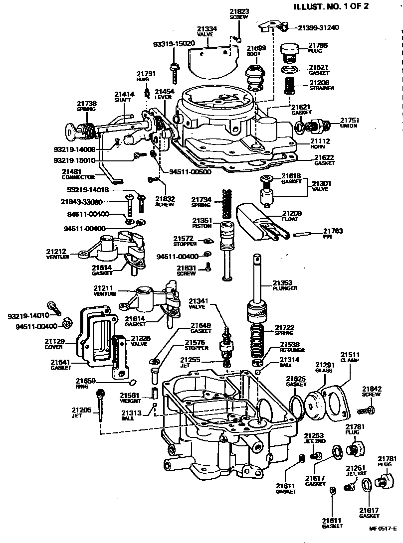
CARBURETOR

Parts diagram
21112HORN, AIR
main21012-44053i197207-197309
main21012-44120i197309-197507
main21012-44122i197507-197902
main21112-31160i197109-197206
main21112-31161i197206-197902
21129COVER(FOR THERMOSTATIC VALVE)
main21129-24030i197109-197503
main21129-38010i197503-197902
main21398-44051i197207-197309
main21398-44120i197309-197902
21205JET SUB-ASSY, SLOW
main21205-33070i197109-197309
ID=0.47
main21205-44052i197207-197309
ID=0.54
main21205-44120i197309-197507
ID=0.50
main21205-44122i197507-197708
ID=0.50
main21205-44250i197708-197902
ID=0.48
main90999-44046i197511-197902
ID=0.46
main90999-44048i197309-197511
ID=0.48
21206STRAINER SUB-ASSY
main21206-44052i197207-197902
main21294-33080i197109-197206
21209FLOAT SUB-ASSY
main21209-33011i197109-197206
main21209-33080i197206-197902
main21209-44051i197207-197309
main21209-44120i197309-197902
21211VENTURI, 1ST SMALL
main21201-44051i197207-197309
main21201-44120i197309-197902
main21211-31140i197206-197309
main21211-31270i197309-197902
main21211-33081i197109-197206
21212VENTURI, 2ND SMALL
main21202-44051i197207-197309
main21202-44120i197309-197507
main21202-44122i197507-197902
main21212-31180i197109-197309
main21212-31270i197309-197511
main21212-31280i197511-197902
21251JET, 1ST MAIN
main21251-31180i197109-197309
ID=1.03
main21251-44051i197309-197708
ID=1.04
main21251-44052i197207-197309
ID=1.06
main21251-44250i197708-197902
ID=1.03
main90999-41104i197309-197902
ID=1.04
21253JET, 2ND MAIN
main21253-31100i197507-197708
ID=1.55
main21253-31190i197109-197201
ID=1.41
main21253-34400i197708-197902
ID=1.55
main21253-44122i197309-197507
ID=1.60
main90999-42156i197201-197309
ID=1.41
main90999-42162i197309-197902
ID=1.62
21255JET, POWER
main21255-31190i197109-197309
ID=0.58
main90999-43050i197511-197902
ID=0.50
main90999-43053i197309-197511
ID=0.53
21291GLASS, LEVEL GAGE
main21291-33010i197109-197311
main21291-40020i197207-197902
main21291-60200i197311-197902
21301VALVE SUB-ASSY, NEEDLE
main21301-26350i197511-197902
main21301-33010i197109-197206
main21301-33081i197206-197511
main21301-44052i197207-197309
main21301-44120i197309-197708
main21301-44250i197708-197902
21313BALL, STEEL, NO.1(FOR DISCHARGE WEIGHT)
main21312-40020i197207-197902
main21313-11020i197109-197902
21314BALL, STEEL, NO.2(FOR PUMP PLUNGER)
main21314-60010i197109-197902
21334VALVE, CHOKE
main21334-33080i197109-197902
21335VALVE, THERMOSTATIC
main21038-44051i197207-197309
main21038-44122i197309-197902
main21335-25010i197309-197511
main21335-33010i197511-197902
main21335-33080i197109-197309
21341VALVE, POWER
main21302-36120i197708-197902
main21302-44122i197507-197708
main21303-44122i197506-197507
main21304-30010i197109-197902
main21304-44050i197309-197506
main21304-44052i197207-197208
main21304-44054i197208-197309
21351PISTON, POWER
main21351-33080i197206-197902
main21708-22010i197109-197206
21353PLUNGER, PUMP
main21035-44052i197207-197902
main21353-33010i197109-197902
21414SHAFT, CHOKE
main21414-31022i197109-197902
21454LEVER, CHOKE
main21454-31024i197109-197204
main21454-31240i197204-197309
main21454-31250i197309-197902
21481CONNECTOR, 1ST IDLE
main21475-44051i197207-197309
main21475-44120i197309-197902
main21481-23011i197109-197309
main21481-31250i197309-197312
main21481-31251i197312-197511
main21481-31280i197511-197902
21511CLAMP, LEVEL GAGE
main21511-33010i197109-197902
main21511-40020i197207-197902
21538RETAINER, BALL CHECK
main21538-31010i197109-197902
21561WEIGHT, PUMP DISCHARGE
main21561-30010i197109-197309
main21561-40020i197207-197902
21572STOP, POWER PISTON
main21572-33080i197109-197902
21575STOPPER, B(FOR DISCHARGE WEIGHT)
main21575-26020i197309-197902
main21575-33011i197109-197309
21611GASKET, MAIN JET
main21611-22010×2i197109-197902
main21611-40021×2i197207-197902
21614GASKET, VENTURI
main21614-33010i197109-197902
1ST
main21614-33080i197109-197902
2ND
main21614-40020×2i197207-197309
main21614-44120×2i197309-197902
21617GASKET, MAIN PASSAGE PLUG
main21617-30010×2i197109-197902
main21617-40021×2i197207-197511
main21633-44150×2i197511-197902
21618GASKET, NEEDLE VALVE SEAT
main21618-24030i197206-197902
main21618-40020i197207-197902
main21618-60010i197109-197206
21621GASKET, UNION NIPPLE
main21619-22010×2i197109-197206
main21621-31100×2i197207-197902
main21633-24030i197206-197902
21622GASKET, AIR HORN
main21622-33081i197109-197206
main21622-33083i197206-197902
main21622-40021i197207-197309
main21622-44120i197309-197902
21625GASKET, LEVEL GAGE
main21625-31031i197207-197902
main21641-33040i197109-197311
main21655-60200i197311-197902
21641GASKET(FOR THERMOSTATIC VALVE COVER)
main21626-44051i197207-197309
main21626-44120i197309-197902
main21641-23010i197109-197503
main21641-23012i197503-197902
21649GASKET(FOR PUMP DISCHARGE WEIGHT STOPPER)
main21641-33011i197109-197902
21659RING, O(FOR THERMOSTATIC VALVE)
main21641-24030i197301-197902
main21655-31100i197207-197902
main23532-40010i197109-197301
21699BOOT(FOR PUMP PLUNGER)
main21656-40021i197207-197902
main21699-21061i197109-197902
21722SPRING, PUMP DAMPING
main21722-22010i197109-197902
21734SPRING, POWER PISTON
main21734-22050i197511-197902
main21734-33081i197109-197309
main21734-34030i197309-197511
21738SPRING, CHOKE VALVE RELIEF
main21738-23011i197109-197309
main21738-31250i197309-197902
21751UNION, NIPPLE
main21751-33080i197206-197902
main21751-44051i197207-197902
main90404-13105i197109-197206
21763PIN, FLOAT LEVER
main21763-29270i197109-197511
main21763-31280i197511-197902
21781PLUG, MAIN PASSAGE(FOR CARBURETOR JET)
main21781-30020×2i197109-197902
main21781-40020×2i197207-197511
main21781-44150×2i197511-197902
21785PLUG, CARBURETOR FUEL INLET STRAINER
main21781-60010i197109-197206
main21811-44051i197207-197902
21791RING, SNAP, NO.1(FOR CARBURETOR LINK)
main21791-40020i197309-197902
main21791-60010×4i197109-197902
21823SCREW, CHOKE, VALVE SET
main21822-10011×2i197109-197902
21831SCREW, POWER PISTON STOP
main21842-33010i197109-197902
21832SCREW(FOR CHOKE LEVER ADAPTER SET)
main21832-31020i197109-197902
21842SCREW, SET(FOR CARBURETOR LEVEL GAGE CLAMP SET)
main21832-40021×3i197207-197902
main21842-33010×2i197109-197902
2139931240SUPPORT(FOR DASH POT)
2184333080SCREW OR PIN (FOR DASH POT OR POSITIONER LEVER)
9321914008
9321914010
9321914018
9321915010
9331915020
9451100400
9451100500

59 parts on this diagram · 11 diagrams in section

CARBURETOR — Toyota Parts Diagram with OEM Numbers & Prices | EPC Data