E
EPC Data

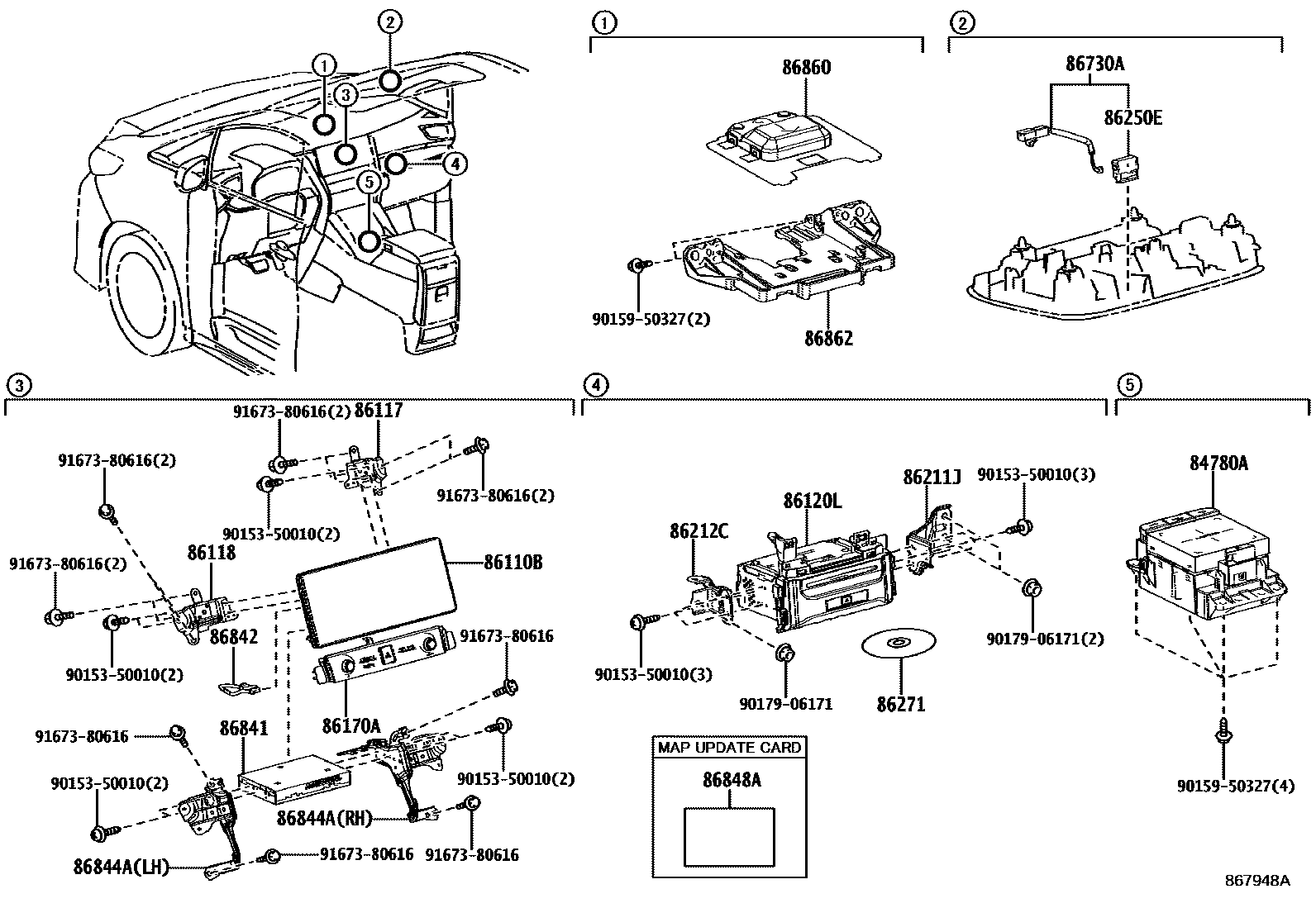
NAVIGATION & FRONT MONITOR DISPLAY

Parts diagram
84780ACONTROLLER ASSY, REMOTE OPERATION
main84780-50210i202001
86110BMULTI-DISPLAY ASSY
main86110-58010i202001
DENSO
86117BRACKET, MULTI-DISPLAY CONTROLLER, A
main86117-58130i202001
86118BRACKET, MULTI-DISPLAY CONTROLER, B
main86118-58040i202001
86120LRECEIVER ASSY, NAVIGATION
main86120-58200i202002-202105
PIONEER
main86120-58201i202105
PIONEER
main86120-58220i202002
PIONEER
main86120-58230i202002
PIONEER
main86120-58240i202001-202105
PIONEER
main86120-58241i202105
PIONEER
main86120-58250i202001
PIONEER
main86120-58260i202001-202307
PIONEER
main86120-58261i202308
PIONEER
main86120-58270i202001
PIONEER
main86120-58360i202002-202307
PIONEER
main86120-58361i202308
PIONEER
main86120-58210i202002
PIONEER,TAIWAN SPEC
main86120-58340i202001
PIONEER,TAIWAN SPEC
86170ASWITCH & VOLUME ASSY
main86170-58110i202001
main86170-58120i202001
86211JBRACKET, RADIO RECEIVER, NO.1
main86211-58090i202001
main86211-58120i202001
86212CBRACKET, RADIO RECEIVER, NO.2
main86212-58090i202001
main86212-58120i202001
86250EMICROPHONE ASSY, AMPLIFIER
main86250-52020i202001
main86250-52030i202001
86271DISC, DISC PLAYER
main86807-11012i202001-202006
main86807-11013i202007-202106
main86807-11014i202107-202210
main86807-11015i202211
main86807-11052i202001-202009
main86807-11053i202010-202109
main86807-11054i202110-202212
main86807-11055i202301
main86807-0W241supersedes 86807-0W264i202301
MAP DISC(DOP)-WITH
main86807-0W266supersedes 86807-0W264i202010-202104
MAP DISC(DOP)-WITH
main86807-0W267supersedes 86807-0W264i202105-202109
MAP DISC(DOP)-WITH
main86807-0W268supersedes 86807-0W264i202110-202204
MAP DISC(DOP)-WITH
main86807-0W269supersedes 86807-0W264i202205-202301
MAP DISC(DOP)-WITH
main86807-11022supersedes 86807-0W264i202001-202008
TAIWAN SPEC
main86807-11023supersedes 86807-0W264i202009-202108
TAIWAN SPEC
main86807-11024supersedes 86807-0W264i202109-202212
TAIWAN SPEC
main86807-11025supersedes 86807-0W264i202301
TAIWAN SPEC
86730AMICROPHONE ASSY, TELEPHONE
main86730-28060i202001
main86730-58040i202001
86841COMPUTER, NAVIGATION
main86840-48230i202001-202105
main86840-48241i202001-202006
main86840-48242i202007-202106
main86840-48243i202107-202209
main86840-48244i202210
main86840-48251i202001-202009
main86840-48252i202010-202109
main86840-48253i202110-202212
main86840-48254i202301
main86840-78050i202105
main86840-48261i202001-202008
TAIWAN SPEC
main86840-48262i202009-202108
TAIWAN SPEC
main86840-48263i202109-202212
TAIWAN SPEC
main86840-48264i202301
TAIWAN SPEC
86842WIRE, NAVIGATION, NO.1
main86842-58660i202001
86844ABRACKET, NAVIGATION COMPUTER
main86211-58130i202001
RH
main86212-58130i202001
LH
86848ACARD, SERIAL NUMBER MAP UPDATE
main86848-33030i202001
main86848-33070i202001
main86848-33050i202001
TAIWAN SPEC
86860ANTENNA ASSY, NAVIGATION
main86860-78010supersedes 86880-52020i202001-202112
TAIWAN SPEC
86862BRACKET, NAVIGATION ANTENNA
main86862-42010i202204
main86862-58020i202001-202204
9015350010
9015950327
9017906171
9167380616

21 parts on this diagram · 2 diagrams in section

NAVIGATION & FRONT MONITOR DISPLAY — Toyota Parts Diagram with OEM Numbers & Prices | EPC Data