E
EPC Data

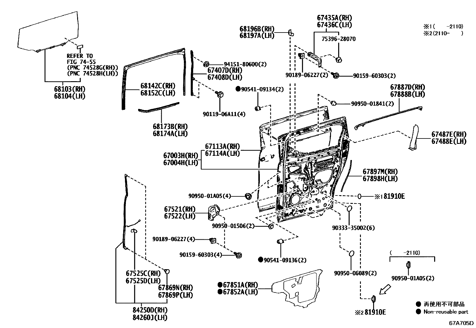
REAR DOOR PANEL & GLASS

Parts diagram
67003HDOOR SUB-ASSY, SLIDE, RH
main67003-58130i202001
67004HDOOR SUB-ASSY, SLIDE, LH
main67004-58130i202001
67113APANEL, SLIDE DOOR, OUTER RH
main67113-58070i202001
67114APANEL, SLIDE DOOR, OUTER LH
main67114-58070i202001
67407DGUIDE SUB-ASSY, REAR DOOR WINDOW, REAR RH
main67407-58030i202001
67408DGUIDE SUB-ASSY, REAR DOOR WINDOW, REAR LH
main67408-58030i202001
67435AGUIDE, REAR DOOR WINDOW, FRONT RH
main67435-58030i202001
67436CGUIDE, REAR DOOR WINDOW, FRONT LH
main67436-58030i202001
67487EGARNISH, REAR DOOR REAR GUIDE BRACKET, RH
main62583-58020i202001
67488EGARNISH, REAR DOOR REAR GUIDE BRACKET, LH
main62584-58020i202001
67521COVER SUB-ASSY, SLIDE DOOR PANEL, RH
main67521-58020i202001
67522COVER SUB-ASSY, SLIDE DOOR PANEL, LH
main67522-58020i202001
67525CCOVER, SLIDE DOOR PANEL, LOWER RH
main67525-58010i202001
67525DCOVER, SLIDE DOOR PANEL, LOWER LH
main67526-58020i202001
67851ACOVER, SLIDE DOOR SERVICE HOLE, NO.1
main67851-58040i202001
67852ACOVER, SLIDE DOOR SERVICE HOLE, NO.2
main67852-58040i202001
67869NCLIP, REAR DOOR WEATHERSTRIP, RH
main67869-28020×2i202001
67869PCLIP, REAR DOOR WEATHERSTRIP, LH
main67869-28020×2i202001
67887DWEATHERSTRIP, SLIDE DOOR, NO.2 RH
main67887-58030i202001
67888BWEATHERSTRIP, SLIDE DOOR, NO.2 LH
main67888-58030i202001
67897MWEATHERSTRIP, SLIDE DOOR, NO.4 RH
main67856-58020i202001
67898HWEATHERSTRIP, SLIDE DOOR, NO.4 LH
main67856-58020i202001
68103GLASS SUB-ASSY, REAR DOOR, RH
main68103-58150i202001
main68103-58160i202001
TAIWAN SPEC
68104GLASS SUB-ASSY, REAR DOOR, LH
main68104-58150i202001
main68104-58160i202001
TAIWAN SPEC
68142CRUN, REAR DOOR GLASS, RH
main68142-58050i202001
68152CRUN, REAR DOOR GLASS, LH
main68152-58050i202001
68173BWEATHERSTRIP, REAR DOOR GLASS, INNER RH
main68173-58040i202001
68174AWEATHERSTRIP, REAR DOOR GLASS, INNER LH
main68174-58040i202001
68196BSEAL, REAR DOOR BELT, FRONT RH
main68196-58010i202001
68197ASEAL, REAR DOOR BELT, FRONT LH
main68197-58010i202001
7455
81910EREFLECTOR ASSY, REFLEX
main81580-V1040×2i202110
main81910-21030×2i202001-202110
84250DSENSOR ASSY, POWER SLIDE DOOR, RH
main84250-58221i202001
84260JSENSOR ASSY, POWER SLIDE DOOR, LH
main84260-58041i202001
7539628070CLIP, OUTSIDE MOULDING, NO.2
9011906A11
9015960303
9018906227
9033335002
9054109134
9054109136
9095001506
9095001841
9095001A05
9095006089
9415180600

46 parts on this diagram · 2 diagrams in section

REAR DOOR PANEL & GLASS — Toyota Parts Diagram with OEM Numbers & Prices | EPC Data