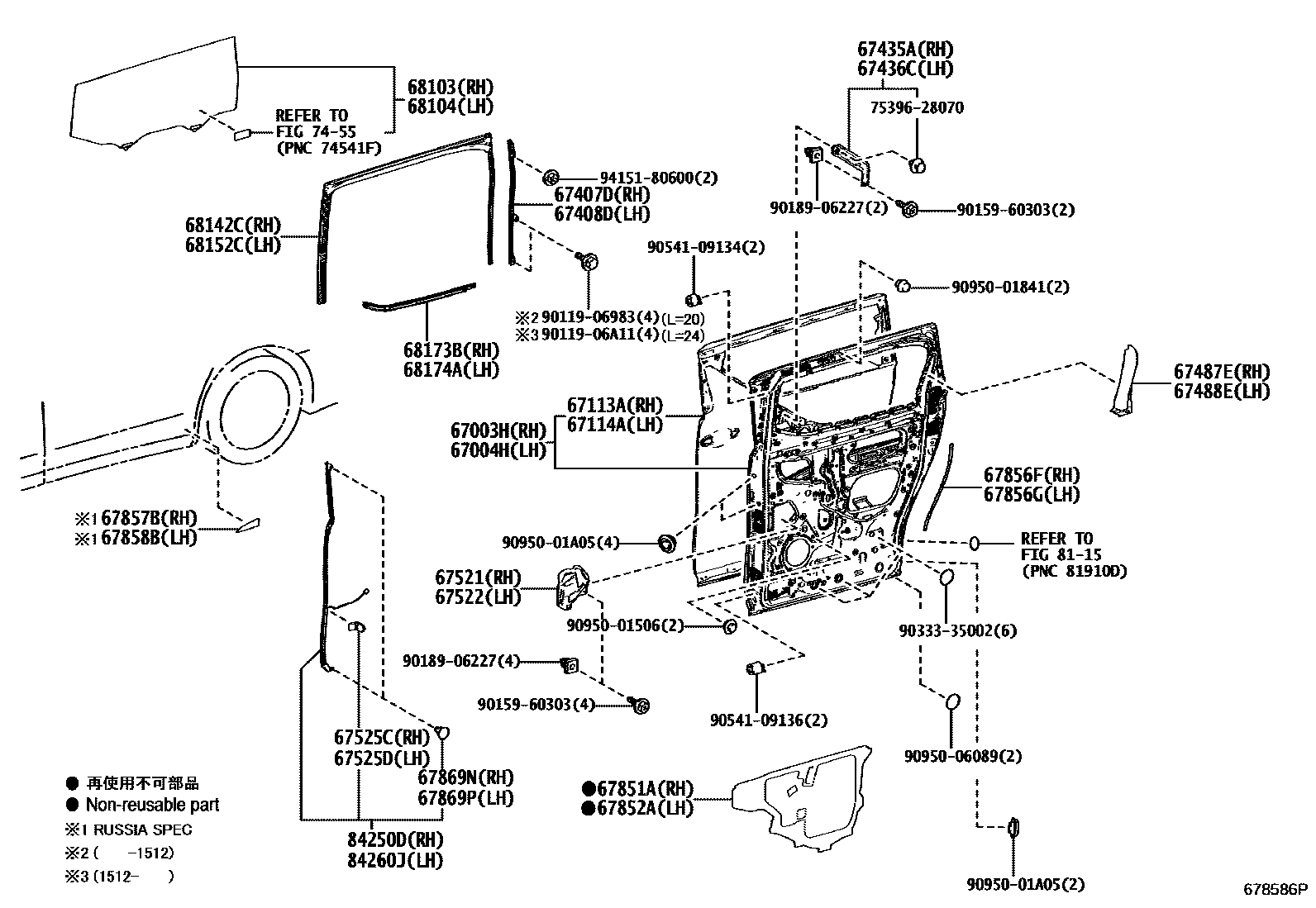
REAR DOOR PANEL & GLASS

67003HDOOR SUB-ASSY, SLIDE, RH
67004HDOOR SUB-ASSY, SLIDE, LH
67113APANEL, SLIDE DOOR, OUTER RH
67114APANEL, SLIDE DOOR, OUTER LH
67407DGUIDE SUB-ASSY, REAR DOOR WINDOW, REAR RH
67408DGUIDE SUB-ASSY, REAR DOOR WINDOW, REAR LH
67435AGUIDE, REAR DOOR WINDOW, FRONT RH
67436CGUIDE, REAR DOOR WINDOW, FRONT LH
67521COVER SUB-ASSY, SLIDE DOOR PANEL, RH
67522COVER SUB-ASSY, SLIDE DOOR PANEL, LH
67525CCOVER, SLIDE DOOR PANEL, LOWER RH
67525DCOVER, SLIDE DOOR PANEL, LOWER LH
67851ACOVER, SLIDE DOOR SERVICE HOLE, NO.1
67852ACOVER, SLIDE DOOR SERVICE HOLE, NO.2
67856FWEATHERSTRIP, CENTER DOOR, REAR RH
67856GWEATHERSTRIP, CENTER DOOR, REAR LH
67857BPROTECTOR, REAR DOOR PANEL, RH
67858BPROTECTOR, REAR DOOR PANEL, LH
67869NCLIP, REAR DOOR WEATHERSTRIP, RH
67869PCLIP, REAR DOOR WEATHERSTRIP, LH
68103GLASS SUB-ASSY, REAR DOOR, RH
THAILAND SPEC
INDONESIA SPEC
SINGAPORE SPEC
TAIWAN SPEC
MALAYSIA SPEC
PHILIPPINES SPEC
VIETNAM SPEC
RUSSIA SPEC
MALAYSIA SPEC
INDONESIA SPEC
68104GLASS SUB-ASSY, REAR DOOR, LH
THAILAND SPEC
TAIWAN SPEC
INDONESIA SPEC
SINGAPORE SPEC
MALAYSIA SPEC
PHILIPPINES SPEC
RUSSIA SPEC
VIETNAM SPEC
INDONESIA SPEC
MALAYSIA SPEC
68173BWEATHERSTRIP, REAR DOOR GLASS, INNER RH
68174AWEATHERSTRIP, REAR DOOR GLASS, INNER LH
7455
8115
84250DSENSOR ASSY, POWER SLIDE DOOR, RH
84260JSENSOR ASSY, POWER SLIDE DOOR, LH
7539628070CLIP, OUTSIDE MOULDING, NO.2
main75396-28070
9011906983
main90119-06983
9011906A11
main90119-06A11
9015960303
main90159-60303
9018906227
main90189-06227
9033335002
main90333-35002
9054109134
main90541-09134
9054109136
main90541-09136
9095001506
main90950-01506
9095001841
main90950-01841
9095001A05
main90950-01A05
9095006089
main90950-06089
9415180600
main94151-80600
45 parts on this diagram · 4 diagrams in section