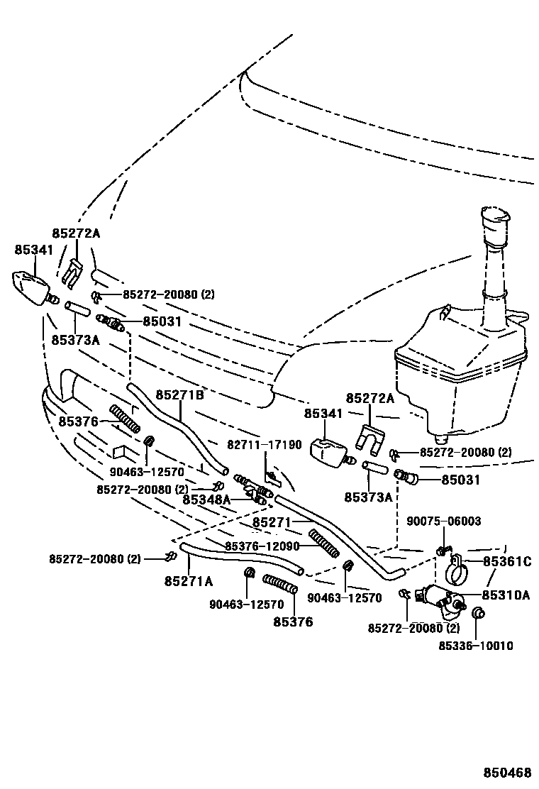
HEADLAMP CLEANER

85031VALVE, HEADLAMP CLEANER WASHER HOSE
85271HOSE, HEADLAMP CLEANER, NO.1
L=480
L=600
85271AHOSE, HEADLAMP CLEANER, NO.2
L=430
L=52
85271BHOSE, HEADLAMP CLEANER, NO.3
L=795
L=660
85272ACLAMP, HEADLAMP CLEANER, NO.1
85310AMOTOR AND PUMP ASSY, HEADLAMP CLEANER WASHER
85341NOZZLE, HEADLAMP CLEANER WASHER
85348AJOINT, HEADLAMP CLEANER HOSE, NO.1
85361CBRACKET, WASHER
85373AHOSE, HEADLAMP CLEANER WASHER (FROM JOINT TO NOZZLE)
L=45
85376PROTECTOR, HEADLAMP CLEANER HOSE, NO.1
main85377-22070×2iRCH13..09S..MTM;LXH18,28,RCH13,18,19,29..LHD..(03S,05S);LXH12,22,RCH12,22,23..LHD..(03S,05S,09S)199708-199805
8271117190WIRE, FUSE TO FUSE(FOR COMBUSTION HEATER)
main82711-17190
8527220080CABLE SUB-ASSY, HEADLAMP CLEANER, RH
main85272-20080
8533610010SWITCH ASSY, RESERVE TANK LEVEL WARNING
main85336-10010
8537612090PROTECTOR, HEADLAMP CLEANER HOSE, NO.1
main85376-12090
9007506003
main90075-06003
9046312570
main90463-12570
17 parts on this diagram · 2 diagrams in section