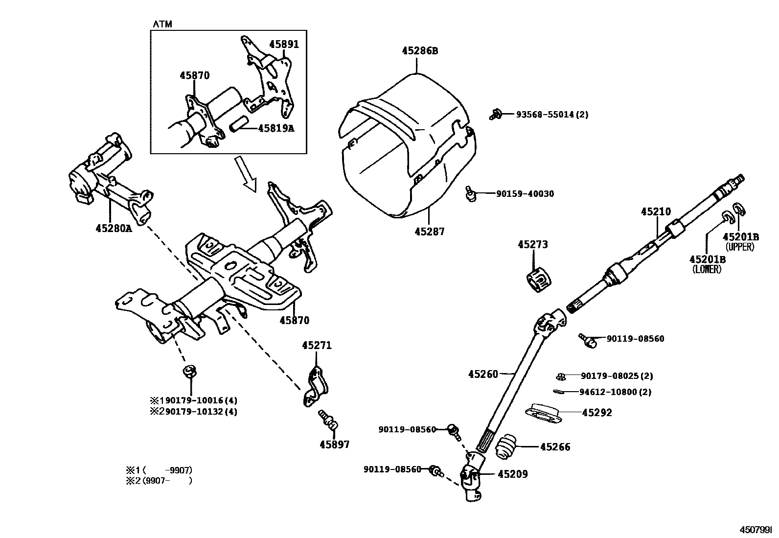
STEERING COLUMN & SHAFT

45201BRING, SHAFT SNAP(FOR STEERING MAIN SHAFT)
T=1.20,W(TILT STEERING)
T=1.20,LOWER
T=1.20,UPPER
45209YOKE SUB-ASSY, STEERING SLIDING
45266COVER, STEERING INTERMEDIATE SHAFT DUST
45271CLAMP, STEERING COLUMN, UPPER
W(TILT STEERING)
45280ABRACKET ASSY, STEERING COLUMN, UPPER
sub45280-26260
W(TILT STEERING & ANTI-THEFT DEVICE)
W(TILT STEERING)
W(ANTI-THEFT DEVICE)
W(ANTI-THEFT DEVICE ONLY)
45286BCOVER, STEERING COLUMN, UPR
BLUISH GRAY,TRIM1#
BLUISH GRAY,TRIM1#
W(TILT STEERING),BLUISH GRAY,TRIM1#
W(TILT STEERING),BLUISH GRAY,TRIM1#
W(TILT STEERING),DK.GRAY,TRIM1#
45287COVER, STEERING COLUMN, LWR
BLUISH GRAY,TRIM1#
BLUISH GRAY,TRIM1#
W(TILT STEERING),BLUISH GRAY,TRIM1#
W(TILT STEERING),BLUISH GRAY,TRIM1#
W(TILT STEERING),BLUISH GRAY,TRIM1#
W(TILT STEERING),DK.GRAY,TRIM1#
45292SEAL, MAIN SHAFT LOWER DUST
45819RETAINER, TILT LEVER
45819ACOLLAR(FOR TILT LEVER RETAINER)
45870TUBE ASSY, STEERING COLUMN
W(TILT STEERING)
W(TILT STEERING)
45891BRACKET, TURN SIGNAL
45897BOLT, STEERING LOCK SET
9011908560
main90119-08560
9015940030
main90159-40030
9017908025
main90179-08025
9017910016
main90179-10016
9017910132
main90179-10132
9356855014
main93568-55014
9461210800
main94612-10800
23 parts on this diagram · 5 diagrams in section