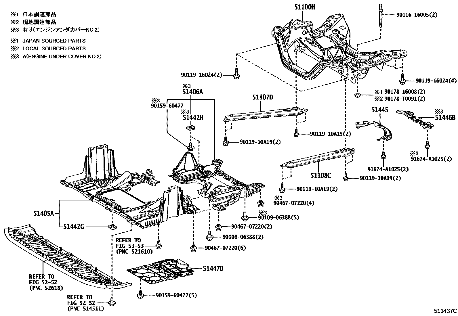
SUSPENSION CROSSMEMBER & UNDER COVER

51100HFRAME ASSY, FRONT
51107DREINFORCEMENT SUB-ASSY, SIDE RAIL, REAR RH
51108CREINFORCEMENT SUB-ASSY, SIDE RAIL, REAR LH
51405ACOVER SUB-ASSY, ENGINE UNDER, NO.1
main51405-26190iGRH321;GDH322..GCC,NZ;GRH320..6F..ARL;GDH320,GRH300..6F;GDH322..LHD..GSOB;GDH322..RHD..GSOB..N;GDH300..4D..PSOB..GEN;GDH300..5D..(GCC,GEN);GDH301..LHD..GSOB..6F..D;GDH306,321..RHD..(GEN,IDN);GDH322..LHD..SG..(P,Q)..GEN;GDH320..6FC..(AGT,BZ,GCC,GEN);GDH300,322..RHD..4D..(GSOB,SP)..6F;GDH300,306..LHD..(SG,SP)..(D,J)..GEN;GDH301,GRH300..(GSOB,PSOB,SP)..6FC..(GCC,GEN);GDH301,322,GRH303..SG..(D,G,J,N)..(AGT,GEN,TH);GDH303,304,328,GRH301,304,320,322..BZ,GCC,GEN,PH,TH,VN201902
51406ACOVER SUB-ASSY, ENGINE UNDER, NO.2
51442GCLIP, ENGINE UNDER COVER, NO.1
51442HCLIP, ENGINE UNDER COVER, NO.2
main90179-06104iGDH301,GRH301..LHD..6F..D;GDH301,GRH301..RHD..D..GEN; GDH301..NZ,TH;GDH301,GRH301..N;GDH300,303,304,306,32#,GRH300,303,304,32#201902-202003
REAR SEAT-3-ROW(FOR 10 PERSONS), W(*RRS)
51445BRACKET, ENGINE UNDER COVER
main51445-26090iGDH300..5D;GDH321..RHD;GDH301..GSOB..6FC;GDH322..ARL,GCC,NZ;GDH322..RHD..GSOB..N;GDH300..4D..SP..(ARL,TH);GDH301..LHD..GSOB..6F..D;GDH320,328,GRH300,301,32#;GDH322..LHD..SG..(P,Q)..GEN;GDH300,322..LHD..(GSOB,SP)..GEN;GDH300,322..RHD..4D..(GSOB,SP)..6F..GEN;GDH300,301,322..4D..(PSOB,SG)..(D,N)..(AGT,ARL,GEN,NZ,TH)201902
51446BBRACKET, ENGINE UNDER COVER, NO.2
51447DCOVER, ENGINE UNDER, NO.4 CENTER
5252FRONT BUMPER & BUMPER STAY
5353HOOD & FRONT FENDER
9010906388
main90109-06388
9011616005
main90116-16005
9011910A19
main90119-10A19
9011916024
main90119-16024
9015960477
main90159-60477
9017816008
main90178-16008
90178T0091
main90178-T0091
9046707220
main90467-07220
91674A1025
main91674-A1025
21 parts on this diagram · 12 diagrams in section