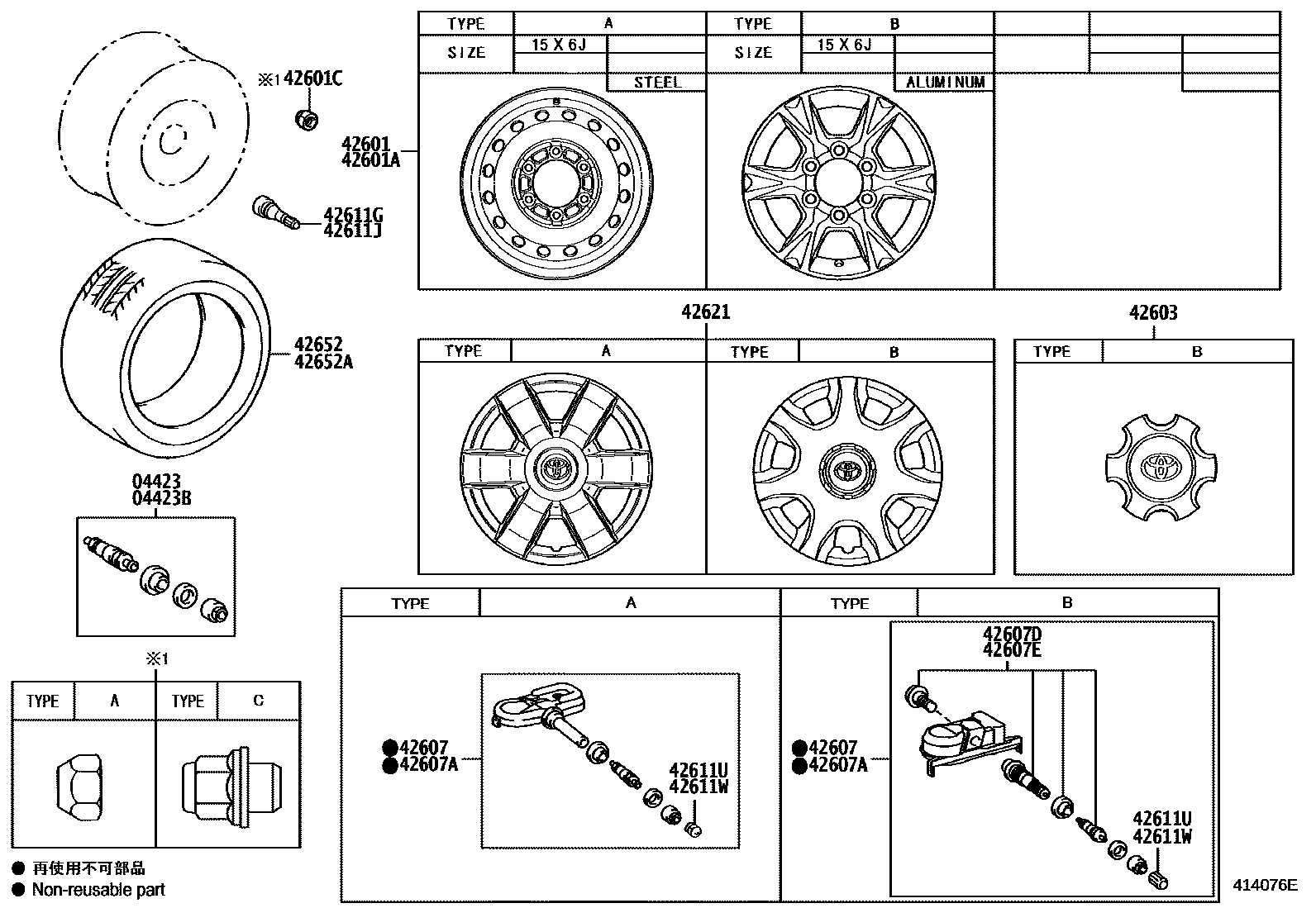
DISC WHEEL & WHEEL CAP

04423FITTING KIT, TIRE PRESSURE MONITOR OR BALANCER VALVE
04423BFITTING KIT, TIRE PRESSURE MONITOR OR BALANCER VALVE(SPARE)
42601WHEEL, DISC
15X6JJ,TYPE A:REFER ILLUST.
15X6JJ,TYPE A:REFER ILLUST.
main42611-26150iKDH222..GL;TRH223..GL..SA;KDH222..STD..(GCC,GEN);KDH203,223,TRH223..ARL,GCC,GEN,RUS;KDH200,201,202,21#,220,221,LH20#,212,222,TRH20#,213,221..ARL,GCC,GEN,SA,TH201312-201505
15X6JJ,TYPE A:REFER ILLUST.
15X6JJ,TYPE A:REFER ILLUST.
15X6JJ,CBU PACKAGE,TYPE A:REFER ILLUST.
15X6JJ,TYPE A:REFER ILLUST.
15X6JJ,TYPE A:REFER ILLUST.
42601AWHEEL, DISC (FOR SPARE)
15X6JJ,TYPE A:REFER ILLUST.
15X6JJ,TYPE A:REFER ILLUST.
main42611-26150iKDH203,223,TRH223..ARL,GCC,GEN,RUS,SA;KDH200,201,202,21#,220,221,222,LH20#,212,222,TRH20#,213,221..ARL,GCC,GEN,SA,TH201312-201505
15X6JJ,TYPE A:REFER ILLUST.
15X6JJ,TYPE A:REFER ILLUST.
15X6JJ,CBU PACKAGE,TYPE A:REFER ILLUST.
main42611-26152iKDH200..LHD..4D;LH200,TRH221..5D..GEN;KDH200,223,TRH213,223..RHD..(GEN,TH)201612-202005
15X6JJ,TYPE A:REFER ILLUST.
15X6JJ,TYPE A:REFER ILLUST.
42601CNUT, HUB (FOR AXLE)
TYPE A:REFER ILLUST.
42603ORNAMENT SUB-ASSY, WHEEL HUB
main4260B-26030
42607VALVE SUB-ASSY, TIRE PRESSURE MONITOR
TYPE A:REFER ILLUST.
TYPE B:REFER ILLUST.
42607AVALVE SUB-ASSY, TIRE PRESSURE MONITOR (FOR SPARE)
TYPE A:REFER ILLUST.
TYPE B:REFER ILLUST.
42607DVALVE, TIRE PRESSURE MONITOR
TYPE B:REFER ILLUST.
42607EVALVE, TIRE PRESSURE MONITOR (FOR SPARE)
TYPE B:REFER ILLUST.
42611GVALVE (FOR TUBELESS TIRE)
main90942-05009iTRH223..RHD..GEN;TRH221..03S..(GEN,SA);TRH223..5F..GL..(GEN,SA);KDH220,222..(03S,14S)..SA201312-202507
42611JVALVE (FOR TUBELESS TIRE SPARE)
main90942-05009iTRH223..RHD..GEN;TRH221..03S..(GEN,SA);TRH223..5F..GL..(GEN,SA);KDH220,222..(03S,14S)..SA201312-202507
42611UCAP, TIRE VALVE
TYPE A:REFER ILLUST.
TYPE B:REFER ILLUST.
42611WCAP, TIRE VALVE (FOR SPARE)
TYPE A:REFER ILLUST.
TYPE B:REFER ILLUST.
42621CAP, WHEEL
TYPE A:REFER ILLUST.
TYPE B:REFER ILLUST.
42652TIRE
195R15C-8PR,*B/S,CBU PACKAGE
main42652-26A60iKDH222,TRH223..RHD..GL;KDH222,223,TRH223..RHD..STD..(ARL,GEN);KDH20#,21#,220,221,LH20#,212,222,TRH20#,213,221..RHD..(02S,03S,06S,10S,11S,15S,16S)..(ARL,GEN,SA,TH)201312-201407
195R15C-8PR,*B/S
main42652-26A80iKDH222,TRH223..RHD..GL;KDH222,223,TRH223..RHD..STD..(ARL,GEN);KDH20#,21#,220,221,LH20#,212,222,TRH20#,213,221..RHD..(02S,03S,06S,10S,11S,15S,16S)..(ARL,GEN,SA,TH)201312-201407
195R15C-8PR,*T/Y
main42652-26A81iKDH222,TRH223..RHD..GL;KDH222,223,TRH223..RHD..STD..(ARL,GEN);GDH201,KDH20#,21#,220,221,LH20#,212,222,TRH20#,213,221..RHD..(02S,03S,05S,06S,10S,11S,15S,16S)..(ARL,G201408-201810
195R15C-8PR,*T/Y
195R15C-8PR,*T/Y
195R15C-8PR,*B/S
195R15C-8PR,*T/Y
main42652-26B42iKDH20#,21#,220,222,223,LH20#,212,222,TRH201,203,213,22#..LHD..(GCC,GEN,RUS)201408-201810
195R15C-8PR,*T/Y
195R15C-8PR,*T/Y
42652ATIRE (FOR SPARE)
main42652-26A60iKDH222,TRH223..RHD..GL;KDH222,TRH223..RHD..STD..(ARL,GEN,TH);KDH20#,21#,220,221,223,LH20#,212,222,TRH20#,213,221..RHD..(02S,03S,06S,10S,11S,14S,15S,16S)..(ARL,GEN,S201312-201407
195R15C-8PR,*B/S
main42652-26A80iKDH223,TRH223..RHD..(ARL,GEN,SA);KDH20#,21#,220,221,222,LH20#,212,222,TRH20#,213,221..RHD..(02S,03S,06S,10S,11S,14S,15S,16S)..(ARL,GEN,SA,TH)201312-201407
195R15C-8PR,*T/Y
main42652-26A81iGDH201,KDH223,TRH223..RHD..(ARL,GEN,SA);KDH20#,21#,220,221,222,LH20#,212,222,TRH20#,213,221..RHD..(02S,03S,05S,06S,10S,11S,14S,15S,16S)..(ARL,GEN,SA,TH)201408-201810
195R15C-8PR,*T/Y
195R15C-8PR,*T/Y
195R15C-8PR,*B/S
195R15C-8PR,*T/Y
195R15C-8PR,*T/Y
195R15C-8PR,*T/Y
17 parts on this diagram · 2 diagrams in section