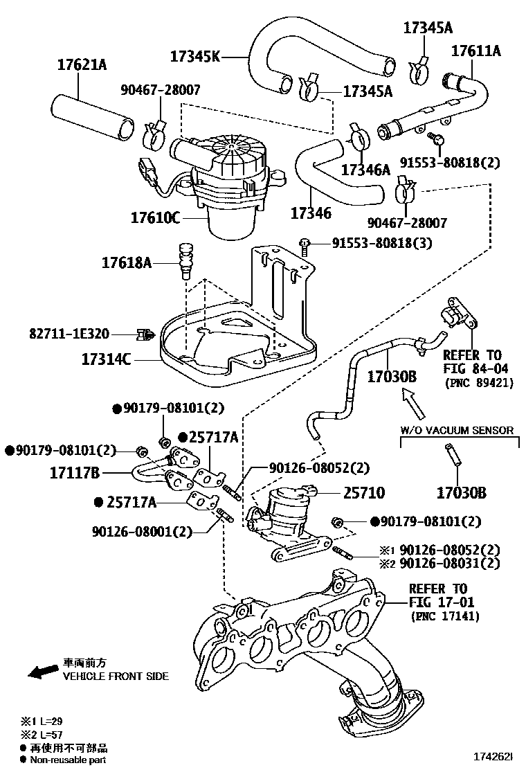
MANIFOLD AIR INJECTION SYSTEM

1701
17030BHOSE ASSY, AIR
LPG CONVERSION PACKAGE
MEXICO SPEC
17117BPIPE, INTAKE, NO.4
CHINA(PRC) SPEC&EXHAUST EMISSION CONTROL-GASOLINE EURO4
main17117-75011i2TRFE..TRH201,221..ARL;2TRFE..TRH201,213..(06S,10S,11S)..(GEN,TH);1TRFE,2TRFE..TRH200,203,213,223..4FC..(ARL,GCC,GEN);2TRFE..TRH201,22#..SG..(03S,12S,14S,15S)..5F..201005-201401
17314CBRACKET, AIR PUMP
main17314-0C030i2TRFE..TRH201,221..ARL;2TRFE..TRH201,213..(06S,09S,10S,11S)..(GEN,TH);2TRFE..TRH201,22#..SG..(03S,14S,15S)..5F..(ARL,GEN,TH);1TRFE,2TRFE..TRH200,203,213,223..(06S,1200501-201401
17345ACLAMP OR CLIP, NO.5(FOR AIR INJECTION SYSTEM HOSE, NO.5)
main96134-52600×2i2TRFE..TRH201,221..ARL;2TRFE..TRH201,213..(06S,09S,10S,11S)..(GEN,TH);2TRFE..TRH201,22#..SG..(03S,14S,15S)..5F..(ARL,GEN,TH);1TRFE,2TRFE..TRH200,203,213,223..(06S,1200501-201401
17345KHOSE, AIR, NO.5
main17345-75060i2TRFE..TRH201,221..ARL;2TRFE..TRH201,213..(06S,09S,10S,11S)..(GEN,TH);2TRFE..TRH201,22#..SG..(03S,14S,15S)..5F..(ARL,GEN,TH);1TRFE,2TRFE..TRH200,203,213,223..(06S,1200501-201401
17346HOSE, NO.6(FOR AIR INJECTION SYSTEM)
SOUTH AFRICA SPEC
main17346-75060i2TRFE..TRH221..ARL;2TRFE..TRH213,223..4D..4FC;2TRFE..TRH223..5F..(ARL,TH);2TRFE..TRH213,221..SG..(03S,09S,10S,11S)..(GEN,TH)200501-201401
17346ACLAMP OR CLIP, NO.6(FOR AIR INJECTION SYSTEM HOSE, NO.6)
main96134-52600i2TRFE..TRH201,221..ARL;2TRFE..TRH201,213..(06S,09S,10S,11S)..(GEN,TH);2TRFE..TRH201,22#..SG..(03S,14S,15S)..5F..(ARL,GEN,TH);1TRFE,2TRFE..TRH200,203,213,223..(06S,1200501-201401
17610CPUMP ASSY, AIR
main17610-0C010i2TRFE..TRH201,221..ARL;2TRFE..TRH201,213..(06S,09S,10S,11S)..(GEN,TH);2TRFE..TRH201,22#..SG..(03S,14S,15S)..5F..(ARL,GEN,TH);1TRFE,2TRFE..TRH200,203,213,223..(06S,1200501-201401
17611APIPE, AIR PUMP INLET
main17611-75010i2TRFE..TRH201,221..ARL;2TRFE..TRH201,213..(06S,09S,10S,11S)..(GEN,TH);2TRFE..TRH201,22#..SG..(03S,14S,15S)..5F..(ARL,GEN,TH);1TRFE,2TRFE..TRH200,203,213,223..(06S,1200501-201401
17618AINSULATOR, AIR PUMP
main17618-0C010×3i2TRFE..TRH201,221..ARL;2TRFE..TRH201,213..(06S,09S,10S,11S)..(GEN,TH);2TRFE..TRH201,22#..SG..(03S,14S,15S)..5F..(ARL,GEN,TH);1TRFE,2TRFE..TRH200,203,213,223..(06S,1200501-201401
17621AINLET, AIR PUMP
main17621-75010i2TRFE..TRH201,221..ARL;2TRFE..TRH201,213..(06S,09S,10S,11S)..(GEN,TH);2TRFE..TRH201,22#..SG..(03S,14S,15S)..5F..(ARL,GEN,TH);1TRFE,2TRFE..TRH200,203,213,223..(06S,1200501-201401
25710VALVE ASSY, AIR SWITCHING
MEXICO SPEC
MEXICO SPEC
MEXICO SPEC
MEXICO SPEC
SOUTH AFRICA SPEC
MEXICO SPEC&EXHAUST EMISSION CONTROL-TIER1
sub90126-08031
MEXICO SPEC
LPG CONVERSION PACKAGE
LPG CONVERSION PACKAGE
25717AGASKET, AIR SWITCHING VALVE
main25717-75010×2i2TRFE..TRH201,221..ARL;2TRFE..TRH201,213..(06S,09S,10S,11S)..(GEN,TH);2TRFE..TRH201,22#..SG..(03S,14S,15S)..5F..(ARL,GEN,TH);1TRFE,2TRFE..TRH200,203,213,223..(06S,1200501-201401
8404
827111E320WIRE, FUSE TO FUSE(FOR COMBUSTION HEATER)
main82711-1E320
9012608001
main90126-08001
9012608031
main90126-08031
9012608052
main90126-08052
9017908101
main90179-08101
9046728007
main90467-28007
9155380818
main91553-80818
22 parts on this diagram · 2 diagrams in section