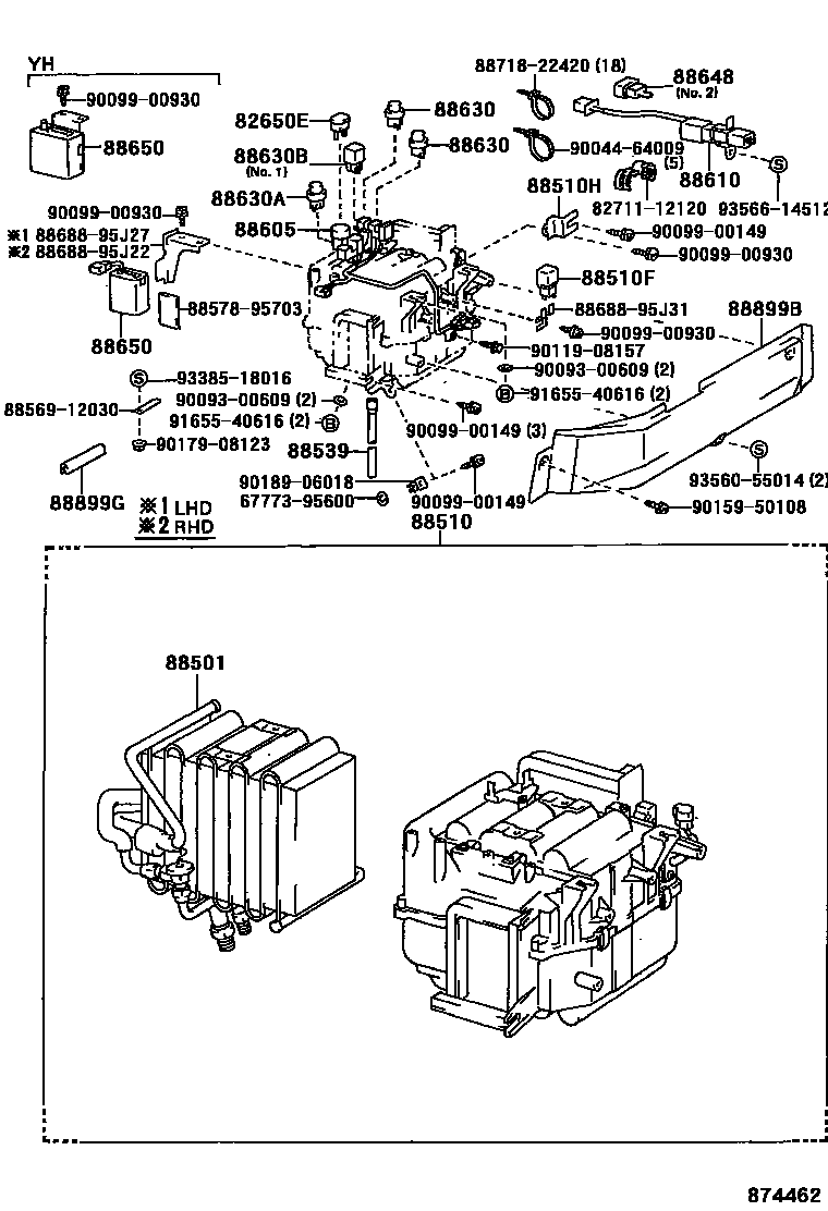
HEATING & AIR CONDITIONING - COOLER UNIT

82650EBREAKER ASSY, WIRING CIRCUIT
30A
88501EVAPORATOR SUB-ASSY, COOLER, NO.1
FRONT; HEAVY DUTY TYPE,REAR; REAR
FRONT
FRONT; HEAVY DUTY TYPE,FRONT; REAR
88510UNIT ASSY, COOLER
REAR
REAR
REAR
FRONT
FRONT
FRONT
FRONT
88510FHOLDER, FUSE
88510HPLATE, COOLER UNIT, NO.1
88539HOSE, COOLER UNIT DRAIN, NO.1
main88539-95701iYH61..SRF;LH51,61..LHD;LH51,61..RHD..COM;LH71,YH5#,63,73..STD..(ARL,GEN)198708-198908
88605HARNESS SUB-ASSY, COOLER WIRING, NO.1
REAR
REAR
REAR
W(BOOST VENTILATOR)
FRONT
FRONT
W(BOOST VENTILATOR),FRONT
W(BOOST VENTILATOR),FRONT
FRONT
W(BOOST VENTILATOR),FRONT
W(BOOST VENTILATOR),FRONT
FRONT
main88605-95J59iYH51,61..LHD..V; YH51,61..RHD..V; YH63..4HC..GEN;YH53,63..MTM..STD..(ARL,GEN)198708-198908
W(BOOST VENTILATOR)
88610SWITCH ASSY, COOLER CONTROL
main84660-95J00iLH51,61,YH51,61..LHD..COM..SRF; LH51,61,YH51,61..RHD..COM; LH51,61..LHD..V; LH51,61..V4D..06S; LH71,YH53,73..05S,15S; YH51,61,63..V..(ARL,GEN); YH53..03S198708-198908
FRONT
REAR
88630RELAY ASSY, COOLER
main90987-02004iLH51,61..COM; LH51,61..VSG;YH63..4HC..GEN;LH51,61..LHD..VSP;YH5#,61,63..V..MTM..STD..(ARL,GEN); LH71; YH51,73..COM;YH61..SRF..15S;YH53,63..(4FC,4HC,5F)..ARL198708-198908
88630ARELAY ASSY, COOLER
main90987-03001iYH61..SRF;LH51..VSG;LH51..12S;LH61..06S,15S;LH51,61..LHD..VSP;LH71,YH5#,63,73..ARL,GEN198708-198908
88630BRELAY ASSY, COOLER
NO.2
88648WIRING, COOLER, NO.1
NO.2
NO.1
88650AMPLIFIER ASSY, COOLER STABILIZER
88899BCOVER, COOLER CONTROL
88899GMOULDING, PROTECTOR
NO.1
NO.2
main88899-95J17iLH51,61,YH51,61..COM..SRF; LH51,61..LHD..V; LH51,61..V4D..06S; YH5#,61..V..(4FC,4H,5F); YH63..4HC..GEN; YH63..V4D..5H; YH63..V5D198708-198908
NO.1
6777395600
main67773-95600
8271112120WIRE, FUSE TO FUSE(FOR COMBUSTION HEATER)
main82711-12120
8856912030CLAMP (FOR COOLER RELAY)
main88569-12030
8857895703PAKING, COOLER AIR DUCT
main88578-95703
8868895J22BRACKET, COOLER DIAPHRAGM
main88688-95J22
8868895J27BRACKET, COOLER DIAPHRAGM
main88688-95J27
8868895J31BRACKET, COOLER DIAPHRAGM
main88688-95J31
8871822420PIPE, COOLER REFRIGERANT SUCTION, NO.2
main88718-22420
9004464009
main90044-64009
9009300609
main90093-00609
9009900149
main90099-00149
9009900930
main90099-00930
9011908157
main90119-08157
9015950108
main90159-50108
9017908123
main90179-08123
9018906018
main90189-06018
9165540616
main91655-40616
9338518016
main93385-18016
9356055014
main93560-55014
9356614512
main93566-14512
35 parts on this diagram · 4 diagrams in section