E
EPC Data

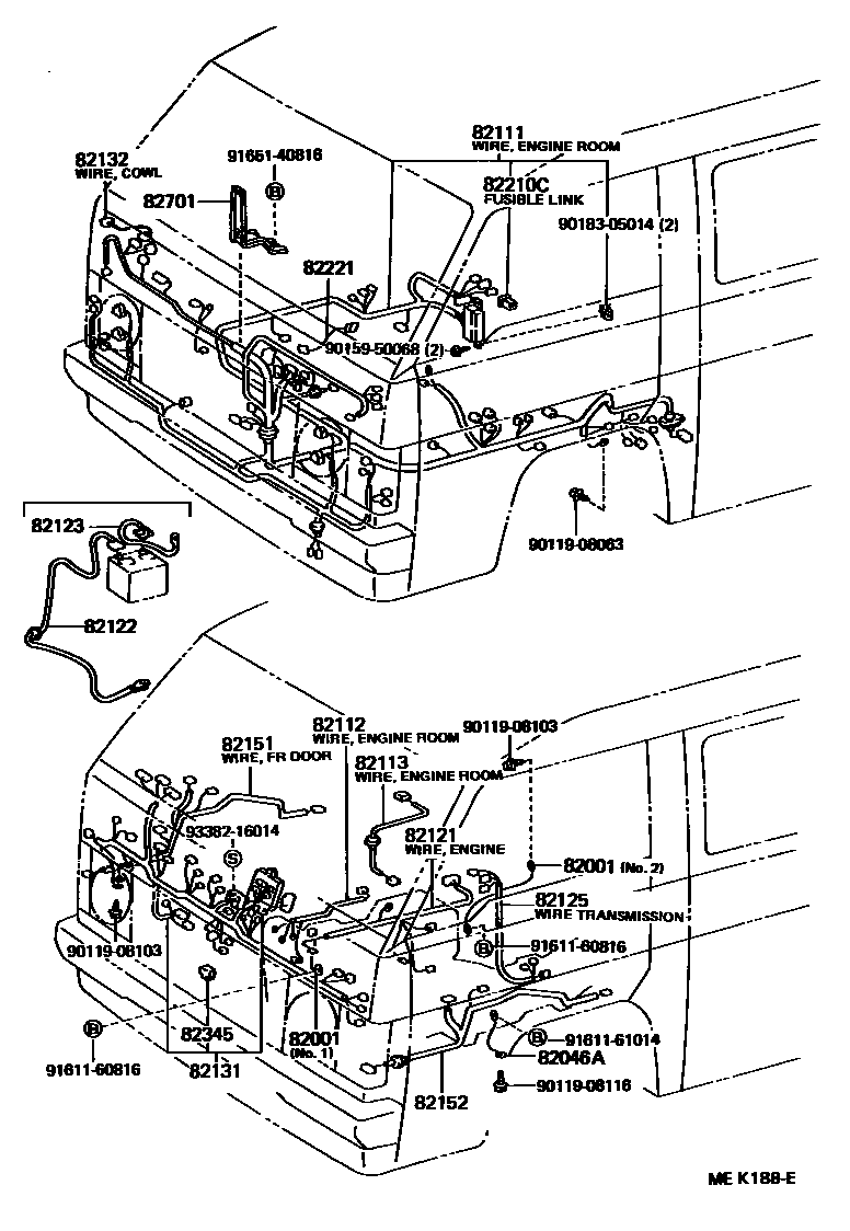
WIRING & CLAMP

Parts diagram
82001CABLE, BOND, NO.1
main90980-07215i198708-199206
main90980-07274i198708-198908
82046WIRE SUB-ASSY, REAR WINDOW DEFOGGER EARTH
main82046-95701i199203-199610
82046AWIRE SUB-ASSY, BODY GROUND, NO.1
main82046-95J00i198708-198908
main82046-95J01i198708-199203
82111WIRE, ENGINE ROOM MAIN
main82111-26880i199206
main82111-95P13i198808-198908
main82111-95P21i198808-198908
main82111-95P22i198808-198908
HIGH GRADE PACKAGE
main82111-95P24i198808-198908
main82115-95N57i198708-198908
main82115-95N58i198708-198908
main82115-95N60i198708-198908
main82115-95N62i198708-198908
main82115-95N63i198808-199206
main82115-95N66i198708-198808
main82115-95N67i198708-198808
main82115-95N69i198708-198908
SINGAPORE SPEC
main82115-95N70i198708-198908
main82115-95N73i198708-198808
main82115-95N74i198708-198808
main82115-95N77i198708-198808
HIGH GRADE PACKAGE
82112WIRE, ENGINE ROOM, NO.2
main82112-95J00i198708-199206
82113WIRE, ENGINE ROOM, NO.3
main82113-95J13i198708-198908
GULF SPEC
82121WIRE, ENGINE
main82121-95J01i199203-199610
main82121-95J04i198708-199206
main82121-95J08i198708-198908
main82121-95J09i198708-198908
82122WIRE, ENGINE, NO.2
main82122-95J12i198708-198908
COLD SPEC
main82122-95J13i198708-198908
main82122-95J15i198708-198908
TELECOM SPEC
main82122-95J16i198708-198908
TELECOM SPEC
main82122-95J22i198708-199203
main82122-95J30i198708-198908
TELECOM SPEC
82123WIRE, ENGINE, NO.3
main82123-95J00i198708-199203
main82123-95J02i198708-198908
main82123-95J06i198708-198908
TELECOM SPEC
main82123-95J07i198708-198908
TELECOM SPEC
82125WIRE, TRANSMISSION
main82125-95J00i198808-199610
CKD SPEC
main82125-95J07i198708-198808
SINGAPORE SPEC
82131WIRE, COWL
main82131-26280i199206
main82135-95J52i198708-198908
main82135-95J54i198708-198908
main82135-95J56i198708-198908
main82135-95J57i198708-198808
main82135-95J58i198708-198909
main82135-95J61i198708-198908
main82135-95J62i198708-198808
main82135-95J63i198708-198808
main82135-95J64i198708-198808
main82135-95N00i198808-198909
main82135-95N01i198808-198908
main82135-95N19i198909-199206
main82135-95N20i198909-199206
82132WIRE, COWL, NO.2
main82132-95J02i199206
82151WIRE, FRONT DOOR, RH
main82151-95J20i198708-199206
82152WIRE, FRONT DOOR, LH
main82152-95J08i198708-199206
82210CFUSIBLE LINK
main90982-08189i198708-198912
40A,TERM.:FEMALE,GRN
main90982-08202i198708-198912
60A,TERM.:MALE,YEL
main90982-08203i198708-198812
80A,TERM.:MALE,BLK
main90982-08253i198812-198912
80A,TERM.:MALE,BLK
82221WIRE, OIL PRESSURE SWITCH
main82221-95J01i198708-198908
82345DIODE
main82345-12050i198708-198808
main82345-30010i199206-199610
82701BRACKET SUB-ASSY, WIRE HARNESS
main82701-95J02i198708
9011908063
9011908103
9011908116
9015950068
9018305014
9161160816
9161161014
9165140816
9338216014

27 parts on this diagram · 5 diagrams in section

WIRING & CLAMP — Toyota Parts Diagram with OEM Numbers & Prices | EPC Data