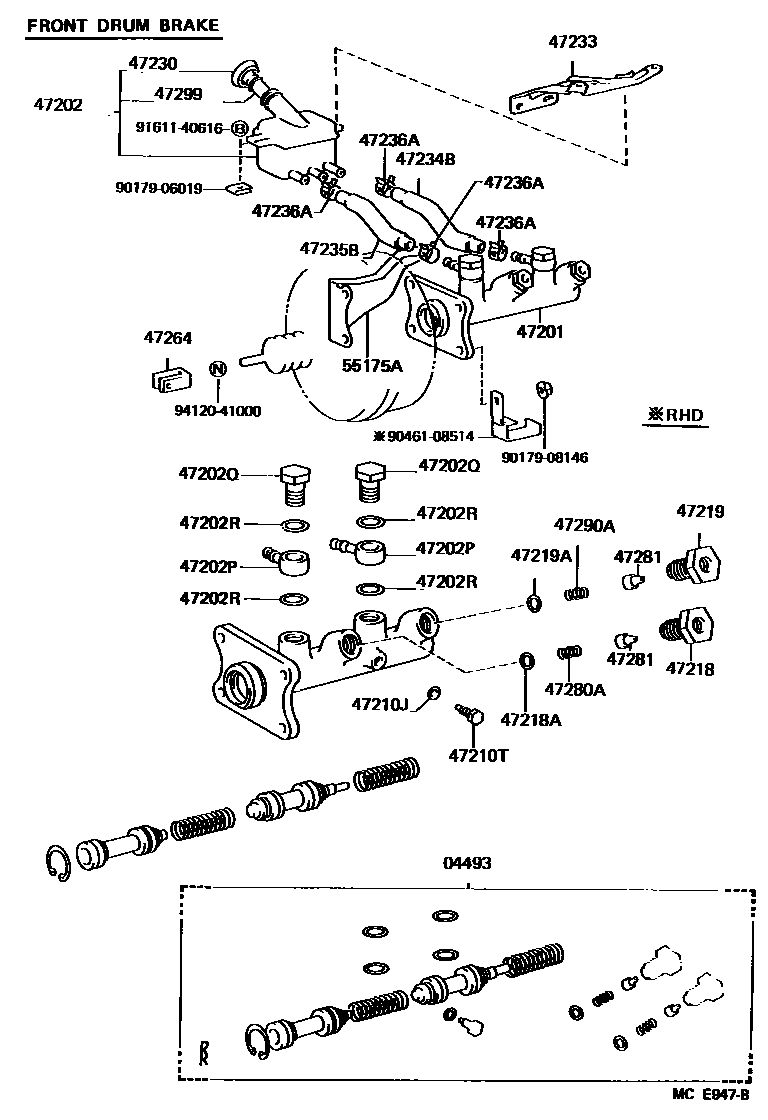
BRAKE MASTER CYLINDER

04493CYLINDER KIT, BRAKE MASTER
47201CYLINDER SUB-ASSY, BRAKE MASTER
W(FRONT DISC BRAKE)
W(FRONT DISC BRAKE)
47202RESERVOIR SUB-ASSY, BRAKE MASTER CYLINDER
47202PUNION, RESERVOIR(FOR BRAKE MASTER CYLINDER SIDE)
47202QBOLT, RESERVOIR UNION(FOR BRAKE MASTER CYLINDER SIDE)
47202RGASKET, RESERVOIR UNION(FOR BRAKE MASTER CYLINDER SIDE)
47210JGASKET(FOR MASTER CYLINDER)
47210TBOLT(FOR BRAKE MASTER CYLINDER)
47218PLUG, MASTER CYLINDER FLUID OUTLET
W(FRONT DISC BRAKE)
47218AGASKET(FOR FLUID OUTLET PLUG)
W(FRONT DISC BRAKE)
47219PLUG, MASTER CYLINDER FLUID OUTLET(FOR REAR SIDE)
47219AGASKET(FOR FLUID OUTLET PLUG REAR SIDE)
W(FRONT DISC BRAKE)
47230CAP ASSY, BRAKE MASTER CYLINDER RESERVOIR FILLER
47233BRACKET, RESERVOIR
47236ACLIP(FOR RESERVOIR TUBE)
sub96134-51500
47264CLEVIS, MASTER CYLINDER PUSH ROD
47280ASPRING, COMPRESSION
47281VALVE, BRAKE MASTER CYLINDER OUTLET CHECK
47290ASPRING, COMPRESSION(FOR FLUID OUTLET REAR SIDE)
47299STRAINER, BRAKE MASTER CYLINDER RESERVOIR
55175ASUPPORT SUB-ASSY, BRAKE MASTER CYLINDER
9017906019
main90179-06019
9017908146
main90179-08146
9046108514
main90461-08514
9161140616
main91611-40616
9412041000
main94120-41000
28 parts on this diagram · 2 diagrams in section