E
EPC Data

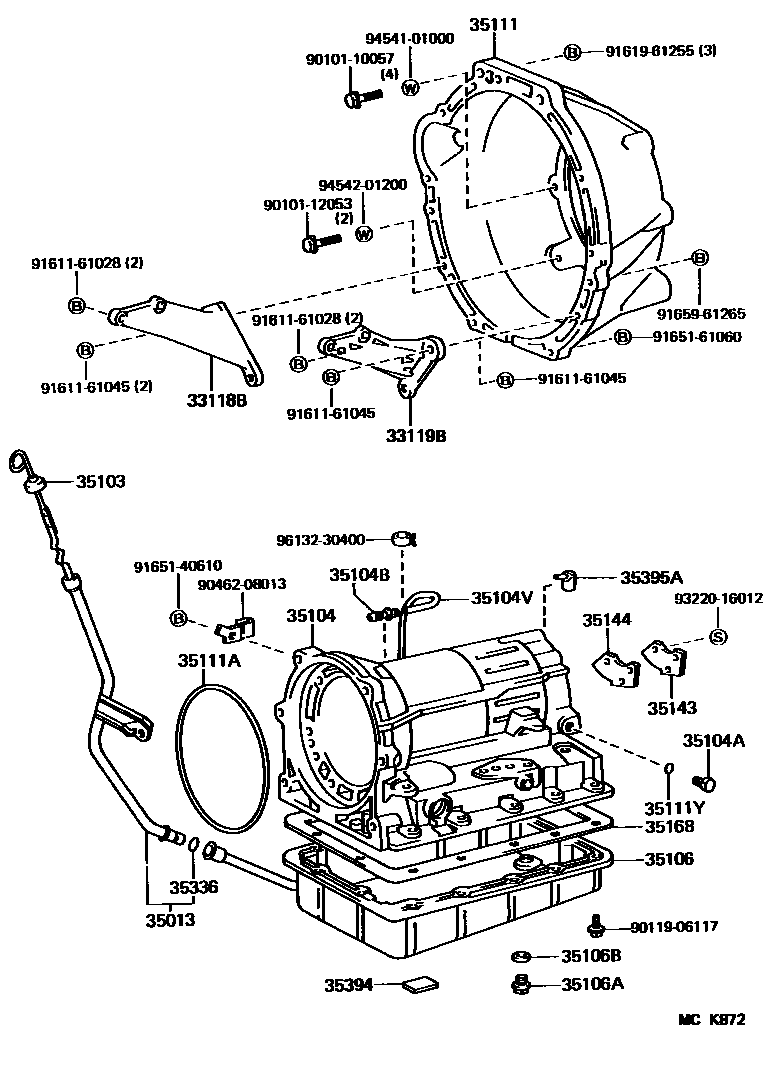
TRANSMISSION CASE & OIL PAN (ATM)

Parts diagram
33118BPLATE, STIFFENER, RH(ATM)
main33118-25020i198708-198908
main33118-36031i198708-199203
33119BPLATE, STIFFENER, LH(ATM)
main33119-25020i198708-198908
main33119-36030i198708-199203
35013TUBE SUB-ASSY, TRANSMISSION OIL FILLER
main35013-26020i198708-199203
main35013-26030i198708-198908
35103GAGE SUB-ASSY, TRANSMISSION OIL LEVEL
main35103-26021i198708-199203
main35103-30131i198708-198908
35104CASE SUB-ASSY, AUTOMATIC TRANSMISSION
main35104-26021i198708-199203
35104APLUG, AUTOMATIC TRANSMISSION CASE
main90341-08001×2i198808-199203
35104BPLUG, BREATHER, NO.1 (ATM)
main90930-03098i198708-198807
TRANSMISSION CASE
main90930-03099i198807-198808
BODY SIDE
35104VHOSE (FOR BREATHER PLUG)
main90445-11084i198708-198808
35106PAN SUB-ASSY, AUTOMATIC TRANSMISSION OIL
main35106-30050i198708-198907
main35106-30051i198907-198908
main35106-30060i198708-198907
main35106-30061i198907-199203
35106APLUG SUB-ASSY, DRAIN (ATM)
main90341-10006i198708-198808
35106BGASKET, DRAIN PLUG (ATM)
main35178-30010i198708-198808
35111HOUSING, AUTOMATIC TRANSMISSION
main35111-22060i198708-198908
main35111-28011i198708-199203
35111ARING, O (FOR AUTOMATIC TRANSMISSION HOUSING)
main90301-99054i198708-199203
35111YRING, O (FOR AUTOMATIC TRANSMISSION CASE)
main90301-06196×2i198708-198808
35143COVER, TRANSMISSION CASE, REAR
main35143-22010i198708-198808
35144GASKET, TRANSMISSION CASE REAR COVER
main35144-22010i198708-199012
main35144-28010i199012-199203
35168GASKET, AUTOMATIC TRANSMISSION OIL PAN
main35168-22011i198708-198808
35336RING, O (FOR TRANSMISSION OIL FILLER TUBE)
main90301-09173i198708-199203
35394MAGNET, OIL CLEANER (FOR TRANSMISSION)
main35394-30011×2i198708-199203
35395ASTRAINER, GOVERNOR OIL
main35395-40010i198708-199108
9010110057
9010112053
9011906117
9046208013
9161161028
9161161045
9161961255
9165140610
9165161060
9165961265
9322016012
9454101000
9454201200
9613230400

34 parts on this diagram · 2 diagrams in section

TRANSMISSION CASE & OIL PAN (ATM) — Toyota Parts Diagram with OEM Numbers & Prices | EPC Data