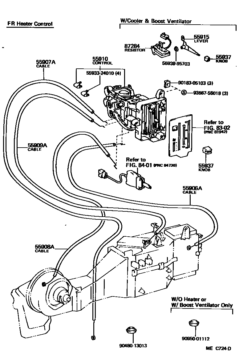
HEATING & AIR CONDITIONING - CONTROL & AIR DUCT

55906ACABLE SUB-ASSY, DEFROSTER DAMPER CONTROL
55907ACABLE SUB-ASSY, WATER VALVE CONTROL
55908ACABLE SUB-ASSY, AIR INLET DAMPER CONTROL
55909ACABLE SUB-ASSY, AIRMIX DAMPER CONTROL
55910CONTROL ASSY, HEATER OR BOOST VENTILATOR
FR,W/HEATER
FR,W/HEATER
FR,W/*BV
FR,W/*BV
RR
FR,W/*BV & COOLER
FR,W/*BV & COOLER
55915LEVER, COOLER CONTROL
W/*BV & COOLER
55937KNOB, HEATER CONTROL LEVER
FR HEATER
main55905-95703iLH50,51,60,61,YH50,51,60,61..COM..(EUR,GEN); YH51..5H..U;YH51..J..EUR;YH50..V4D..R;LH51,60,61..M1;YH61..V4D..5H..(G,J,R,U);YH50,60..VSG..(4HC,5H)..(03S,09S)198212-198708
RR HEATER
FR HEATER,FRESH-RECIRC
8302INDICATOR
8401SWITCH & RELAY & COMPUTER
87284RESISTOR SUB-ASSY, VARIABLE
W/COOLER & *BV
5593324010GUIDE, LEVER, NO.2
main55933-24010
5593995703ORNAMENT, HEATER CONTROL
main55939-95703
9018305103
main90183-05103
9048013013
main90480-13013
9095001112
main90950-01112
9356755018
main93567-55018
16 parts on this diagram · 8 diagrams in section