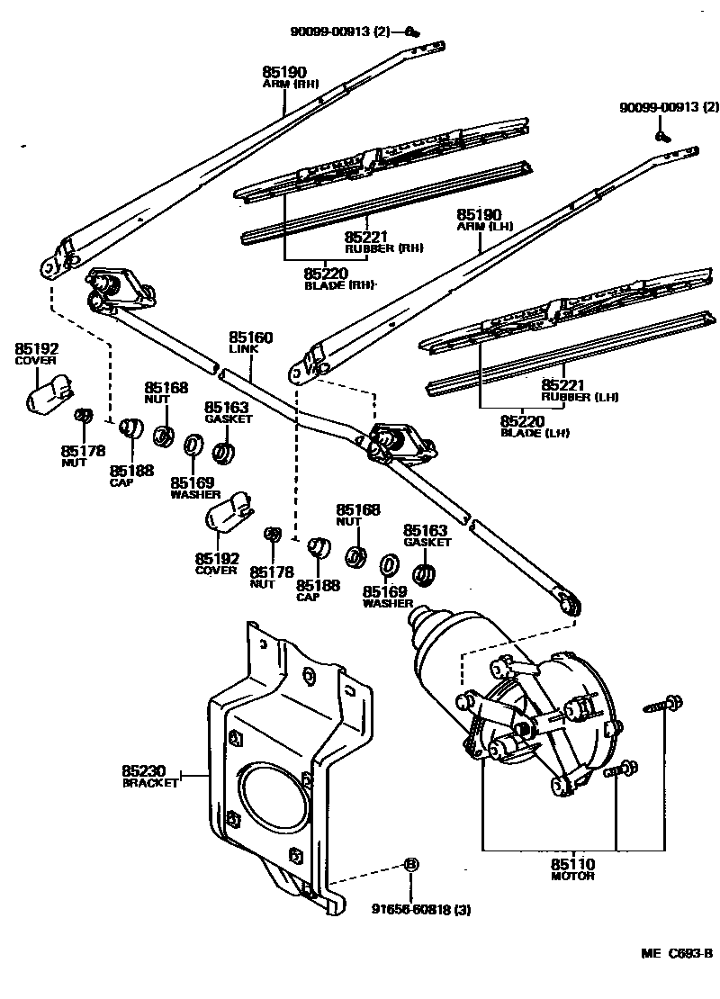
85110MOTOR ASSY, WINDSHIELD WIPER
main85110-95J00iLH50,60,70,YH5#,6#,71..RHD..(ARL,GEN,SA)198212-198312 main85110-95J10iLH51,61,YH50,51,60,61..LHD..GEN198312-198708 main85110-95J11iLH51,61,YH50,51,61..RHD..EUR198312-198708 main85110-95J12iYH51..VSG..5H..EUR;YH51..LHD..(03S,06S,09S,12S)..EUR;LH51,56,61,66,YH50,56,61,66..LHD..EUR198312-198708 85160LINK ASSY, WINDSHIELD WIPER
main85160-95J00iLH50,51,60,61,7#,YH50,51,53,60,61,63,7#..RHD198212-198807 main85160-95J01iLH5#,6#,YH50,51,56,60,61,66..LHD198212-198708 85163PACKING, WINDSHIELD WIPER PIVOT
85168NUT, WINDSHIELD WIPER LINK PIVOT
85169WASHER, WINDSHIELD WIPER LINK PIVOT, NO.1
85178NUT (FOR FRONT WIPER ARM SETTING)
85188CAP, WINDSHIELD WIPER PIVOT, NO.1
85190ARM ASSY, WINDSHIELD WIPER
main85190-95J00iLH50,60,70,YH5#,6#,71..RHD..(ARL,GEN,SA)198212-198401 RH
main85190-95J07iLH5#,6#,YH50,51,56,60,61,66..LHD198401-198708 RH
main85190-95J08iLH51,61,YH50,51,61..RHD..EUR198401-198708 RH
main85210-95J00iLH50,60,70,YH5#,6#,71..RHD198212-198401 LH
main85210-95J03iLH51,61,71,YH50,51,53,60,61,63,71..RHD198401-198807 LH
main85210-95J04iYH51..VSG..5H..EUR;LH5#,6#,YH50,56,61,66..LHD..EUR;YH51..LHD..(03S,06S,09S,12S)..EUR198401-198708 LH
main85210-95J05iLH51,61,YH50,51,60,61..LHD..GEN198401-198708 LH
85192COVER, WINDSHIELD WIPER ARM
85220BLADE ASSY, WINDSHIELD WIPER
main85220-95J00iLH50,51,60,61,7#,YH50,51,53,60,61,7#..RHD198212-198807 RH
main85220-95J01iLH5#,6#,YH50,51,56,60,61,66..LHD198212-198708 LH
main85220-95J02iLH50,51,60,61,7#,YH50,51,53,60,61,63,7#..RHD198212-198807 LH
main85220-95J03iLH5#,6#,YH50,51,56,60,61,66..LHD198212-198708 RH
85221BLADE, WINDSHIELD WIPER
main85221-12210iLH5#,6#,YH50,51,56,60,61,66..LHD198401-198708 RH
main85221-12230iLH51,61,71,YH50,51,53,60,61,63,7#..RHD198401-198807 LH
main85221-30110iYH51..4HC..SA;YH51..RHD..(4FC,4H,5F,5H)..(ARL,GEN,SA);LH51,61,71,YH50,53,60,61,63,7#..RHD..(ARL,GEN,SA)198401-198807 RH
main85221-32060iLH5#,6#,YH50,51,56,60,61,66..LHD; LH51,61,YH50,51,61..RHD..EUR198401-198708 LH; RH
main85221-95J00iLH50,60,70,YH5#,6#,71..RHD; LH50,60,YH50,60..LHD198212-198401 LH; RH
main85221-95J02iLH50,60,70,YH5#,6#,71..RHD; LH50,60,YH50,60..LHD198212-198401 LH; RH
85230BRACKET ASSY, WINDSHIELD WIPER
main85109-95J00iLH50,51,60,61,7#,YH50,51,53,60,61,63,7#..RHD198212-198807 main85109-95J01iLH5#,6#,YH50,51,56,60,61,66..LHD198212-198708