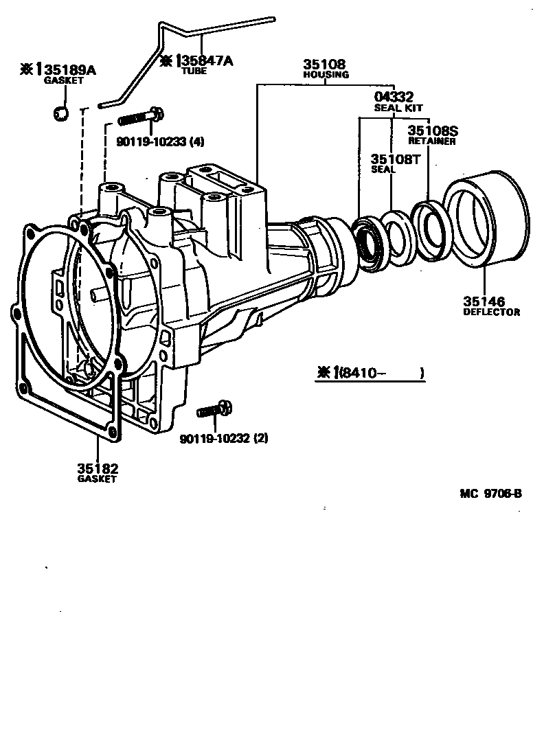
EXTENSION HOUSING (ATM)

04332SEAL KIT, OIL(FOR AUTOMATIC EXTENSION HOUSING)
35108HOUSING SUB-ASSY, EXTENSION (ATM)
35108SRETAINER, EXTENSION HOUSING DUST SEAL (ATM)
35108TSEAL, DUST (FOR AUTOMATIC TRANSMISSION EXTENSION HOUSING)
35146DEFLECTOR, EXTENSION HOUSING DUST (ATM)
35182GASKET, EXTENSION HOUSING (ATM)
35189AGASKET, EXTENSION HOUSING BUSH APPLY TUBE
35847ATUBE, EXTENSION HOUSING BUSH APPLY
9011910232
main90119-10232
9011910233
main90119-10233
10 parts on this diagram · 1 diagram in section