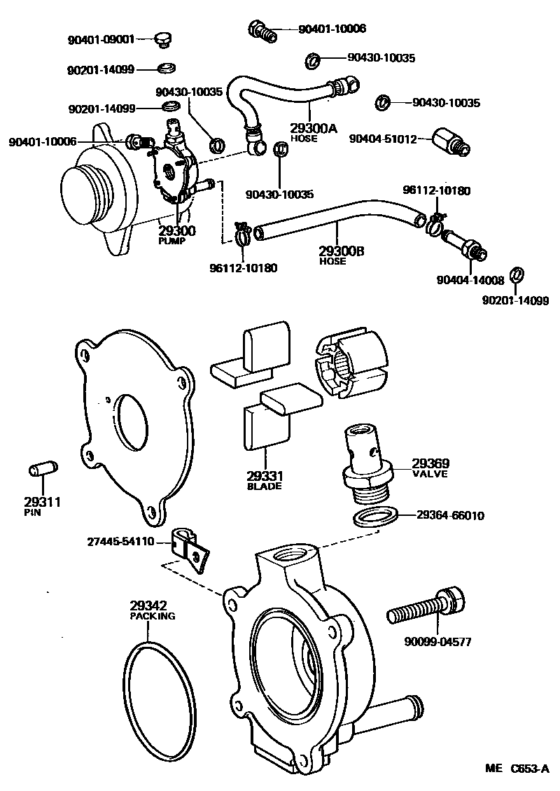
VACUUM PUMP

29300PUMP ASSY, VACUUM
29300AHOSE, VACUUM PUMP OIL INLET
29300BHOSE, VACUUM PUMP OIL OUTLET
29311PIN, VACUUM PUMP DOWEL, NO.1
sub29311-76010
29331BLADE, VACUUM PUMP, A
29342PACKING, VACUUM PUMP
29369VALVE SUB-ASSY, CHECK
2744554110
main27445-54110
2936466010WASHER, VACUUM PUMP
main29364-66010
9009904577
main90099-04577
9020114099
main90201-14099
9040109001
main90401-09001
9040110006
main90401-10006
9040414008
main90404-14008
9040451012
main90404-51012
9043010035
main90430-10035
9611210180
main96112-10180
17 parts on this diagram · 1 diagram in section