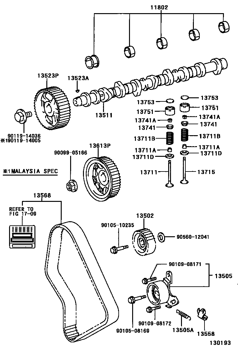
CAMSHAFT & VALVE

11802BEARING SET, CAMSHAFT
STD
STD
U/S 0.125
U/S 0.25
13502IDLER SUB-ASSY, TIMING BELT, NO.2
13505IDLER SUB-ASSY, TIMING BELT, NO.1
13505ASPRING, TENSION(FOR IDLER)
13523GEAR OR SPROCKET, CAMSHAFT TIMING
13523PPULLEY, CAMSHAFT TIMING
13558BRACKET, SPRING(FOR IDLER)
13613PPULLEY, INJECTION PUMP DRIVE
13711VALVE, INTAKE
13711ASEAL OR RING, O(FOR VALVE STEM OIL)
13711BSPRING, COMPRESSION(FOR INNER)
13711DWASHER, PLATE(FOR VALVE SPRING SEAT)
13715VALVE, EXHAUST
13741RETAINER, VALVE SPRING
EXHAUST
INTAKE
13741ALOCK, VALVE SPRING RETAINER
13751LIFTER, VALVE
13753SHIM, VALVE ADJUSTING
T=2.50,MARK=T01
T=2.60,MARK=T06
T=2.70,MARK=T11
T=2.80,MARK=T16
T=2.90,MARK=T21
T=3.00,MARK=T26
T=3.10,MARK=T31
T=3.20,MARK=T36
T=3.30,MARK=T41
T=2.55,MARK=T42
T=2.65,MARK=T43
T=2.75,MARK=T44
T=2.85,MARK=T45
T=2.95,MARK=T46
T=3.05,MARK=T47
T=3.15,MARK=T48
T=3.25,MARK=T49
1709CAUTION PLATE & NAME PLATE (ENGINE)
9009905166
main90099-05166
9010508169
main90105-08169
9010510235
main90105-10235
9010908171
main90109-08171
9010908172
main90109-08172
9011914005
main90119-14005
9011914036
main90119-14036
9056012041
main90560-12041
29 parts on this diagram · 2 diagrams in section