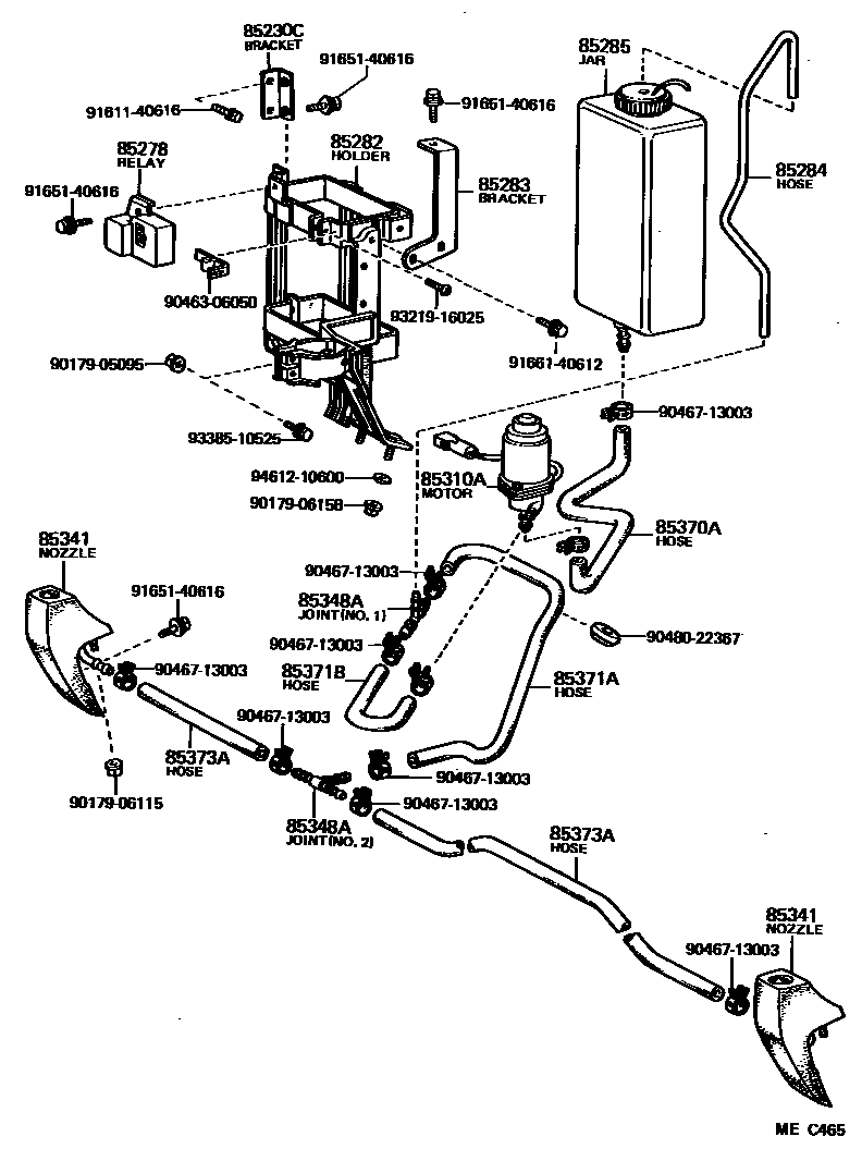
HEADLAMP CLEANER

85230CBRACKET ASSY, HEADLAMP CLEANER
85278RELAY ASSY, HEADLAMP CLEANER CONTROL
85282HOLDER ASSY, HEADLAMP CLEANER WASHER JAR
85283BRACKET, HEADLAMP CLEANER WASHER
85284HOSE ASSY, HEADLAMP CLEANER WASHER
85285JAR, HEADLAMP CLEANER WASHER
85310AMOTOR AND PUMP ASSY, HEADLAMP CLEANER WASHER
85341NOZZLE, HEADLAMP CLEANER WASHER
85348AJOINT, HEADLAMP CLEANER HOSE, NO.1
NO.2
NO.1
85370AHOSE ASSY, HEADLAMP CLEANER WASHER, NO.1
85371AHOSE, HEADLAMP CLEANER(FROM MOTOR TO JOINT)
85371BHOSE, HEADLAMP CLEANER (FROM MOTOR TO JOINT)
85373AHOSE, HEADLAMP CLEANER WASHER (FROM JOINT TO NOZZLE)
RH
LH
9017905095
main90179-05095
9017906115
main90179-06115
9017906158
main90179-06158
9046306050
main90463-06050
9046713003
main90467-13003
9048022367
main90480-22367
9161140616
main91611-40616
9165140616
main91651-40616
9166140612
main91661-40612
9321916025
main93219-16025
9338510525
main93385-10525
9461210600
main94612-10600
25 parts on this diagram · 1 diagram in section