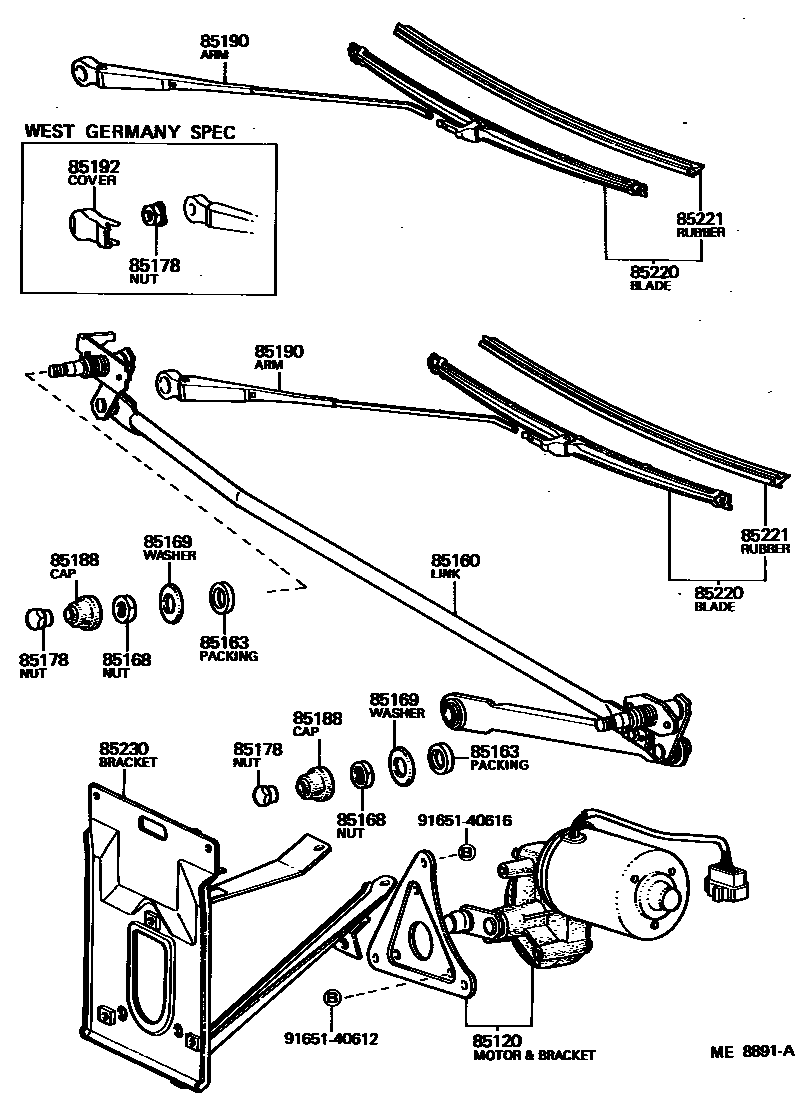
85120MOTOR AND BRACKET ASSY, WINDSHIELD WIPER
main85120-95A00iLH11,20,30,RH11,2#,3#,42..RHD197702-197912 main85120-95A01iLH11,20,30,RH11,2#,3#..LHD197702-197912 main85120-95A03iLH11,20,30,RH11,20,3#..RHD..EUR197912-198012 main85120-95A05iLH11,20,30,RH11,20,25,3#..LHD..EUR197912-198012 main85120-95A06iLH11,20,30,RH11,20,22,3#,42..RHD..(ARL,GEN,IDN,SA)198012-198211 main85120-95A07iLH11,20,30,RH11,20,22,3#..LHD..GEN198012-198211 main85120-95A09iLH11,20,30,RH11,20,32..RHD..EUR198012-198211 main85120-95A10iLH11,20,30,RH11,20,25,3#..LHD..EUR198012-198211 85160LINK ASSY, WINDSHIELD WIPER
main85160-95A00iLH11,20,30,RH11,20,22,3#,42..RHD197702-198109 main85160-95A01iLH11,20,30,RH11,2#,3#..LHD197702-198109 main85160-95A02iLH11,20,30,RH11,20,22,3#,42..RHD..(ARL,EUR,GEN,SA)198109-198211 main85160-95A03iLH11,20,30,RH11,2#,3#..LHD198109-198211 85163PACKING, WINDSHIELD WIPER PIVOT
main85185-95010×2iLH11,20,30,RH11,2#,3#,42..ARL,EUR,GEN,SA198109-198211 ID=16
main85185-95A00×2iLH11,20,30,RH11,2#,3#,42197702-198109 ID=14
85168NUT, WINDSHIELD WIPER LINK PIVOT
main85168-95010×2iLH11,20,30,RH11,2#,3#,42..ARL,EUR,GEN,SA198109-198211 ID=16
85169WASHER, WINDSHIELD WIPER LINK PIVOT, NO.1
main85169-95010×2iLH11,20,30,RH11,2#,3#,42..ARL,EUR,GEN,SA198109-198211 ID=16.5
main85169-95A00×2iLH11,20,30,RH11,2#,3#,42197702-198109 ID=14.5
85178NUT (FOR FRONT WIPER ARM SETTING)
main85182-95A00×2iLH11,20,30,RH11,2#,3#,42197702-197912 85188CAP, WINDSHIELD WIPER PIVOT, NO.1
main85135-95010×2iLH11,20,30,RH11,2#,3#,42..ARL,EUR,GEN,SA198109-198110 main85135-95A00×2iLH11,20,30,RH11,2#,3#,42197702-198109 main85135-95A01×2iLH11,20,30,RH11,2#,3#,42..ARL,EUR,GEN,SA198110-198211 85190ARM ASSY, WINDSHIELD WIPER
main85190-95A00×2iLH11,20,30,RH11,2#,3#,42..RHD197702-197912 main85190-95A01×2iLH11,20,30,RH11,2#,3#..LHD197702-197912 main85190-95A04×2iLH11,20,30,RH11,20,22,3#,42..RHD197912-198103 main85190-95A06×2iLH11,20,30,RH11,20,22,3#..LHD197912-198103 main85190-95A08iLH11,20,30,RH11,20,22,3#,42..RHD198103-198211 DRIVER SIDE
main85190-95A10iLH11,20,30,RH11,2#,3#..LHD198103-198211 DRIVER SIDE
main85210-95A00iLH11,20,30,RH11,20,22,3#,42..RHD198103-198211 ASSIST SIDE
main85210-95A01iLH11,20,30,RH11,2#,3#..LHD198103-198211 ASSIST SIDE
85192COVER, WINDSHIELD WIPER ARM
main85195-95401×2iLH11,20,30,RH11,2#,3#,42197912-198211 85220BLADE ASSY, WINDSHIELD WIPER
main85220-95A00×2iLH11,20,30,RH11,2#,3#,42197702-197912 main85220-95A04×2iLH11,20,30,RH11,2#,3#,42197912-198103 main85220-95A05×2iLH11,20,30,RH11,20,22,3#,42..RHD198103-198211 main85220-95A06×2iLH11,20,30,RH11,2#,3#..LHD198103-198211 85221BLADE, WINDSHIELD WIPER
85230BRACKET ASSY, WINDSHIELD WIPER
main85230-95A00iLH11,20,30,RH11,20,22,3#,42..RHD197702-198211 main85230-95A01iLH11,20,30,RH11,2#,3#..LHD197702-198211