E
EPC Data

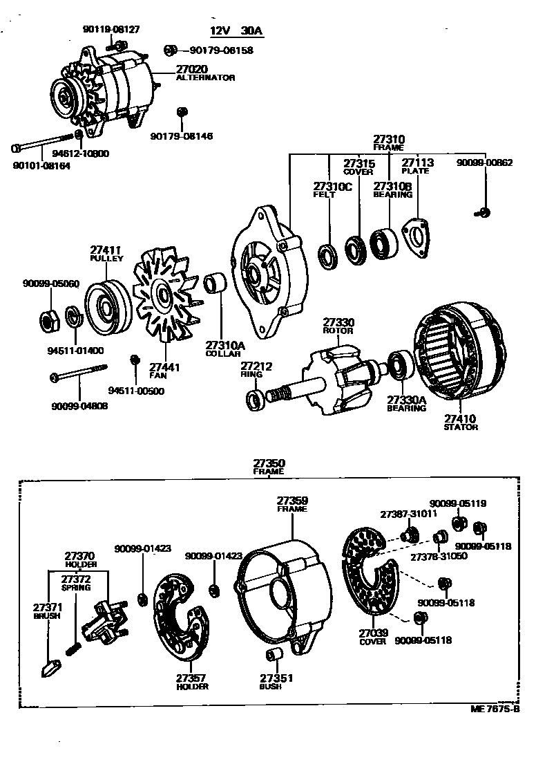
ALTERNATOR

Parts diagram
27020ALTERNATOR ASSY
main27020-23022i197903-198609
12V 30A
main27020-72030i198804-200002
12V 40A
27039COVER, ALTERNATOR REAR END
main27039-11014i197903-198609
12V 30A
27113PLATE, BEARING RETAINER, ALTERNATOR
main27113-10012i197903-198609
12V 30A
27212RING, SPACE(FOR ALTERNATOR ROTOR)
main27212-39050i199308-199506
main27412-15100i199506-200002
main90099-19068i197903-198609
12V 30A
27310FRAME ASSY, DRIVE END, ALTERNATOR
main27310-22012i197903-198609
12V 30A
main27310-72030i198804-200002
27310ACOLLAR OR NUT(FOR ALTERNATOR DRIVE END FRAME)
main27412-16030i199308-199506
main27412-16040i199506-200002
main27412-56040i197903-198609
12V 30A
27310BBEARING(FOR ALTERNATOR DRIVE END FRAME)
main90099-10012i197903-198609
12V 30A
main90099-10142i198804-200002
27310CFELT(FOR ALTERNATOR DRIVE END FRAME)
main90099-02009i197903-198609
12V 30A
27315COVER, ALTERNATOR FELT, INNER NO.1
main27313-39010i197903-198609
12V 30A
27330ROTOR ASSY, ALTERNATOR
main27330-22012i197903-198609
12V 30A
main27330-26050i198804-200002
27330ABEARING(FOR ALTERNATOR ROTOR)
main90099-10116i198804-200002
main97110-06201i197903-198609
12V 30A
27350FRAME ASSY, RECTIFIER END
main27350-31090i197903-198609
12V 30A
27351BUSH(FOR ALTERNATOR RECTIFIER END FRAME)
main27351-24020i197903-198609
12V 30A
main27351-38051i198804-200002
27357HOLDER, ALTERNATOR, W/RECTIFIER
main27357-11014i197903-198609
12V 30A
27359FRAME, ALTERNATOR RECTIFIER END
main27359-31090i197903-198609
12V 30A
main27359-72030i198804-200002
27370HOLDER ASSY, ALTERNATOR BRUSH
main27370-31090i197903-198609
12V 30A
27371BRUSH, ALTERNATOR
main27371-31011×2i197903-198804
12V 30A,40A
27372SPRING, ALTERNATOR BRUSH
main27372-31011×2i197903-198804
12V 30A,40A
27410STATOR ASSY, ALTERNATOR
main27410-11014i197903-198609
12V 30A
main27410-38120i198804-200002
27411PULLEY, ALTERNATOR
main27411-23022i197903-198609
12V 30A
main27411-72040i198804-200002
27441FAN, ALTERNATOR
main27441-31090i197903-198609
12V 30A
main27441-34030i198804-200002
2737831050INSULATOR, ALTERNATOR, NO.1
2738731011INSULATOR, TERMINAL
9009900862
9009901423
9009904808
9009905060
9009905118
9009905119
9010108164
9011908127
9017906158
9017908146
9451100500
9451101400
9461210800

36 parts on this diagram · 2 diagrams in section

ALTERNATOR — Toyota Parts Diagram with OEM Numbers & Prices | EPC Data